GM Service Manual Online
For 1990-2009 cars only
Makes
🢒
Chevrolet
🢒
2001
🢒
Astro - 2WD
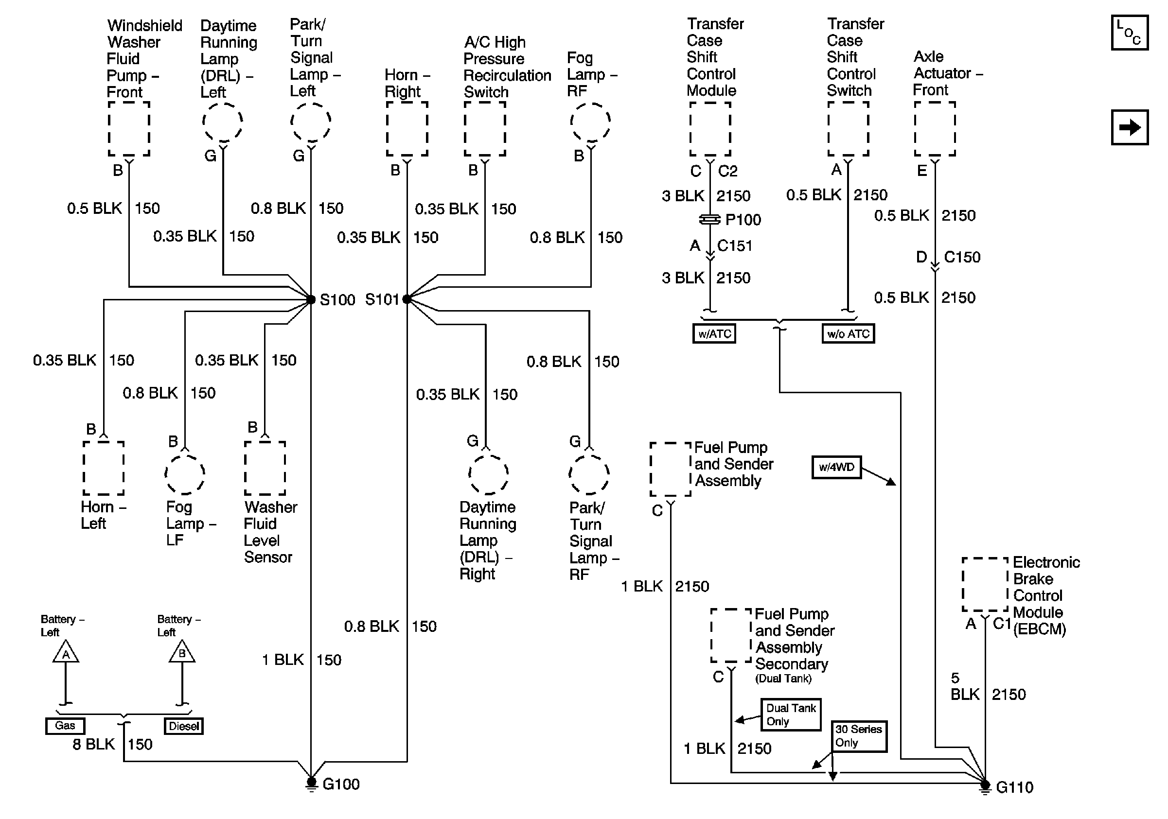
🢒 G100 and G110
G100 and G110
G100 and G110
Master Electrical Component List
G103 and G105 - Gas
G103 and G105 - Gas
G105 - Diesel