GM Service Manual Online
For 1990-2009 cars only
Makes
🢒
Chevrolet
🢒
2001
🢒
Astro - 2WD
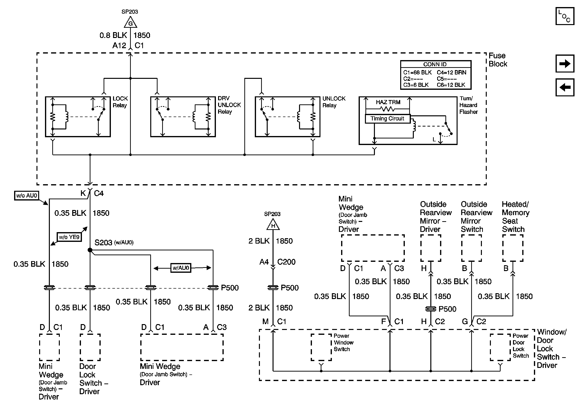
🢒 G203 - 2 of 4
G203 - 2 of 4
G203 - 2 of 4
Master Electrical Component List
G203 - 3 of 4 - Base Pickup
G203 - 1 of 4
G203 - 1 of 4
G203 - 1 of 4