GM Service Manual Online
For 1990-2009 cars only
Makes
🢒
Chevrolet
🢒
2001
🢒
Astro - 2WD
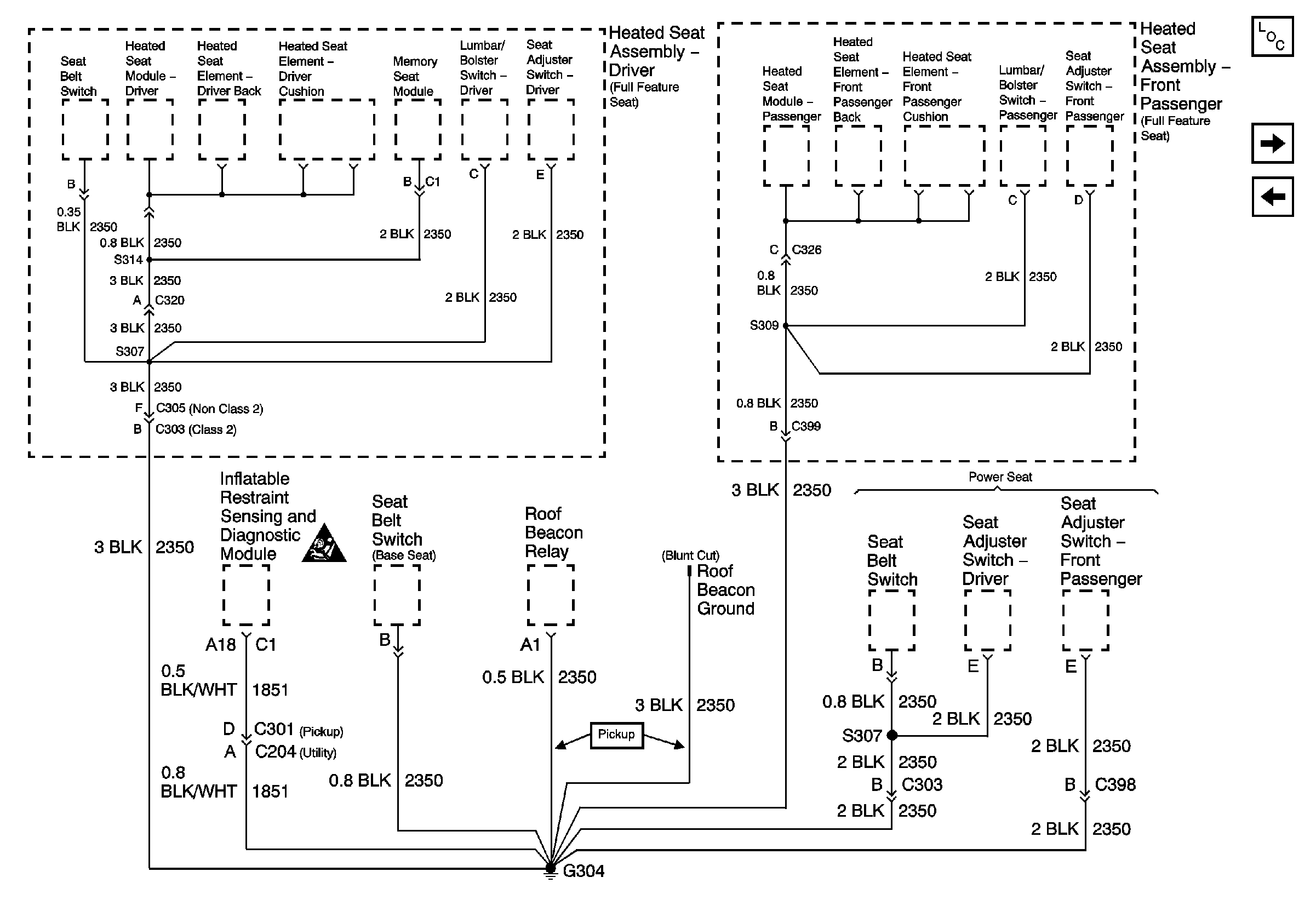
🢒 G304
G304
G304
Master Electrical Component List
G305 and G306
G203 - 4 of 4 - Utility and Uplevel Pickup