GM Service Manual Online
For 1990-2009 cars only
Makes
🢒
Chevrolet
🢒
2001
🢒
Astro - 2WD
🢒 Power and Ground
Power and Ground
Power and Ground
Master Electrical Component List
Data Link Communications Description and Operation
SP205
B+ Bus Bar
G203 - 3 of 4 - Base Pickup
AIR, RADIO, ECM B, FRT HVAC, and CIGAR Fuses
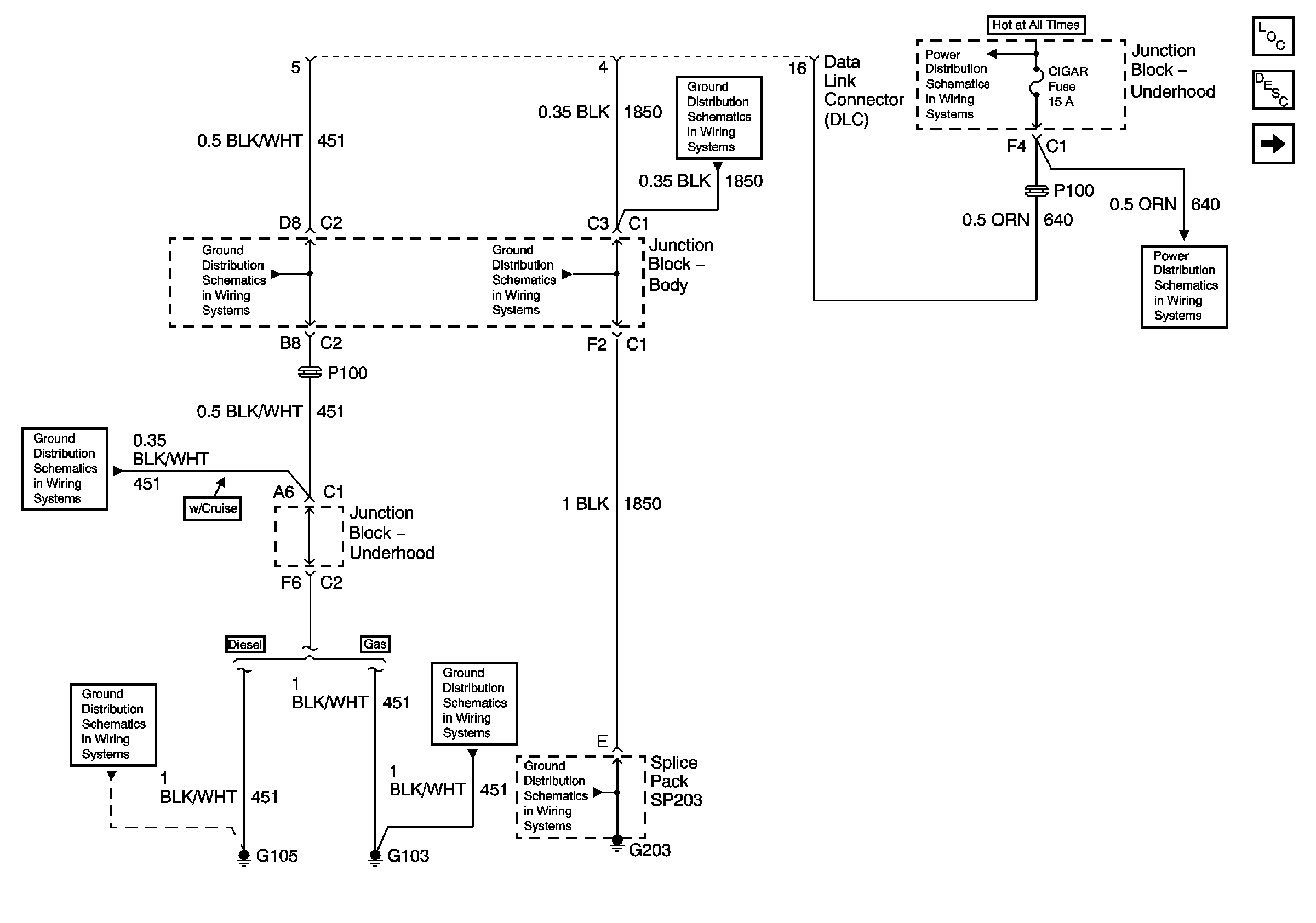
G103 and G105 - Gas
G203 - 3 of 4 - Base Pickup
G103 and G105 - Gas
G105 - Diesel
G103 and G105 - Gas
G203 - 1 of 4