GM Service Manual Online
For 1990-2009 cars only
Makes
🢒
Chevrolet
🢒
2001
🢒
Astro - 2WD
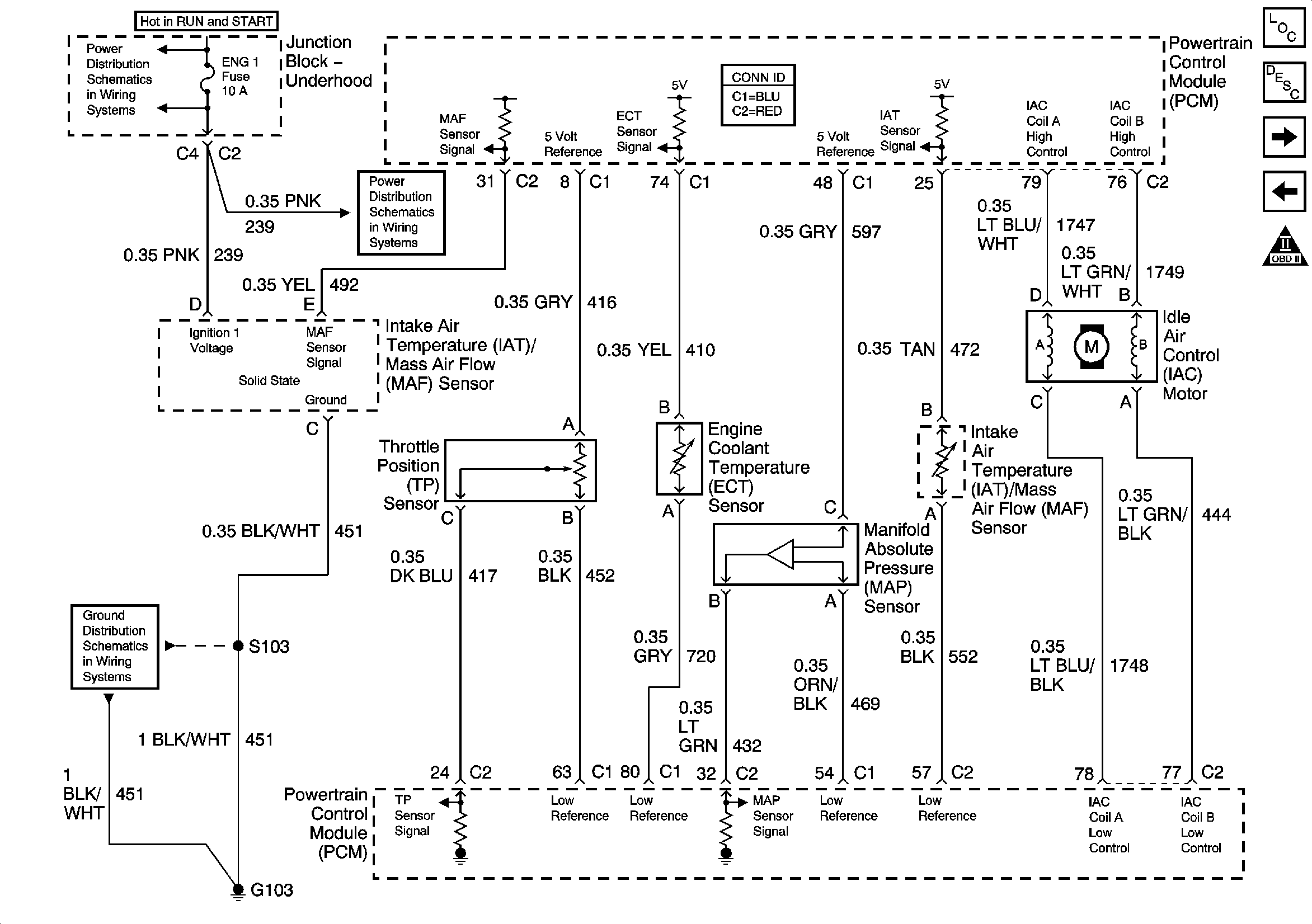
🢒 Throttle Position Sensor, ECT Sensor, MAP Sensor and IAC Motor
Throttle Position Sensor, ECT Sensor, MAP Sensor and IAC Motor
Throttle Position Sensor, ECT Sensor, MAP Sensor, and IAC Motor
Master Electrical Component List
Distributor Ignition (DI) System Description
Secondary AIR Controls
Fuel Pump Controls
OBD II Symbol Description Notice
IGNITION, RUN, and START Bus Bar
O2B, O2A, ENG 1, and IGN E Fuses - Gas
G103 and G105 - Gas