GM Service Manual Online
For 1990-2009 cars only
Makes
🢒
Chevrolet
🢒
2001
🢒
Astro - 2WD
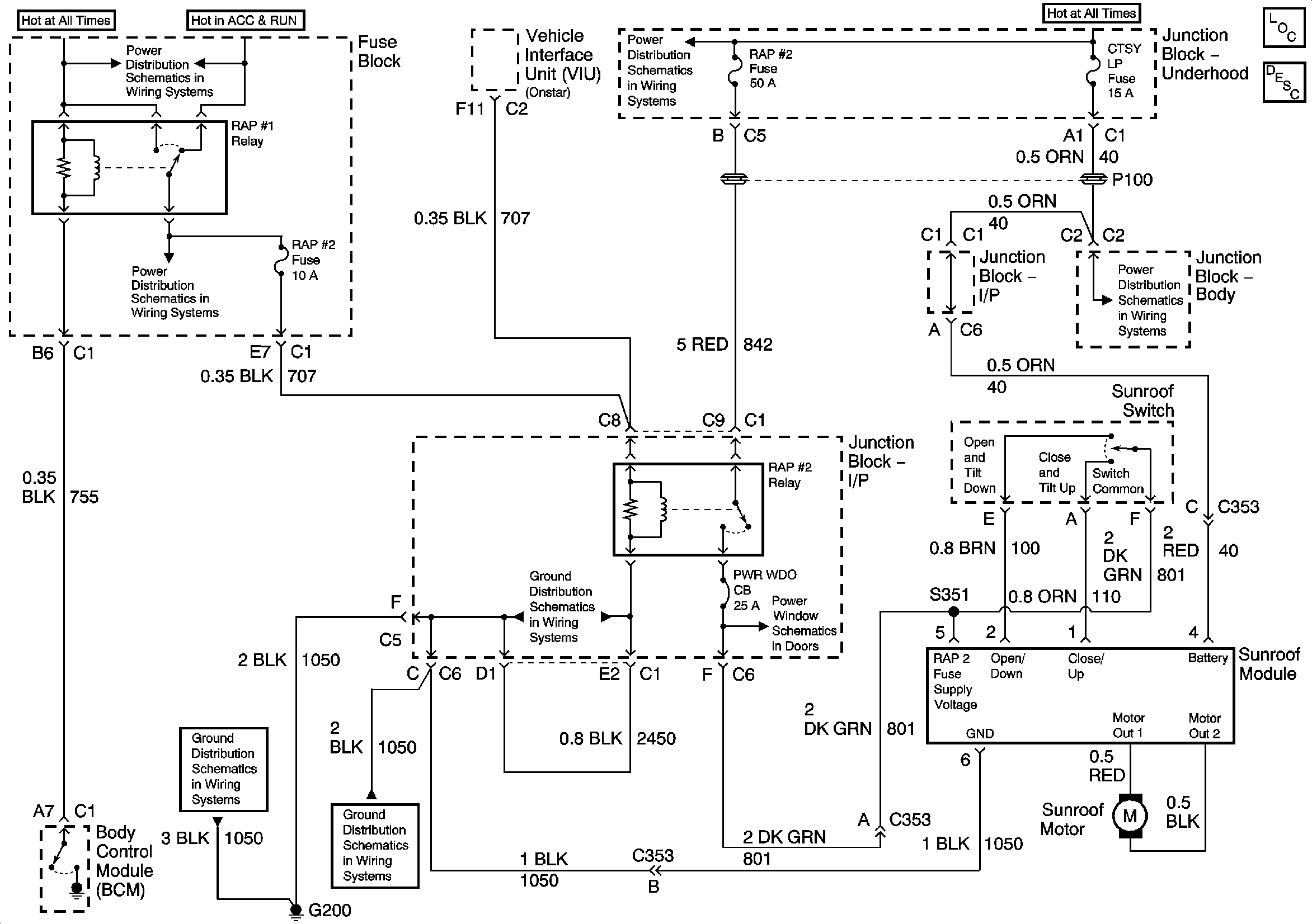
🢒 Power Sunroof Schematics
Power Sunroof Schematics
Master Electrical Component List
Sunroof Description and Operation
IGNITION, RUN, ACCESSORY, and RAP Bus Bars, RAP #1 and RAP #2 Fuses
IGNITION, RUN, ACCESSORY, and RAP Bus Bars, RAP #1 and RAP #2 Fuses
B+ Bus Bar
ABS, HAZ LP, STUD 1, STUD 2, CTSY LP, and PARK LP Fuses
G200 - 1 of 2
RAP Relay, BCM, Ignition Switch
G200 - 1 of 2
G200 - 1 of 2