GM Service Manual Online
For 1990-2009 cars only
Makes
🢒
Chevrolet
🢒
2001
🢒
Astro - 2WD
🢒 Except Luxury
Except Luxury
Except Luxury
Master Electrical Component List
Luxury
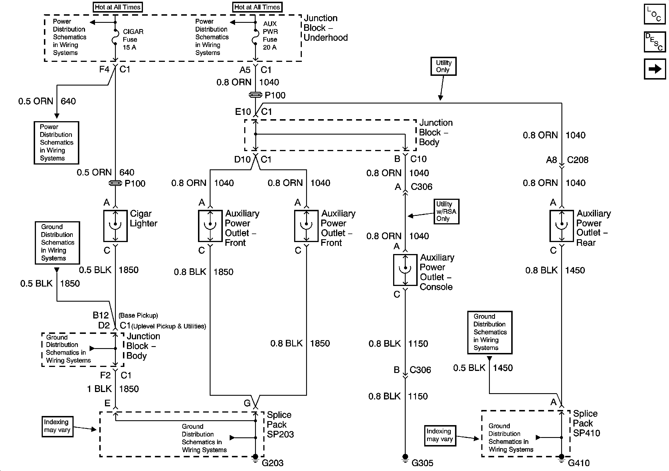
B+ Bus Bar
B+ Bus Bar
AIR, RADIO, ECM B, FRT HVAC, and CIGAR Fuses
G203 - 3 of 4 - Base Pickup
G203 - 3 of 4 - Base Pickup
G203 - 1 of 4
G410 - 1 of 2
G410 - 1 of 2