GM Service Manual Online
For 1990-2009 cars only
Makes
🢒
Chevrolet
🢒
2001
🢒
Astro - 2WD
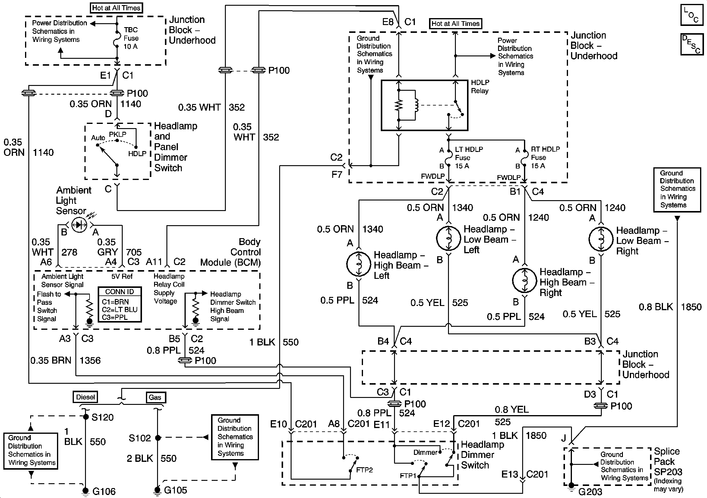
🢒 Headlamps Schematics
Headlamps Schematics
Master Electrical Component List
Exterior Lighting Systems Description and Operation
B+ Bus Bar
G104 - Gas
B+ Bus Bar
G203 - 1 of 4
G106 - Diesel
G103 and G105 - Gas
G203 - 1 of 4