GM Service Manual Online
For 1990-2009 cars only
Makes
🢒
Chevrolet
🢒
2001
🢒
Astro - 2WD
🢒 Defogger Controls
Defogger Controls
Defogger Controls
Master Electrical Component List
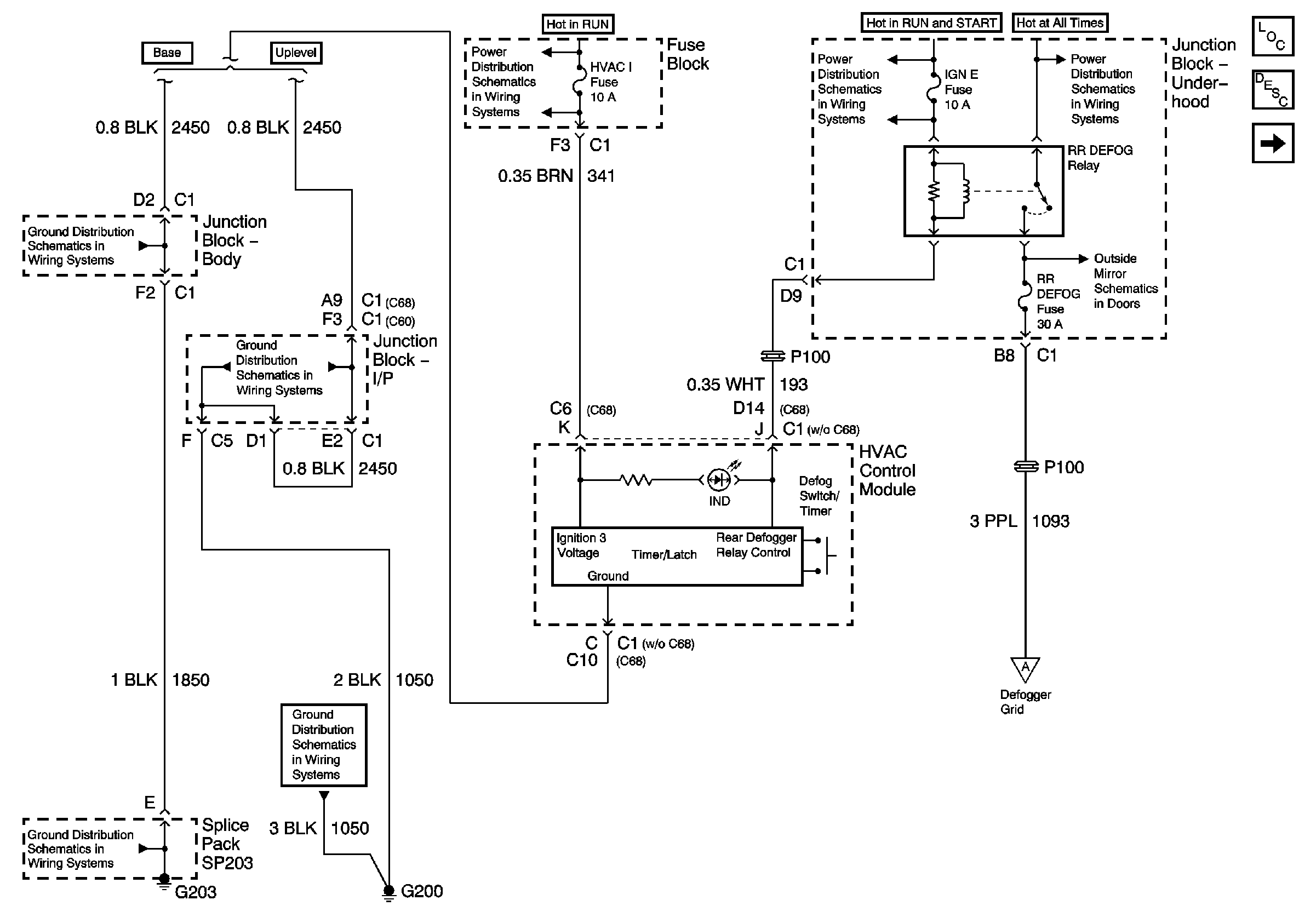
Rear Window Defogger Description and Operation
Defogger Grid
IGNITION, RUN, ACCESSORY, and RAP Bus Bars, RAP #1 and RAP #2 Fuses
IGNITION, RUN, and START Bus Bar
B+ Bus Bar
G203 - 3 of 4 - Base Pickup
G203 - 4 of 4 - Utility and Uplevel Pickup
w/Heated Mirrors
G203 - 1 of 4
G200 - 1 of 2
Defogger Grid