GM Service Manual Online
For 1990-2009 cars only
Makes
🢒
Chevrolet
🢒
2001
🢒
Astro - 2WD
🢒 Engine Data Sensors - HO2S 4.8L, 5.3L w/Isolated Grounded Sensors
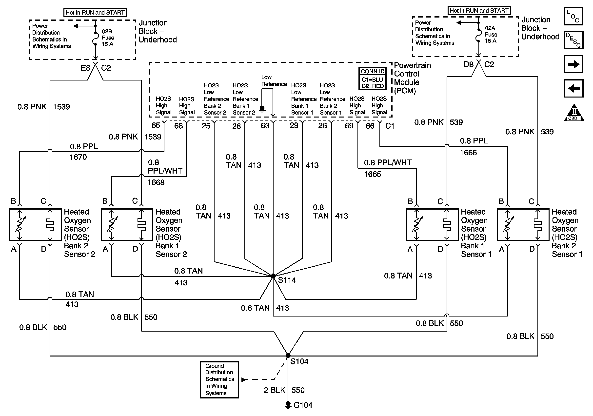
Engine Data Sensors - HO2S 4.8L, 5.3L w/Isolated Grounded Sensors
Engine Data Sensors - HO2S 4.8L, 5.3L w/Isolated Grounded Sensors
Master Electrical Component List
Powertrain Control Module Description
Engine Data Sensors - HO2S 6.0L w/Isolated and Case Grounded Sensors
Engine Data Sensors - HO2S 4.8L, 5.3L w/Case Grounded Sensors
OBD II Symbol Description Notice
IGNITION, RUN, and START Bus Bar
IGNITION, RUN, and START Bus Bar
G104 - Gas