GM Service Manual Online
For 1990-2009 cars only
Makes
🢒
Chevrolet
🢒
2001
🢒
Astro - 2WD
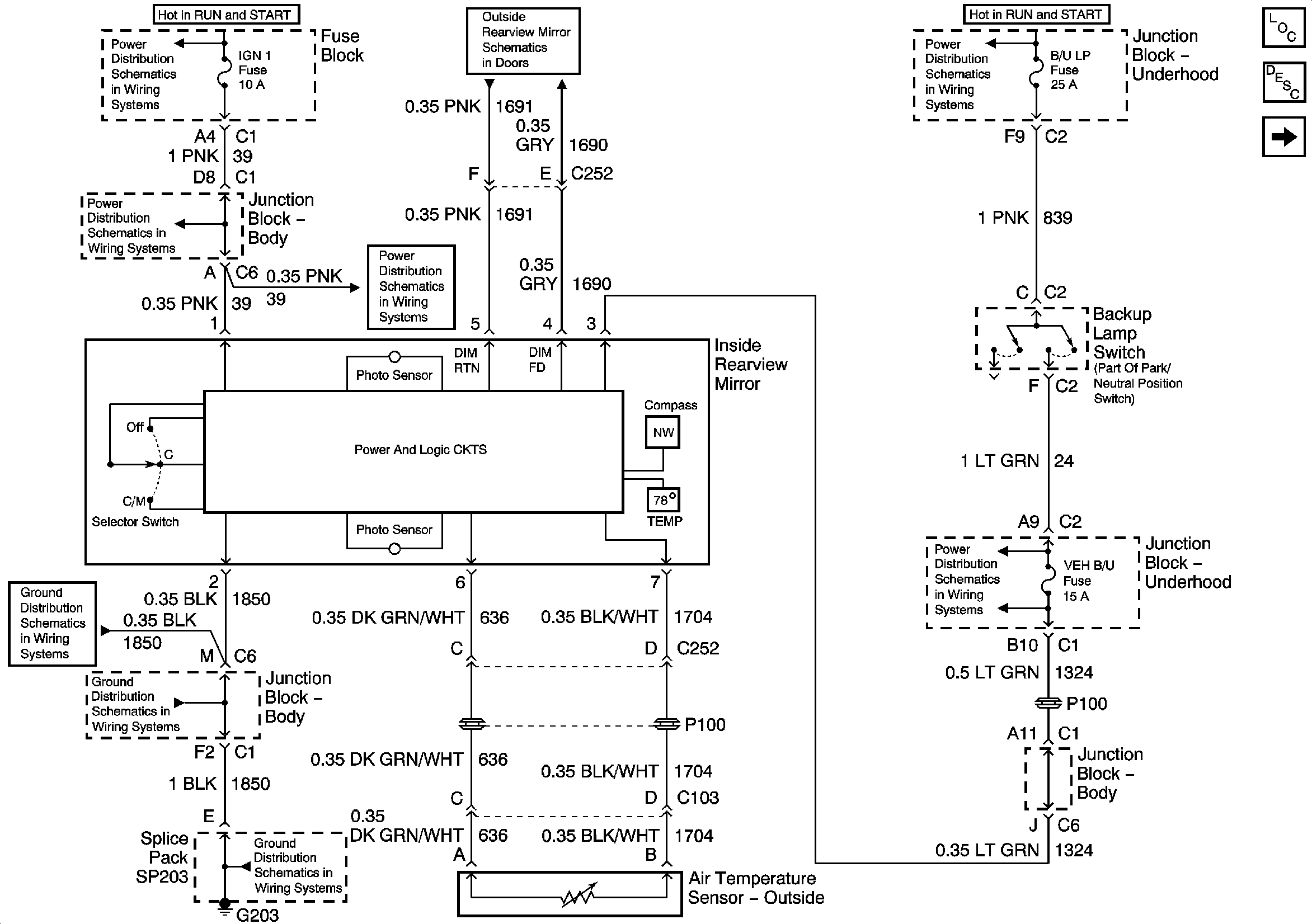
🢒 Auto Day-Night Mirrors Schematics - Utility
Auto Day-Night Mirrors Schematics - Utility
w/o OnStar
Master Electrical Component List
Automatic Day-Night Mirror Description and Operation
IGNITION, RUN, and START Bus Bar
IGN 1, AIR BAG, and SEO IGN Fuses
IGNITION, RUN, and START Bus Bar
IGN 1, AIR BAG, and SEO IGN Fuses
G203 - 4 of 4 - Utility and Uplevel Pickup
G203 - 4 of 4 - Utility and Uplevel Pickup
G203 - 1 of 4
B/U LP, BTSI, VEH B/U, and TRL B/U Fuses
w/Electro Chromic