GM Service Manual Online
For 1990-2009 cars only
Makes
🢒
Chevrolet
🢒
2001
🢒
Astro - 2WD
🢒 Power and Ground
Power and Ground
Power and Ground
Master Electrical Component List
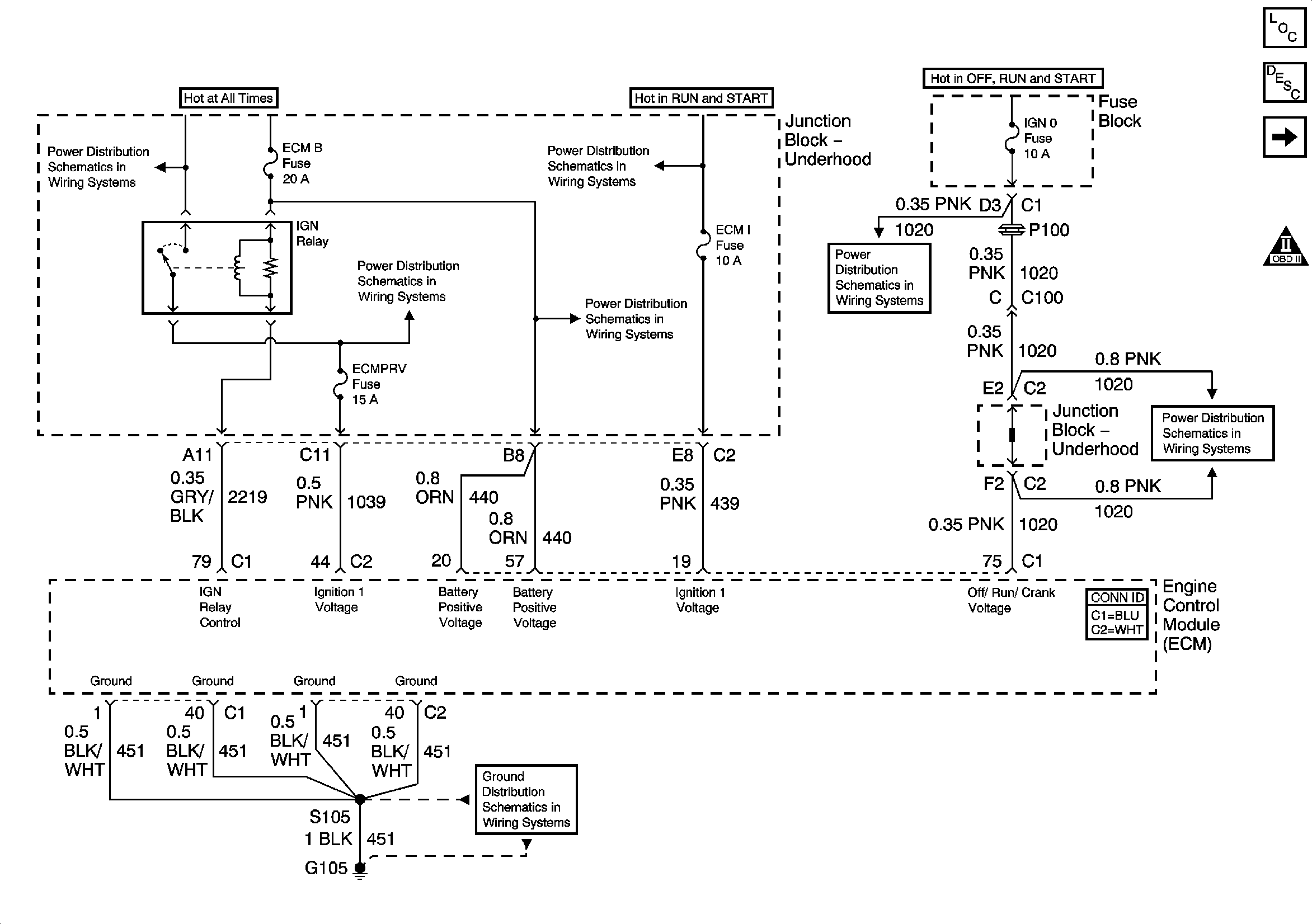
Engine Control Module Description
MIL Control and Serial Data
OBD II Symbol Description Notice
B+ Bus Bar
IGNITION, RUN, and START Bus Bar
IGN 1 Relay, ECM I, FUEL HT, ENG 1, IGN E, ECMRPV, and INJ B Fuses - Diesel
AIR, RADIO, ECM B, FRT HVAC, and CIGAR Fuses
RTD, RDO AMP, CRANK, and IGN 0 Fuses
RTD, RDO AMP, CRANK, and IGN 0 Fuses
G105 - Diesel