GM Service Manual Online
For 1990-2009 cars only
Makes
🢒
Chevrolet
🢒
2001
🢒
Astro - 2WD
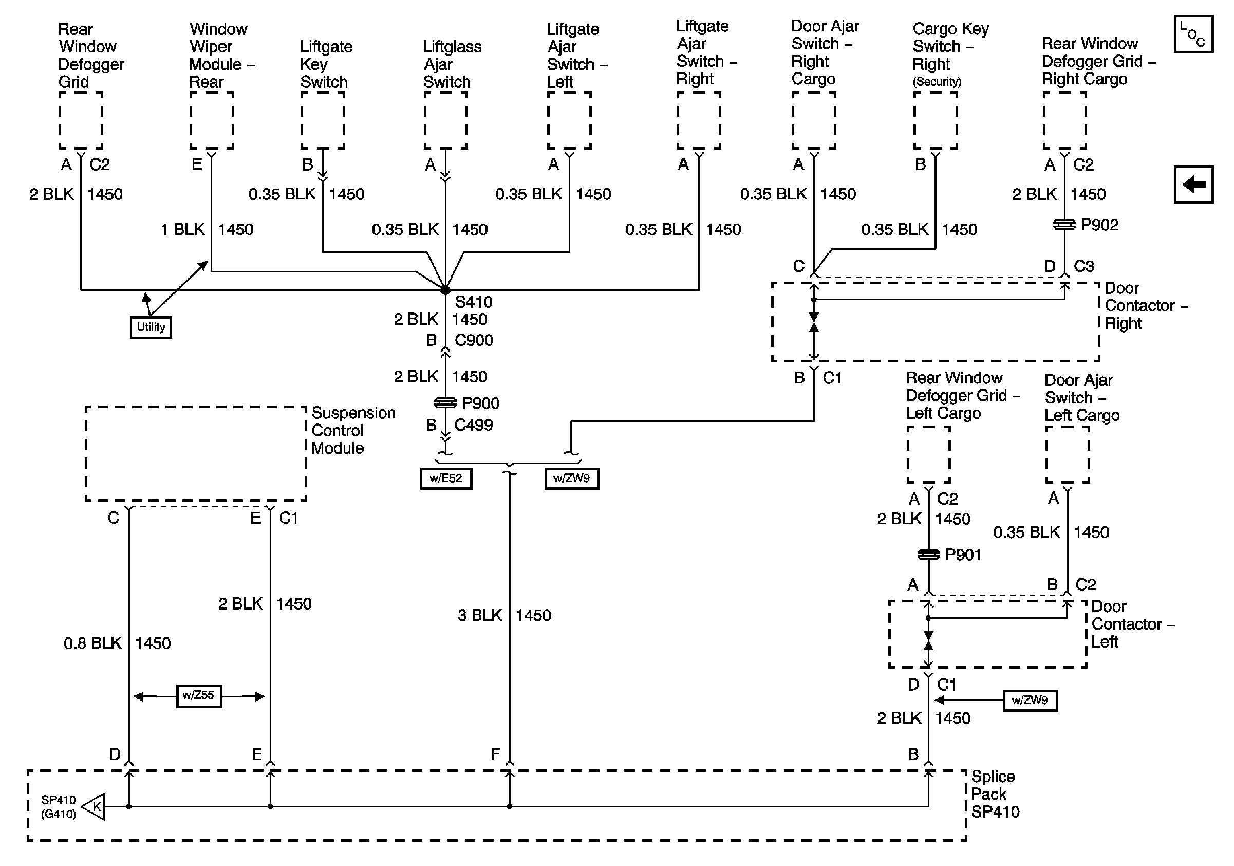
🢒 G410 - 2 of 2
G410 - 2 of 2
G410 - 2 of 2
Master Electrical Component List
G410 - 1 of 2
G410 - 1 of 2