GM Service Manual Online
For 1990-2009 cars only
Makes
🢒
Chevrolet
🢒
2005
🢒
Astro - 2WD
🢒
Body
🢒
Wiring Systems
🢒 Retained Accessory Power (RAP) Schematics
Figure
1:
RAP Relay, BCM
Master Electrical Component List
Retained Accessory Power (RAP) Description and Operation
Power Window Switch, Radio, Overhead Console
B+ Bus
Ignition Switch - ACC/RUN and RUN Bus Bars
Ignition Switch - ACC/RUN and RUN Bus Bars
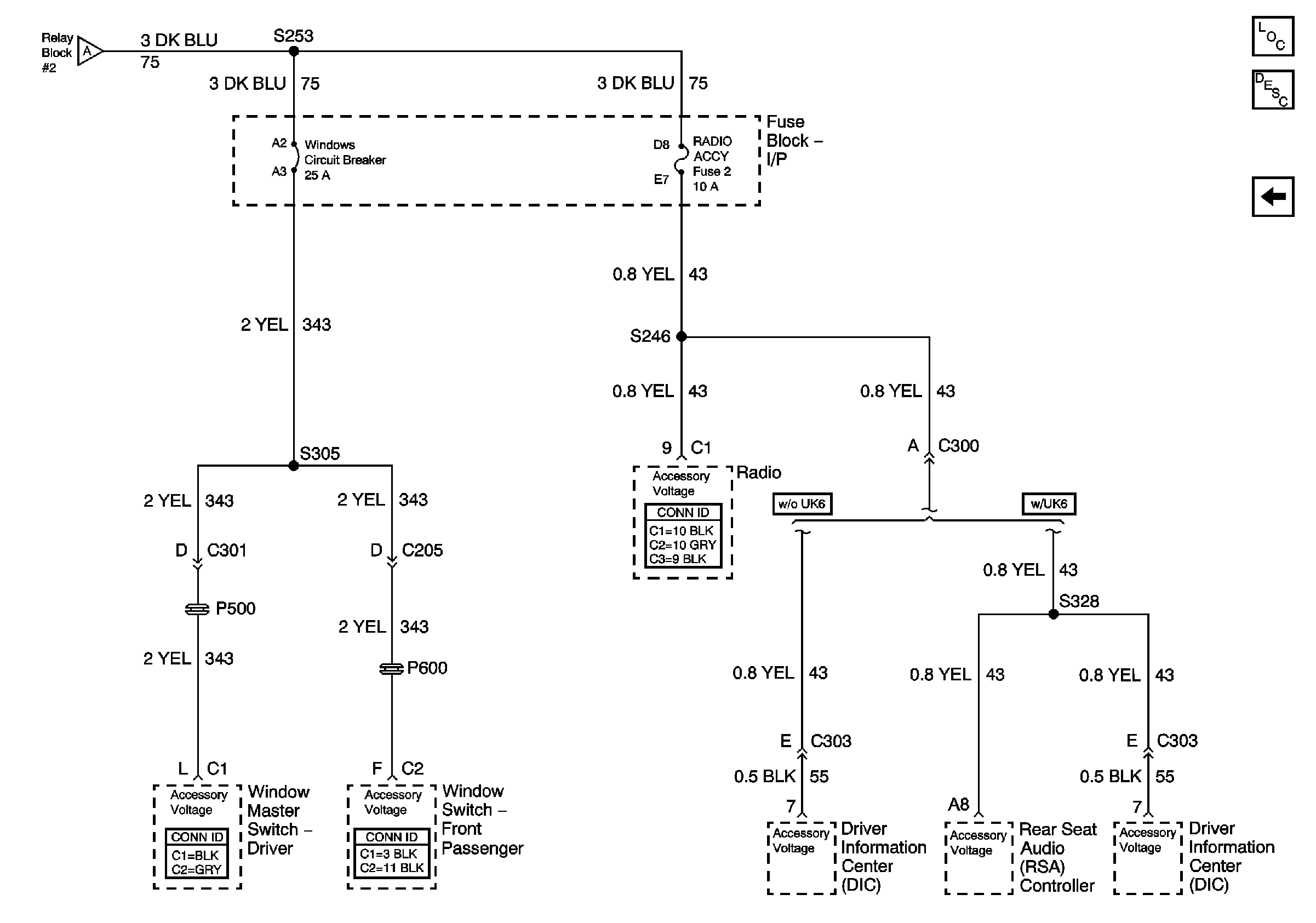
Power Window Switch, Radio, Overhead Console
Figure
2:
Power Window Switch, Radio, Overhead Console
Master Electrical Component List
Retained Accessory Power (RAP) Description and Operation
RAP Relay, BCM
RAP Relay, BCM