GM Service Manual Online
For 1990-2009 cars only
Makes
🢒
Chevrolet
🢒
2005
🢒
Astro - 2WD
🢒 Fuel Controls
Fuel Controls
Fuel Controls
Master Electrical Component List
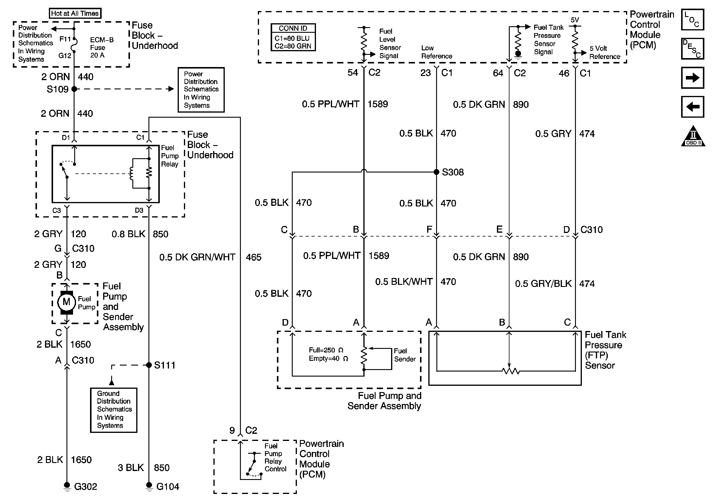
Fuel System Description
Fuel Injection Controls
Ignition Controls
OBD II Symbol Description Notice
B+ Bus
ABS, A/C COMP, ECM-B, HORN, HTD MIR/RR DEFOG, and RAP Fuses
G104