GM Service Manual Online
For 1990-2009 cars only
Makes
🢒
Chevrolet
🢒
2005
🢒
Astro - 2WD
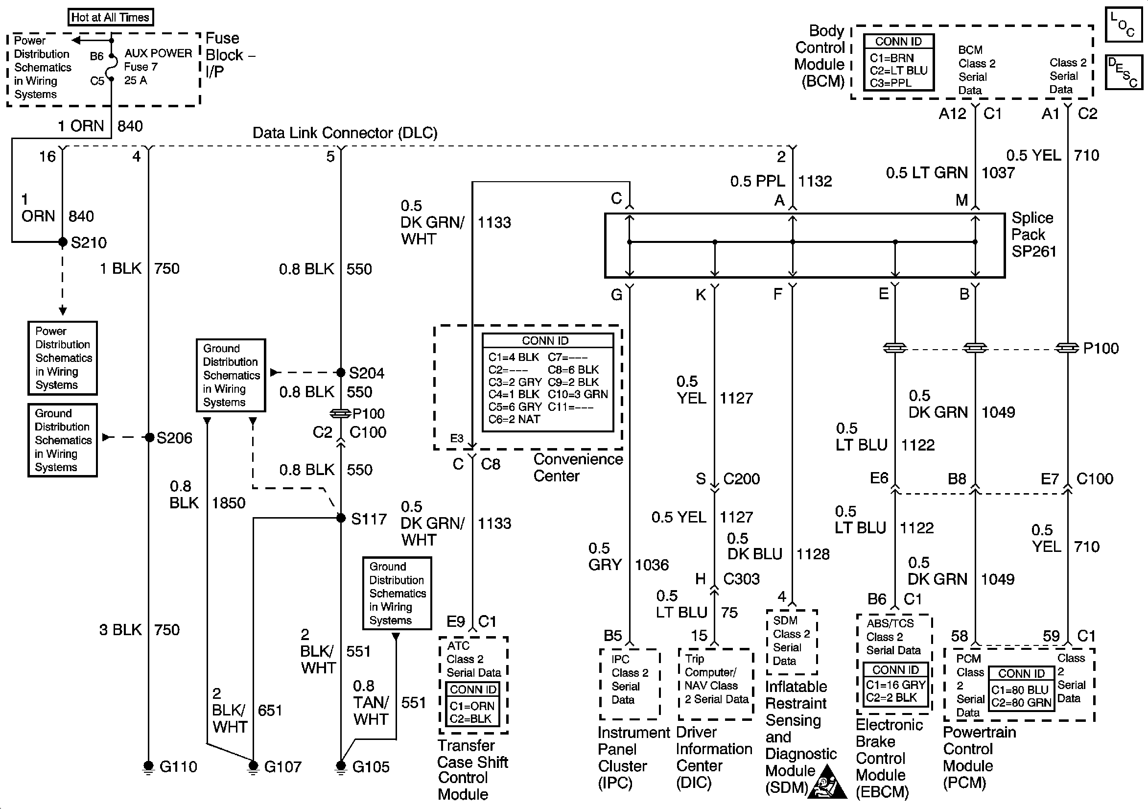
🢒 Data Link Connector (DLC) Schematics
Data Link Connector (DLC) Schematics
Master Electrical Component List
Data Link Communications Description and Operation
B+ Bus
AUX PWR, and STOP/HAZ Fuses
G110 - Page 1 of 2
G105 and G107
G105 and G107
SIR Caution for Zoning