GM Service Manual Online
For 1990-2009 cars only
Makes
🢒
Chevrolet
🢒
2005
🢒
Astro - 2WD
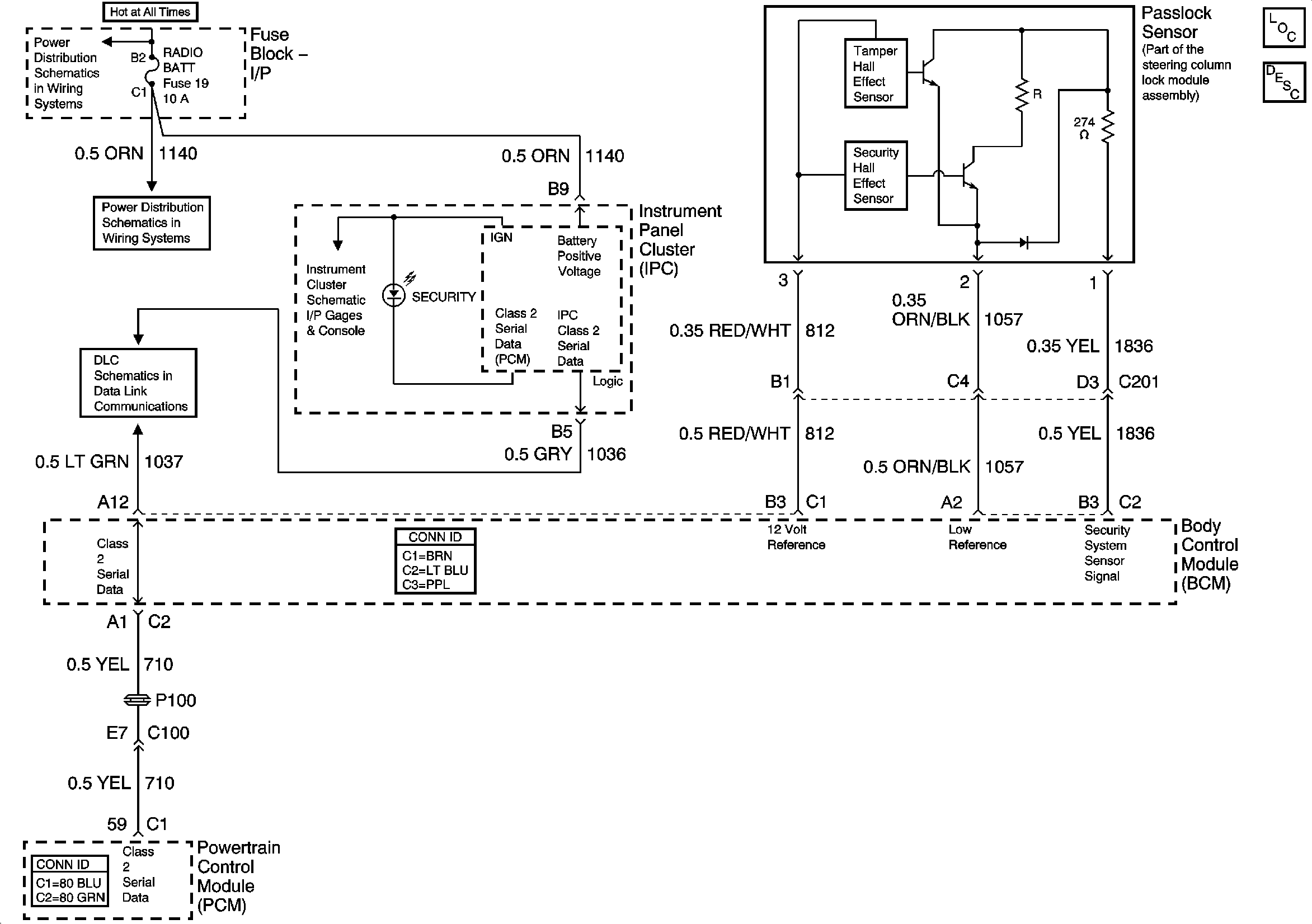
🢒 Theft Deterrent Schematics
Theft Deterrent Schematics
Master Electrical Component List
Theft Systems Description and Operation
B+ Bus
CIG LTR, CRANK, and RADIO BATT Fuses
Indicators
Headlamp and Panel Dimmer Switch, Ambient Light Sensor - VE1