GM Service Manual Online
For 1990-2009 cars only
Makes
🢒
Chevrolet
🢒
1996
🢒
Astro - 4WD
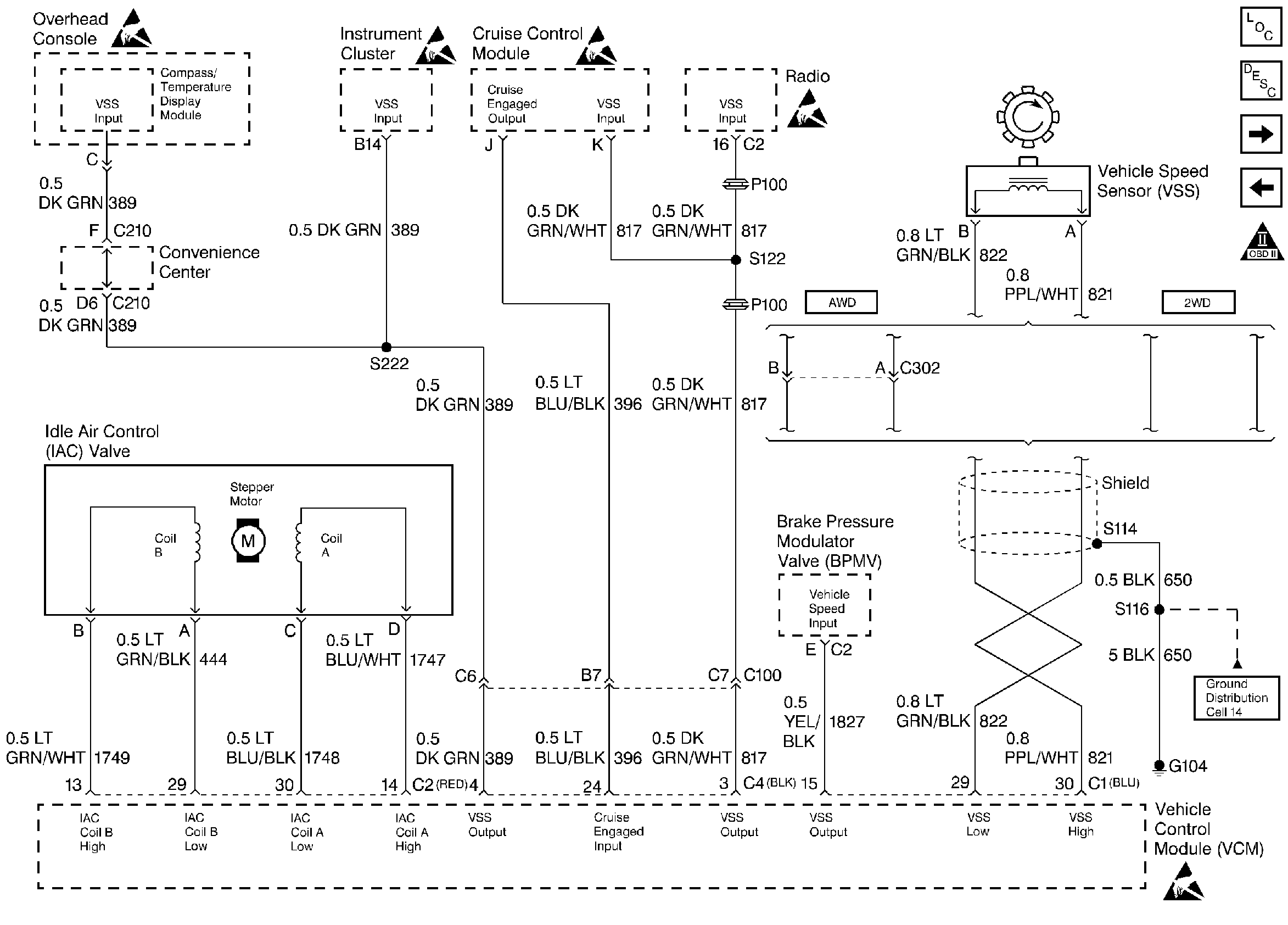
🢒 VSS and IAC
VSS and IAC
VSS and IAC
Handling ESD Sensitive Parts Notice
Handling ESD Sensitive Parts Notice
Handling ESD Sensitive Parts Notice
Handling ESD Sensitive Parts Notice
Handling ESD Sensitive Parts Notice
Engine Controls Components
Information Sensors 4.3L, 5.0L
Transmission Mechanization
H02S Mechanization
OBD II Symbol Description Notice