GM Service Manual Online
For 1990-2009 cars only

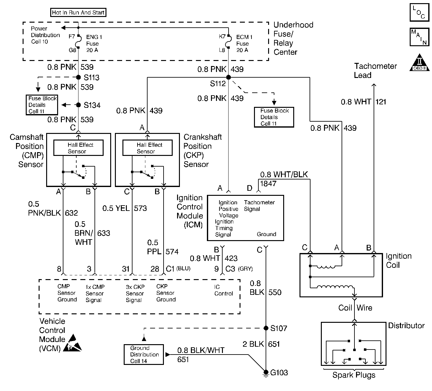
Object Number: 34410  Size: LF
Handling ESD Sensitive Parts Notice
Engine Controls Components
Camshaft, Crankshaft, and Ignition
OBD II Symbol Description Notice

Circuit Description

The crankshaft position (CKP) sensor and the camshaft position (CMP) sensor are used in order to detect an engine misfire. The VCM monitors the speed of the crankshaft. The VCM detects a deceleration of the crankshaft that is not associated with a normal engine speed reduction. In order to determine if a misfire occurred, the VCM compares the deceleration information to the engine speed and the engine load. If a misfire event is determined, the VCM compares the crankshaft position to the cam sensor signal in order to determine which cylinder misfired. The VCM stores the information in separate accumulators for each cylinder. Upon completion (or failure) of the test, the VCM evaluates the number of misfires in each accumulator. If the accumulators are somewhat even or if 3 or more cylinders are misfiring, then this determines that a random misfire has occurred. The VCM also utilizes the input from the ABS wheel speed sensor in order to determine if a rough road condition exists which could cause a crankshaft acceleration and deceleration. If a rough road condition exists, the diagnostic will not run. This DTC is a type B DTC.

Conditions for Setting the DTC

    • No TP sensor DTCs
    • No MAF sensor DTCs
    • No IC sensor DTCs
    • No VS sensor DTCs
    • No Crankshaft Position sensor DTCs
    • Rough road is not detected.
    • The ECT is between -6.75°C and 95.2°C.
    • The engine speed between 300 RPM and 5600 RPM
    • The system voltage between 9 volts and 16 volts
    • The positive throttle position change is less than 4.9% for 100 msec.
    •  The negative throttle position change is less than 2.9% for 100 msec.
    • A misfire is detected.

Action Taken When the DTC Sets

If the VCM determines that the engine misfire is significant enough to have a negative impact on emissions, the VCM turns ON the malfunction indicator lamp (MIL) after the misfire has been detected on 2 non-consecutive trips under the same operating conditions. If the misfire is severe enough that catalytic converter damage could result, the MIL flashes while the misfire is present.

Conditions for Clearing the MIL/DTC

The VCM turns OFF the MIL after 3 consecutive driving trips without a fault condition present. A history DTC will clear if no fault conditions have been detected for 40 warm-up cycles (the coolant temperature has risen 22°C (40°F) from the start-up coolant temperature and the engine coolant temperature exceeds 71°C (160°F) during that same ignition cycle) or the scan tool clearing feature has been used.

Diagnostic Aids

If the Misfire Index indicates that one bank of the engine is experiencing misfire, the HO2S for that bank may be malfunctioning (i.e. Bank 1 Sensor 1 or Bank 2 Sensor 1). If the Misfire Index indicates that paired cylinders (i.e. cylinders 1-4, 6-3 and 5-2 for V6 applications and 1-6, 8-5, 4-7 and 3-2 for V8 applications) are experiencing misfire, inspect the CKP sensor reluctor ring for damage.

The Misfire Index counts the number of misfires. The scan tool can monitor the Misfire Index. There is a current and history misfire counter for each cylinder. Use the current misfire counter in order to determine which cylinder is misfiring.

Many different conditions could cause an intermittent misfire.

Check for the following conditions:

  1. Check the spark plug wires and the coil wire for the following conditions:
  2. • Ensure that the spark plug wires are securely attached to the spark plugs and the distributor cap.
    • Check the wire routing in order to ensure that crossfiring is not occurring.
    • If the misfire occurs when the weather is damp, the problem could be due to worn plug wires.
    • In order to test for this condition, spray the wires with water. With the engine running, watch for a spark to jump from the wires. If a spark is visible, replace the wires.
  3. Check for contaminated and a low fuel level and the following conditions:
  4. • Check the fuel condition and quality. Dirty or contaminated fuel could cause a misfire condition.
    • If the fuel level is low, contaminants in the bottom of the fuel tank could enter into the fuel metering system.
    •  For more information, refer to Fuel Supply System.

Test Description

The numbers below refer to the step numbers on the diagnostic table.

  1. If DTCs P0337 (Crankshaft Position Sensor Circuit Low Input) or P0338 (Crankshaft Position Sensor Circuit - High Input) are set, this could result in a misfire condition.

  2. In order to duplicate the conditions under which the misfire occurred, it may be necessary to drive the vehicle and monitor the scan tool DTC Set This Ignition Cycle variable.

  3. When checking the spark at the spark plug wires, the spark should be consistent. A few sparks then nothing is no spark.

  4. At this point, the ignition system is OK and the problem may be in the fuel system. Fuel System Diagnosis must be performed in order to determine the cause of the problem.

Step

Action

Value(s)

Yes

No

1

Important: Before clearing the DTCs, use the scan tool in order to record the Freeze Frame and the Failure Records for reference. Using the Clear Info function will lose this data.

Was the Powertrain On-Board Diagnostic (OBD) System Check performed?

--

Go to Step 2

Go to Powertrain On Board Diagnostic (OBD) System Check

2

Review Failure Records data.

Are there any other DTCs stored?

--

Go to Applicable DTC Table

Go to Step 3

3

  1. Install a scan tool.
  2. With engine idling, monitor the MAP sensor voltage on the scan tool.

Is the MAP sensor voltage greater than the specified value?

4.0 V

Go to DTC P0108 Manifold Absolute Pressure (MAP) Sensor Circuit High Voltage

Go to Step 4

4

Duplicate the conditions during which the misfire occurred.

Is the DTC active at the ignition cycle?

--

Go to Step 5

Go to Step 10

5

Using a scan tool, review the Misfire Index. Is the Misfire Index increasing for more than one cylinder?

--

Go to Diagnostic Aids

Go to Step 6

6

  1. Install the spark plug tester J 26792 on number 1 spark plug wire.
  2. Disconnect the fuel injector harness at the intake manifold.
  3. Crank the engine, spark should jump the tester gap.
  4. Repeat for each spark plug wire.

Was the spark adequate on all of the spark plug wires?

--

Go to Step 7

Go to Step 11

7

Inspect the spark plugs for wear, excessive air gaps, cracks, or fouling.

Are the spark plugs OK?

--

Go to Step 8

Go to Step 12

8

Perform a cyclinder compression test. Refer to Engine Machanical.

Was a problem found?

--

Go to Step 14

Go to Step 9

9

Refer to Fuel System Pressure Test .

Is the fuel system OK?

--

Go to Step 10

Go to Step 13

10

Misfire is intermittent and is currently not active.

Go to the Diagnostic Aids

--

--

--

11

Refer to Enhanced Ignition System Diagnosis .

--

--

--

12

Replace the spark plugs.

Is the action complete?

--

Go to Step 14

--

13

Make repairs as indicated by the Fuel System Diagnosis. Refer to Fuel System Pressure Test .

--

Go to Step 14

--

14

  1. Using the scan tool, select the DTC and the Clear Info.
  2. Start the engine.
  3. Idle at the normal operating temperature.
  4. Select the DTC and the Specific.
  5. Enter the DTC number which was set.
  6. Operate the vehicle within the conditions for setting this DTC as specified in the supporting text.

Does the scan tool indicate that this diagnostic ran and passed?

--

Go to Step 15

Go to Step 2

15

Using the scan tool, select Capture Info and Review Info.

Are any DTCs displayed that have not been diagnosed?

--

Go to the Applicable DTC Table

System OK