GM Service Manual Online
For 1990-2009 cars only

Object Number: 34415  Size: LF
Handling ESD Sensitive Parts Notice
Engine Controls Components
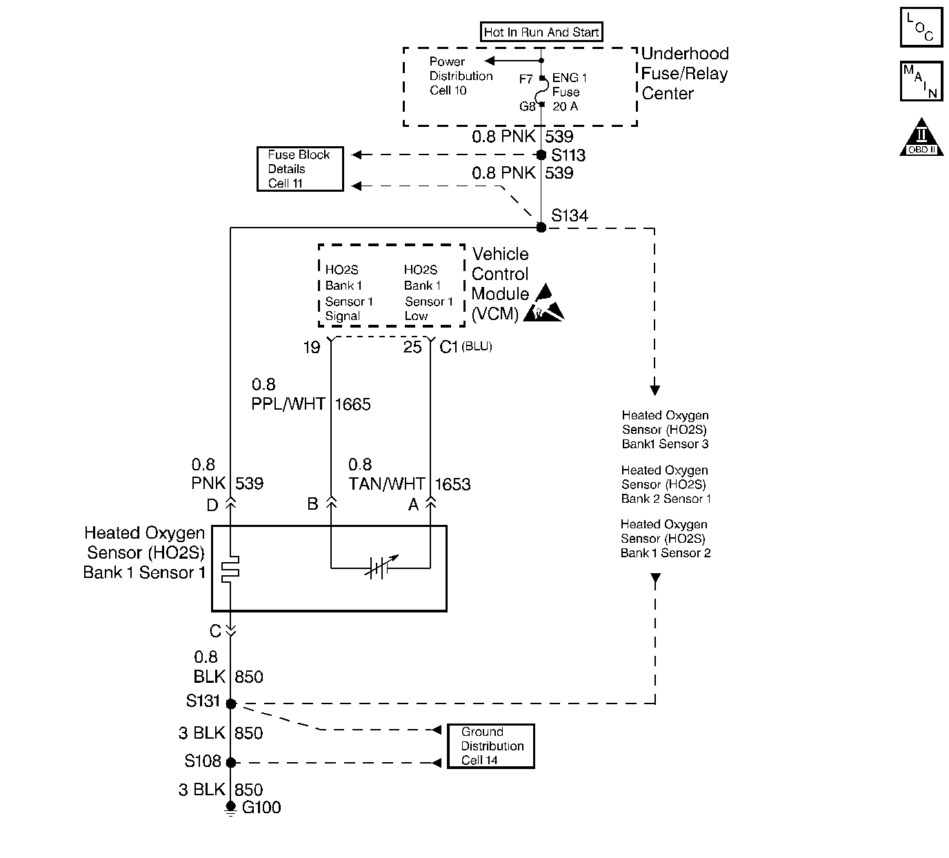
H02S Mechanization
OBD II Symbol Description Notice

Circuit Description

In order to provide the best possible combination of driveability, fuel economy, and emission control, the vehicle uses a Closed Loop air and fuel metering system. While in a Closed Loop, the VCM monitors the oxygen sensor signal voltage. The VCM adjusts the fuel delivery based on a signal voltage. The long and short term fuel values, which a scan tool can monitor, indicates a change made to the fuel delivery. Ideal fuel trim values are around 128; if the oxygen sensor signal indicates a lean condition, the VCM adds fuel. This results in fuel trim values above 128. If the oxygen sensor detects a rich condition, the fuel trim values will read below 128. This indicates that the VCM is reducing the amount of fuel delivered. If an excessively lean condition is detected, the VCM sets this DTC which is a type B DTC.

Conditions for Setting the DTC

    • No IAC or idle DTCs
    • No HO2S sensor DTCs
    • No TP sensor DTCs
    • No MAP sensor DTCs
    • No EGR sensor DTCs
    • No EVAP sensor DTCs
    • No ECT sensor DTCs
    • No MAF sensor DTCs
    • No IAT sensor DTCs
    • No VS sensor DTCs
    • No system voltage DTCs
    • No Misfire DTCs
    • Throttle position less than 69.9%
    • Engine speed greater than 575 RPM but less than 4500 RPM
    • The BARO greater than 70 kPa
    • The ECT greater than 0°C but less than 99.7°C
    • The MAP is greater than 20 kPa but less than 98.9 kPa.
    • The IAT greater than -20° C but less than 69.7° C
    • The air flow greater than 3 grams per second but less than 150 grams per second
    • The vehicle speed less than 85 mph
    • The average of short term fuel trim is no more than 115.

Action Taken When the DTC Sets

Important: To complete a trip cycle for the fuel trim diagnostic, the fuel trim diagnostic test must enable and run according to the current DTC Will Set When criteria above. A trip is not considered complete until the fuel trim diagnostic has run by the VCM.

When the current DTC initially sets, a software flag indicating an emissions related fault sets for 3 trips. The flag will clear provided the lean condition is no longer present. However, if the VCM detects the conditions for setting the current DTC during a trip while the flag is still set, the VCM turns on the MIL (Malfunction Indicator Lamp). The MIL remains on during all of the subsequent trips until the DTC has been cleared by service or the lean condition has not been detected and the conditions for checking the fuel trim have been met for 3 consecutive trips.

Conditions for Clearing the MIL/DTC

The VCM turns OFF the MIL after 3 consecutive driving trips without a fault condition present. A history DTC will clear if no fault conditions have been detected for 40 warm-up cycles (the coolant temperature has risen 22°C (40°F) from the start-up coolant temperature and the engine coolant temperature exceeds 71°C (160°F) during that same ignition cycle) or the scan tool clearing feature has been used.

Diagnostic Aids

If using the diagnostic tables does not isolate the problem, try monitoring the L. T. fuel trim and fuel trim cell while operating the vehicle under various loads. This may isolate the condition which caused the setting of this DTC.

A condition that causes the DTC P0300 Engine Misfire Detected may also set this DTC; conversely an extremely lean condition which sets the current DTC can cause a misfire at idle and the DTC P0300 to set. If the cause of this DTC cannot be determined and the DTC P0300 is also set, refer to DTC P0300 Engine Misfire Detected .

Test Description

The numbers below refer to step numbers on the diagnostic table.

  1. Visually and physically check the items that can cause a lean condition in order to determine the cause of the DTC being set.

Step

Action

Value(s)

Yes

No

1

Important: Before clearing the DTCs, use the scan tool in order to record the Freeze Frame and the Failure Records for reference. Using the Clear Info Function will lose this data.

Was the Powertrain On-Board Diagnostic (OBD) System Check performed?

--

Go to Step 2

Go to Powertrain On Board Diagnostic (OBD) System Check

2

Visually and physically check the following items:

    • The exhaust system for corrosion and loose or missing hardware.
    • The heated oxygen sensor is installed securely, and the pigtail harness is not contacting the exhaust manifold or ignition wires.
    • The vacuum hoses for splits, kinks, and proper connections.
    • The throttle body, intake manifold, and EGR valve for vacuum leaks.
    • Idle Air Control (IAC); if a high or unsteady idle is being experienced.
    • The Crankcase Ventilation Valve, spring and O-ring for proper installation.
    • The fuel for excessive water, alcohol, or other contaminates.
    • VCM and sensor grounds are clean, tight and in the proper location.

Was a repair made?

--

Go to Step 7

Go to Step 3

3

  1. Connect a fuel pressure gauge to the fuel rail fitting. Refer to Fuel Control.
  2. Turn off the ignition for 10 seconds. Make sure the A/C is off.
  3. Turn ON the ignition.
  4. The fuel pump should run for 2 seconds.
  5. The ignition may have to be cycled ON more than once in order to obtain maximum pressure.
  6. Monitor the fuel pressure with the fuel pump running. The fuel pressure should be between the specified value.
  7. When the fuel pump stops, the fuel pressure may vary slightly, then should hold steady.

Is pressure between the specified value and does it hold?

415-455 kPa (60-66 psi)

Go to Step 4

Go to Step 10

4

  1. Start the engine.
  2. Idle the engine at the normal operating temperature.

Does the fuel pressure noted in the above step drop to the specified value?

21-69 kPa (3 10 psi)

Go to Step 5

Go to Step 10

5

Perform the Fuel Injector Balance Test . Refer to Fuel Injector Balance Test .

Was an injector problem found?

--

Go to Step 9

Go to Step 6

6

  1. Connect a scan tool.
  2. Operate the vehicle in a Closed Loop while monitoring L.T. and S.T. fuel trim values.
  3. L.T. fuel trim should decrease below the specified value.

Does the S.T. fuel trim decrease by the specified value?

158 counts

180 counts

Go to Step 11

Go to Diagnostic Aids

7

  1. Repair the items found in Step 2.
  2. Operate the vehicle in a Closed Loop while monitoring L.T. and S.T. fuel trim values.
  3. L.T. fuel trim should decrease below the specified value.

Does the S.T. fuel trim decrease by the specified value?

158 counts

180 counts

Go to Step 11

Go to Step 3

8

  1. Replace the fuel injector. Refer to Fuel Injector Replacement (Central SFI) .
  2. Operate the vehicle in a Closed Loop while monitoring L.T. and S.T. fuel trim values.
  3. L.T. fuel trim should decrease below the specified value

Does the S.T. fuel trim decrease by the specified value?

158 counts

180 counts

Go to Step 9

Go to Diagnostic Aids

9

The lean condition is not present. If a driveability symptom still exists, refer to the Driveability Symptoms.

--

Go to Step 11

--

10

Refer to Fuel System Pressure Test .

Is the action complete?

--

Go to Step 11

--

11

  1. Using the scan tool, select DTC, Clear Info.
  2. Start the engine and idle at the normal operating temperature.
  3. Select DTC, Specific.

  4. Enter the DTC number which was set.
  5. Operate vehicle within the conditions for setting this DTC as specified in the supporting text.

Does scan tool indicate that this diagnostic ran and passed?

--

Go to Step 12

Go to Step 2

12

Using the scan tool, select Capture Info and Review Info.

Are any DTCs displayed that have not been diagnosed?

--

Go to The Applicable DTC Table

System OK