GM Service Manual Online
For 1990-2009 cars only
Makes
🢒
Chevrolet
🢒
2000
🢒
Astro - 4WD
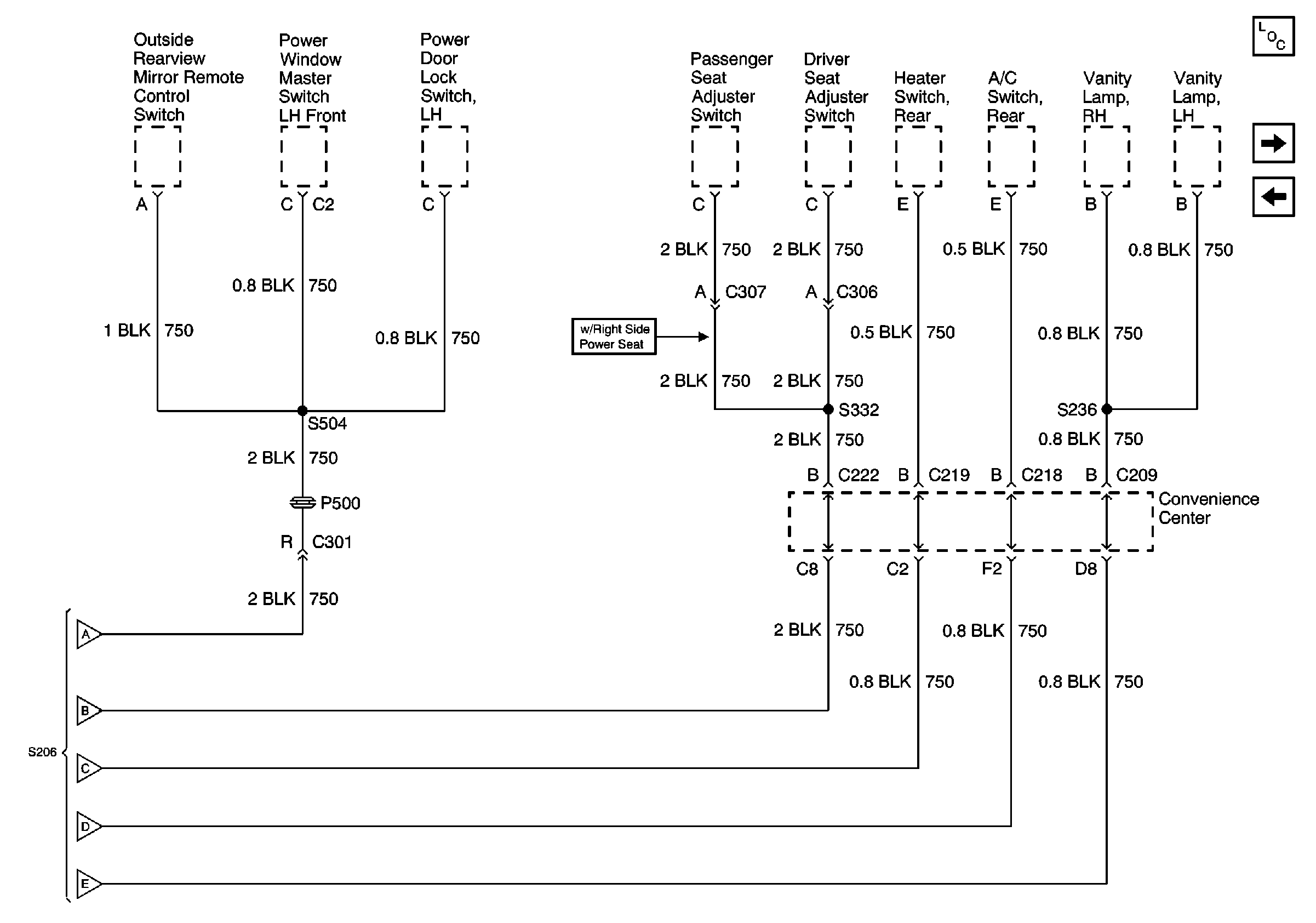
🢒 G110 (2 of 2)
G110 (2 of 2)
G110 (2 of 2)
Power and Grounding Components
G200 (1 of 2)
G110 (1 of 2)
G110 (1 of 2)
G110 (1 of 2)
G110 (1 of 2)
G110 (1 of 2)
G110 (1 of 2)