GM Service Manual Online
For 1990-2009 cars only
Makes
🢒
Chevrolet
🢒
2000
🢒
Astro - 4WD
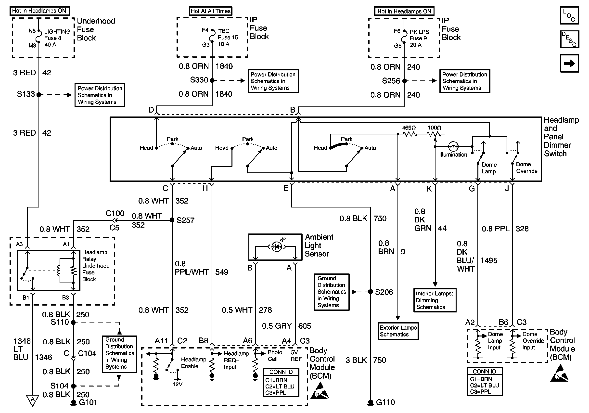
🢒 Headlamp and Panel Dimmer Switch, Ambient Light Sensor, Headlamp Relay
Headlamp and Panel Dimmer Switch, Ambient Light Sensor, Headlamp Relay
Headlamp and Panel Dimmer Switch, Ambient Light Sensor, Headlamp Relay
Lighting Systems Components
Exterior Lights Circuit Description Domestic
Sealed Beam and Composite Headlamps
BATT and LIGHTING Fuse
BATT and LIGHTING Fuse
CTSY Fuse 3, PK LPS Fuse 9, TBC Fuse 15, and PWR MIR Fuse 21
G101, G106 and G302
Sealed Beam and Composite Headlamps
G110 (1 of 2)
Turn Indicators, Park/Turn Signal Lamps, Front Side Marker Lamps
Headlamp and Panel Dimmer Switch
Lighting Systems Schematic Icons
Lighting Systems Schematic Icons