GM Service Manual Online
For 1990-2009 cars only
Makes
🢒
Chevrolet
🢒
2000
🢒
Astro - 4WD
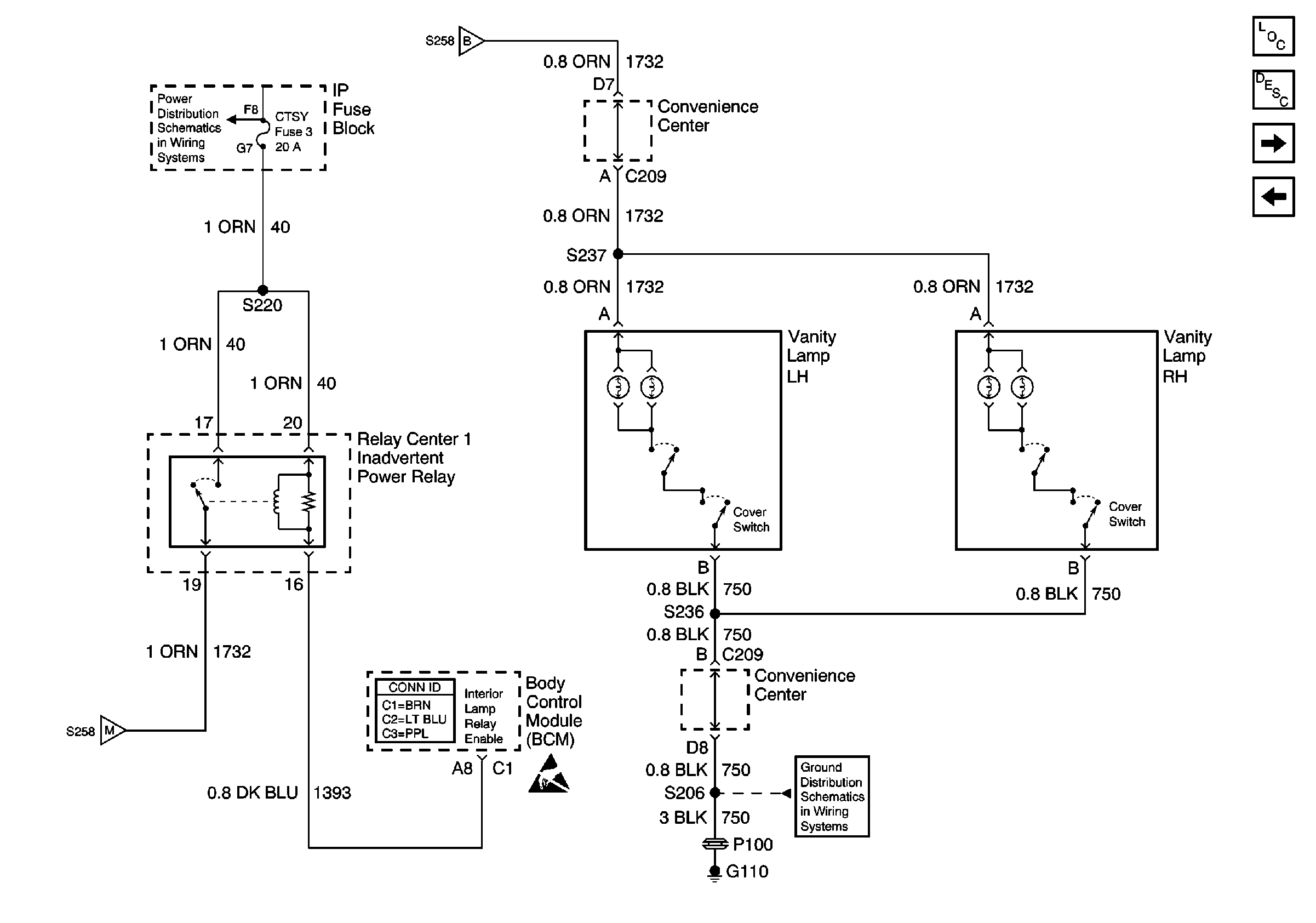
🢒 Inadvertent Power Relay, Vanity Lamps
Inadvertent Power Relay, Vanity Lamps
Inadvertent Power Relay, Vanity Lamps
Lighting Systems Components
Interior Lights Circuit Description
Auxiliary Power Outlets, Cigar Lighter
Front Dome/Reading Lamps
Courtesy Lamp Relay
BATT and LIGHTING Fuse
Courtesy Lamp Relay
G110 (1 of 2)
Lighting Systems Schematic Icons