GM Service Manual Online
For 1990-2009 cars only
Makes
🢒
Chevrolet
🢒
2000
🢒
Astro - 4WD
🢒 Dimming Rheostat
Dimming Rheostat
Dimming Rheostat
Lighting Systems Components
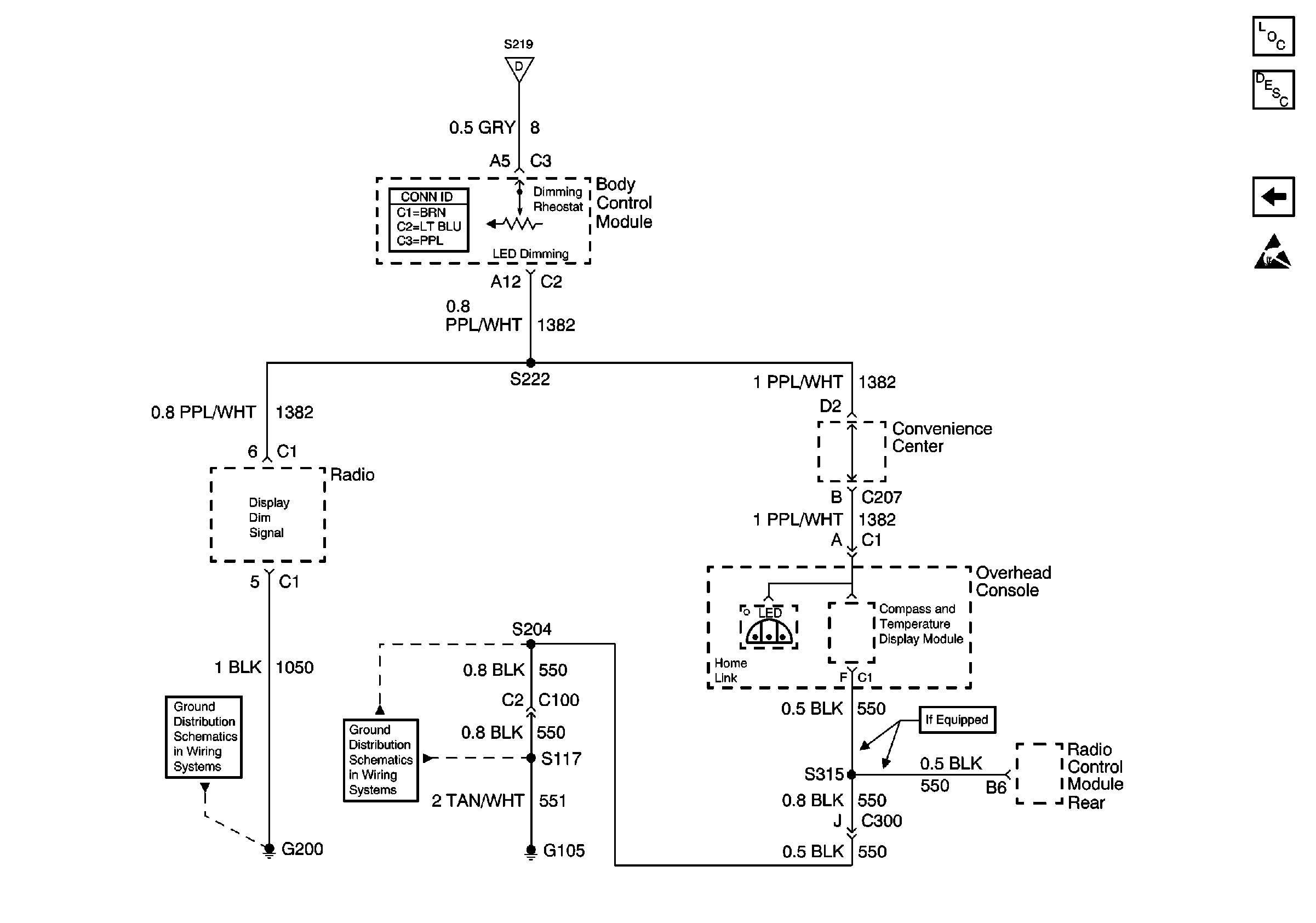
Interior Lights Dimming Circuit Description
Overhead Console, Convenience Center
Lighting Systems Schematic Icons
Headlamp and Panel Dimmer Switch
G200 (1 of 2)
G105 and G107
Lighting Systems Schematic Icons