GM Service Manual Online
For 1990-2009 cars only
Makes
🢒
Chevrolet
🢒
2001
🢒
Astro - 4WD
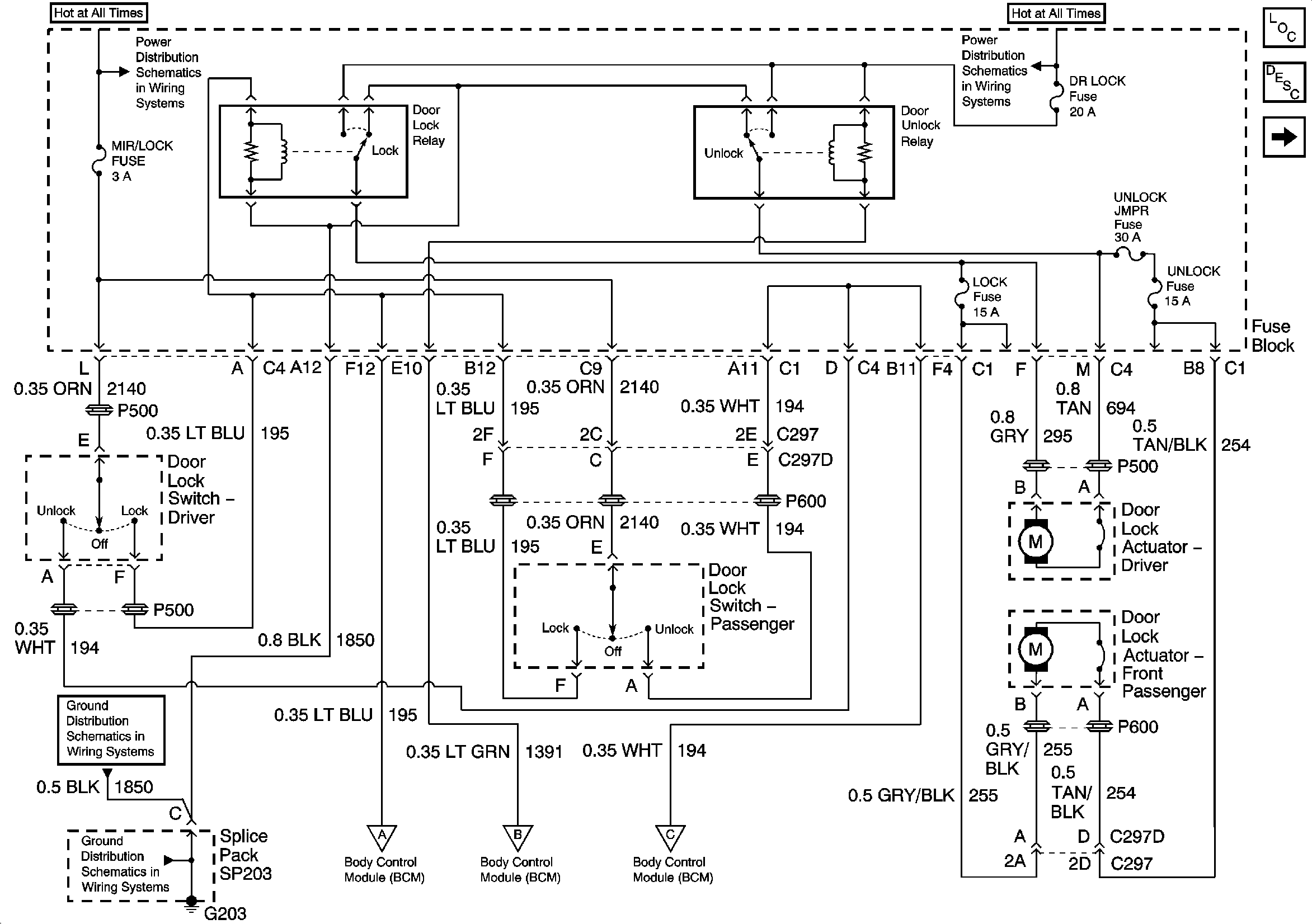
🢒 Lock and Unlock Relays, Door Lock Switches, BCM, G203
Lock and Unlock Relays, Door Lock Switches, BCM, G203
Lock and Unlock Relays, Door Lock Switches, BCM, G203
Master Electrical Component List
Power Door Locks Description and Operation
Ignition Key Alarm Switch and Vehicle Speed Signal
B+ Bus Bar
B+ Bus Bar
G203 - 1 of 4
G203 - 1 of 4
Ignition Key Alarm Switch and Vehicle Speed Signal