GM Service Manual Online
For 1990-2009 cars only
Makes
🢒
Chevrolet
🢒
2001
🢒
Astro - 4WD
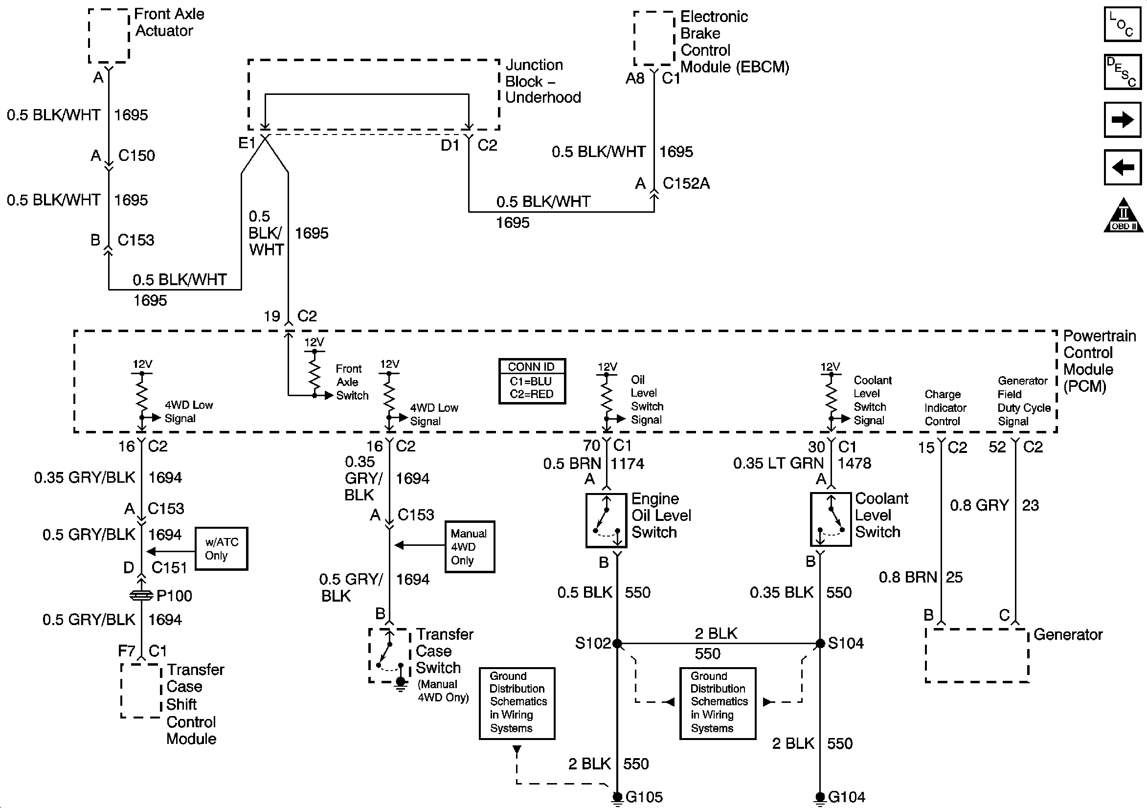
🢒 Coolant Level Switch, Engine Oil level Switch and Generator
Coolant Level Switch, Engine Oil level Switch and Generator
Coolant Level Switch, Engine Oil level Switch and Generator
Master Electrical Component List
Throttle Actuator Control (TAC) System Description
Automatic Transmission Controls References
Evaporative Emissions (EVAP) Canister Purge and Vent Solenoids and Exhaust Gas Recirculation (EGR) Valve
OBD II Symbol Description Notice
G104 - Gas
G103 and G105 - Gas