GM Service Manual Online
For 1990-2009 cars only
Makes
🢒
Chevrolet
🢒
2001
🢒
Astro - 4WD
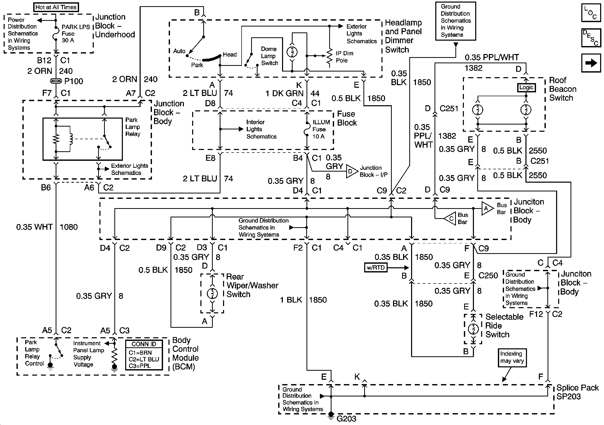
🢒 Dimming Control, Rear Wiper/Washer, Roof Beacon, and Selectable Ride Switches
Dimming Control, Rear Wiper/Washer, Roof Beacon, and Selectable Ride Switches
Dimming Control, Rear Wiper/Washer, Roof Beacon, and Selectable Ride Switches
Master Electrical Component List
Interior Lighting Systems Description and Operation
Transfer Case Shift Control and Traction Control Switches and IPC
B+ Bus Bar
Park Lamp Relay, FR PRK, TRL PRK, LR PRK, and RR PRK Fuses
Park Lamp Relay, FR PRK, TRL PRK, LR PRK, and RR PRK Fuses
G203 - 4 of 4 - Utility and Uplevel Pickup
HVAC Control Module, HVAC Control Assembly - Front Auxiliary, and Radio
Transfer Case Shift Control and Traction Control Switches and IPC
Transfer Case Shift Control and Traction Control Switches and IPC
G203 - 1 of 4
G203 - 1 of 4
G203 - 4 of 4 - Utility and Uplevel Pickup
Parklamp Control, Power Door Lock Switch, and Ashtray Lamp