GM Service Manual Online
For 1990-2009 cars only
Makes
🢒
Chevrolet
🢒
2001
🢒
Astro - 4WD
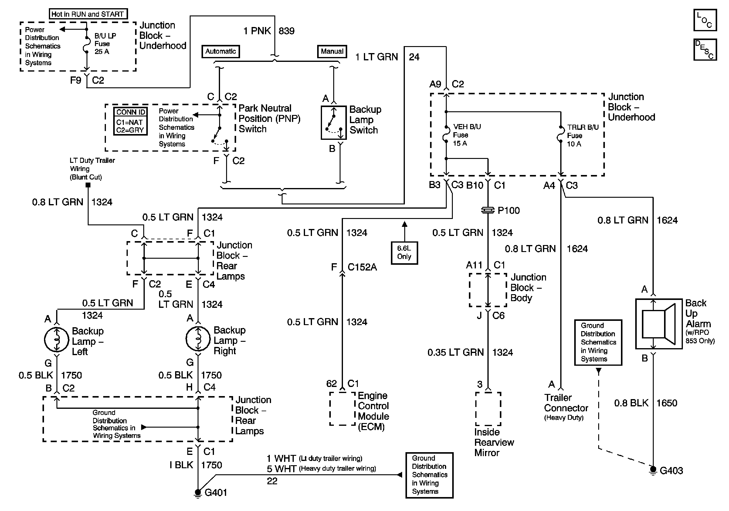
🢒 Backup Lamps Schematics - Pickup
Backup Lamps Schematics - Pickup
Master Electrical Component List
Exterior Lighting Systems Description and Operation
IGNITION, RUN, and START Bus Bar
B/U LP, BTSI, VEH B/U, and TRL B/U Fuses
G403
G401 - w/Rear Bussing Block
G401 - w/Rear Bussing Block