GM Service Manual Online
For 1990-2009 cars only
Makes
🢒
Chevrolet
🢒
2001
🢒
Astro - 4WD
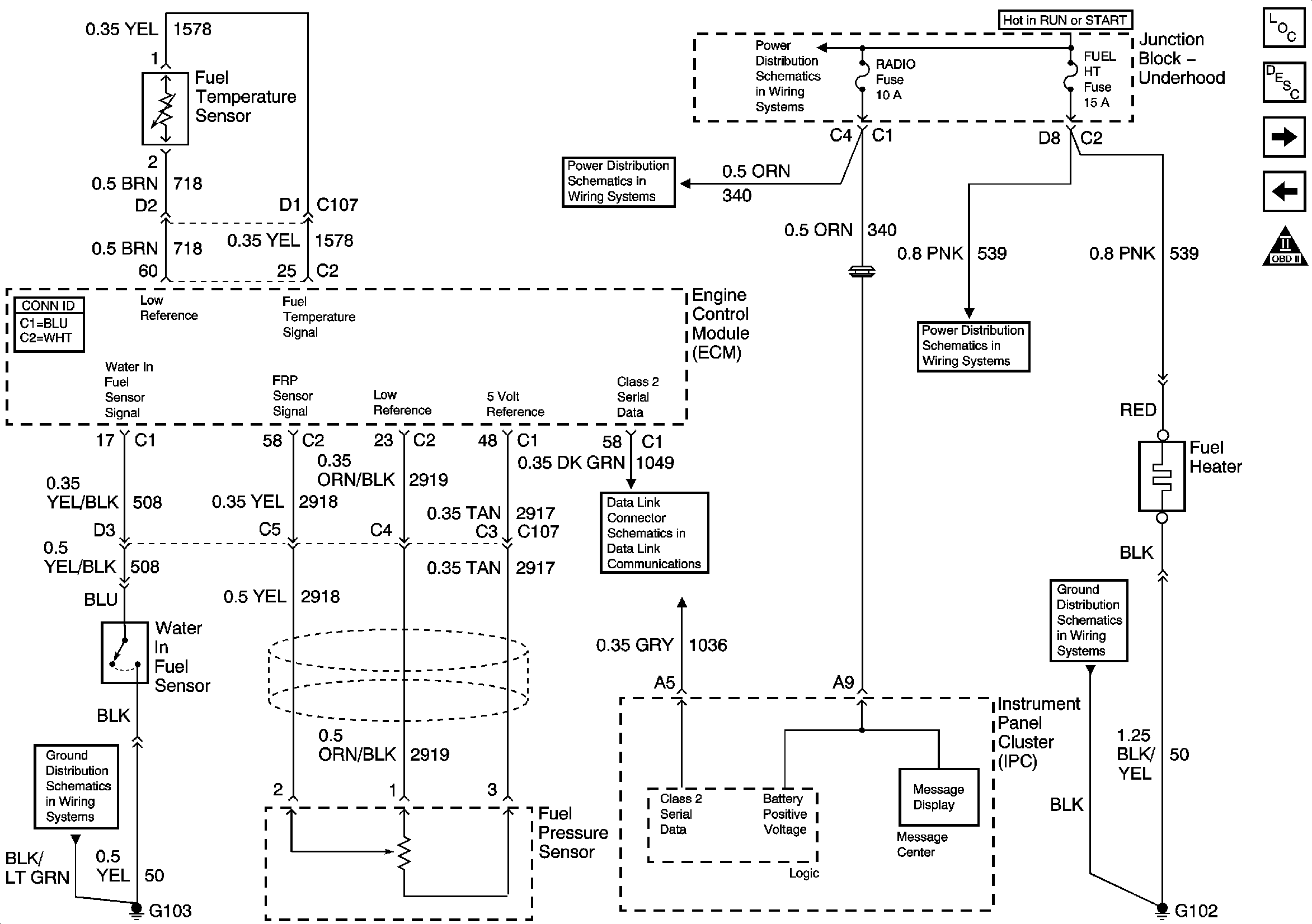
🢒 Fuel Controls - Water In Fuel, Fuel Temperature, and Fuel Pressure
Fuel Controls - Water In Fuel, Fuel Temperature, and Fuel Pressure
Fuel Controls - Water In Fuel, Fuel Temperature, and Fuel Pressure
Master Electrical Component List
Engine Control Module Description
Fuel Controls - Injector and Pressure Controls
Fuel Controls - Fuel Pump Controls
OBD II Symbol Description Notice
IGNITION, RUN, and START Bus Bar
AIR, RADIO, ECM B, FRT HVAC, and CIGAR Fuses
IGN 1 Relay, ECM I, FUEL HT, ENG 1, IGN E, ECMRPV, and INJ B Fuses - Diesel
SP205
G102, G103, and G104 - Diesel
G102, G103, and G104 - Diesel