GM Service Manual Online
For 1990-2009 cars only
Makes
🢒
Chevrolet
🢒
2001
🢒
Astro - 4WD
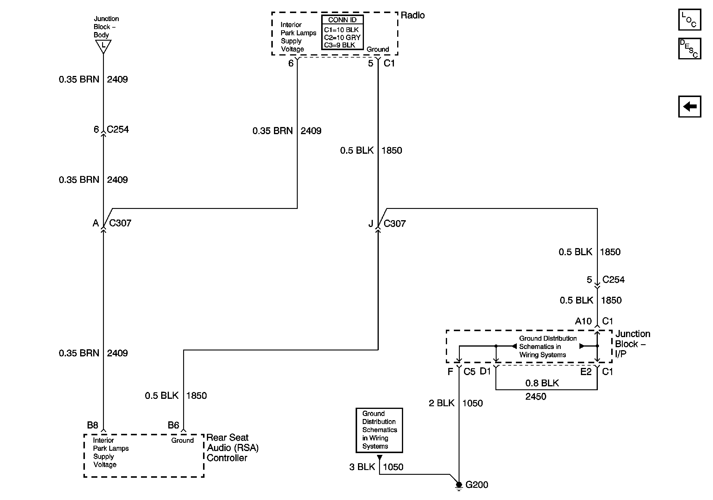
🢒 Rear Seat Audio Controller and Radio
Rear Seat Audio Controller and Radio
Rear Seat Audio Controller and Radio
Master Electrical Component List
Interior Lighting Systems Description and Operation
Door Ajar Switches - Cargo or Liftgate
PARK LPS Fuse, Parklamp Relay, Door Lock Switch-Driver, Heated Seat Switches, and Ashtray Lamp
G200 - 1 of 2
G200 - 1 of 2