GM Service Manual Online
For 1990-2009 cars only
Makes
🢒
Chevrolet
🢒
2001
🢒
Astro - 4WD
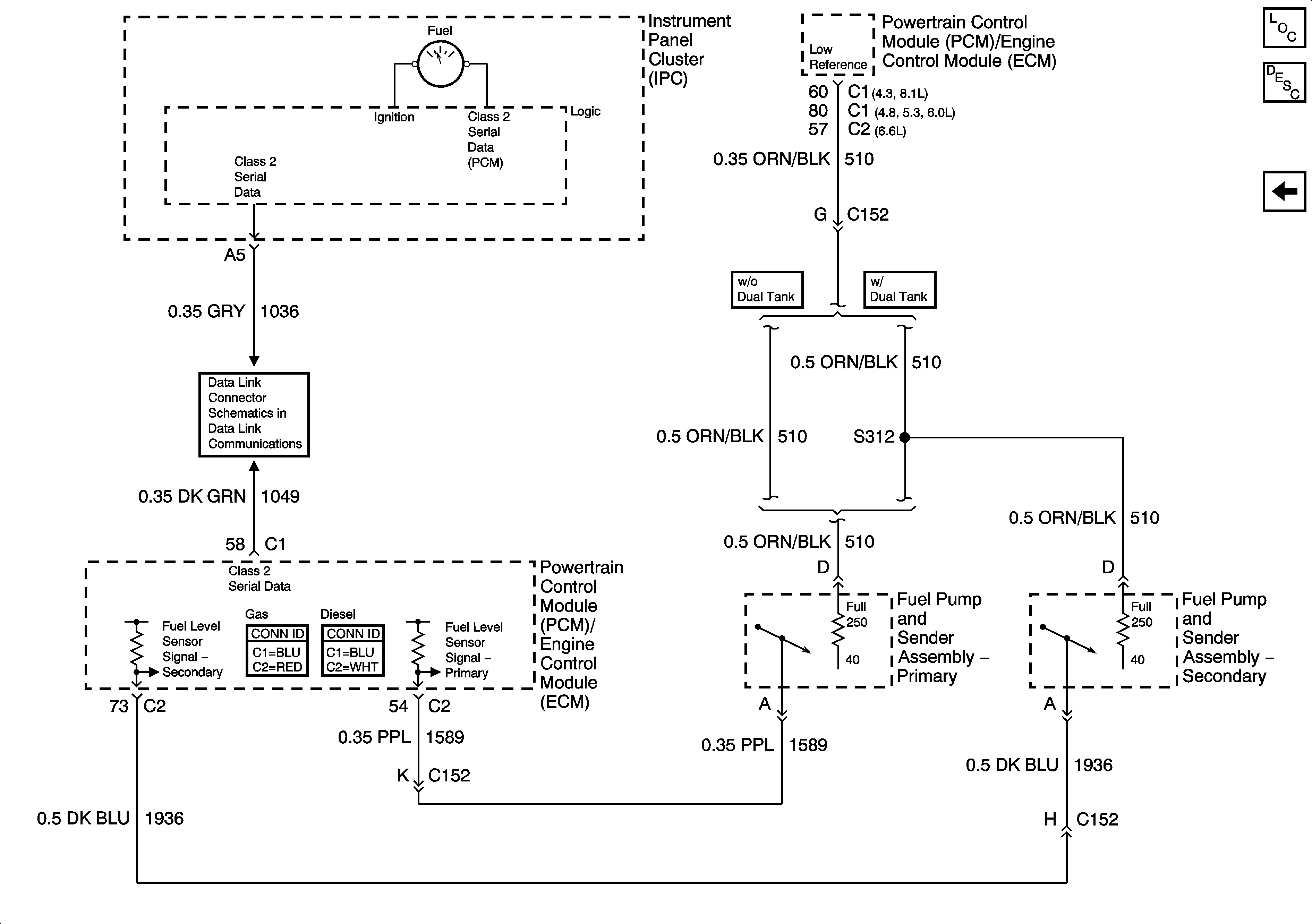
🢒 Fuel Gauge and Fuel Pump and Sender Assembly
Fuel Gauge and Fuel Pump and Sender Assembly
Fuel Gauge and Fuel Pump and Sender Assembly
Master Electrical Component List
Instrument Cluster Description and Operation
Gauges, VSS, and Engine Oil Signals
SP205