GM Service Manual Online
For 1990-2009 cars only

FRONT WHEELHOUSE PANEL WAVY APPEARANCE -CORSICA

MODEL AND YEAR: 1987 CORSICA

Customer comments that the wheelhouse liner panel is wavy or has a poor appearance can be repaired by installing a second generation wheelhouse liner. Vehicles assembled prior to the following breakpoints had first generation wheelhouse liners, some of which may be wavy:

Plant VIN Breakpoints ----- --------------- Wilmington 100648

Linden 104615

Second generation wheelhouse liners are installed at the top side of the fender flange rather than at the bottom side. The part numbers for the second generation liner are:

Part Numbers

10082239 Left Side 10082240 Right Side

Service Procedure

1. Remove original wheelhouse panel and discard.

2. Enlarge the holes where plastic fasteners were used to 17/64" diameter. Prime the drilled holes in the sheet steel with chromate primer. (Plastic fascia does not need to be primed.)

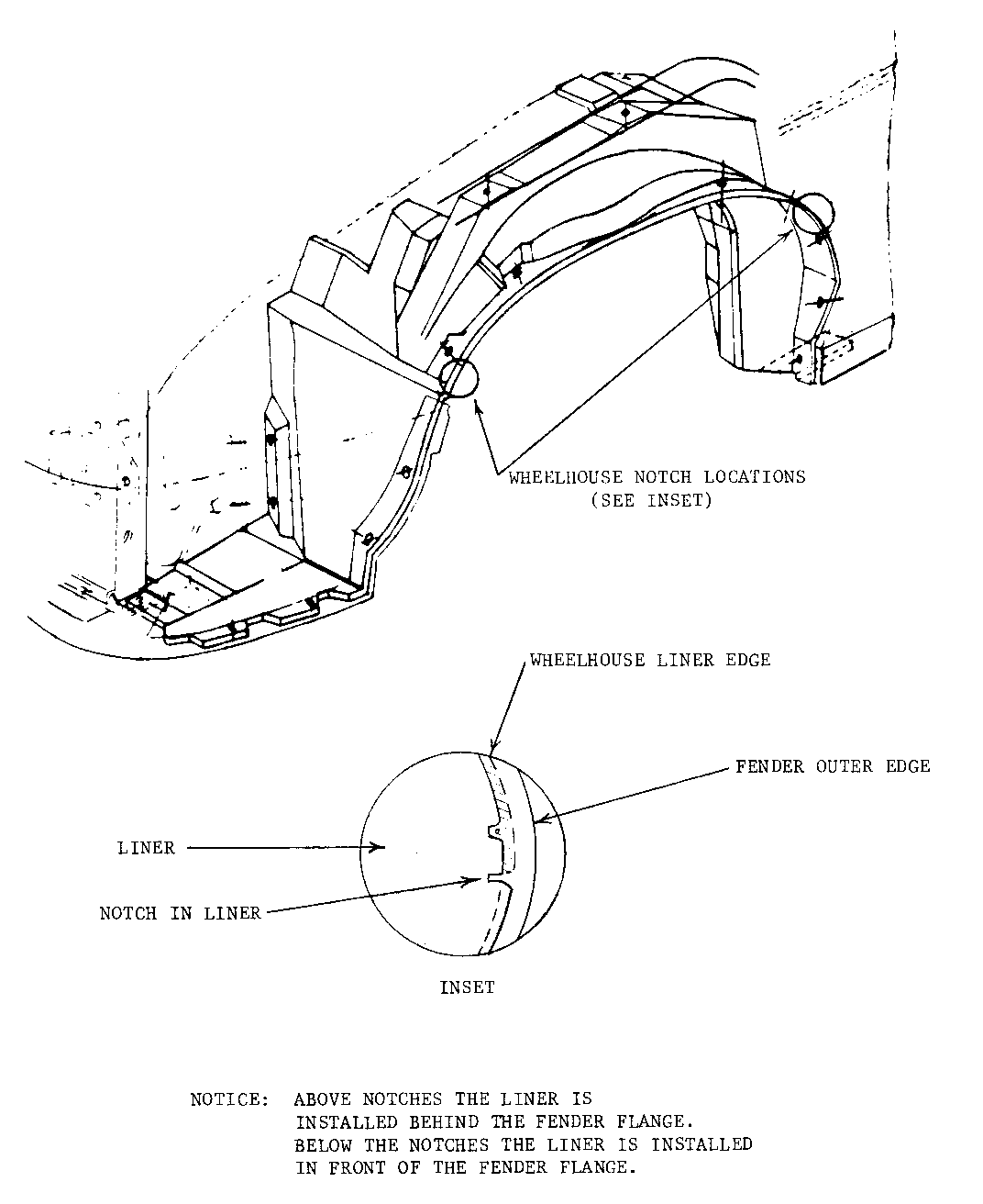
3. Install new wheelhouse liner. See Illustration and inset or any later 1987 Corsica for revised way of installing liner.

Reuse existing metal screws wherever they were used. However, use P/N 20433026, rivets, rather than the removed plastic fasteners. Seven (7) of these plastic rivets are required per side of vehicle.

Labor Operation Number: T1207

Labor Time: 1.1 Hours


Object Number: 83752  Size: FS

General Motors bulletins are intended for use by professional technicians, not a "do-it-yourselfer". They are written to inform those technicians of conditions that may occur on some vehicles, or to provide information that could assist in the proper service of a vehicle. Properly trained technicians have the equipment, tools, safety instructions and know-how to do a job properly and safely. If a condition is described, do not assume that the bulletin applies to your vehicle, or that your vehicle will have that condition. See a General Motors dealer servicing your brand of General Motors vehicle for information on whether your vehicle may benefit from the information.