GM Service Manual Online
For 1990-2009 cars only

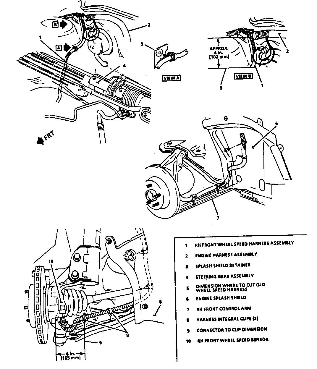
ABS LIGHT 'ON' CODES STORED REPLACE SPEED SENSOR HARNESS

Subject: ANTI-LOCK BRAKE (ABS) LIGHT "ON"

Model and Year: 1992 CORSICA AND BERETTA

Condition: ABS Light Codes 21 or 22 Poor Connection or Open Wire (Front Wheel Speed Sensor) or Codes 25 or 26 Excessive Wheel Speed Variation (Front).

Cause: Front Wheel Speed Sensor wires may break due to ABS Front Wheel Speed Sensors wiring leads not having sufficient length between the last control arm clip and the end of the Wheel Speed Sensor Connector.

Correction: If the above condition exists, follow the repair procedures below using the ABS Wheel Speed Sensor Lead Service kits.

Part Numbers:

12140077 Left Front 12140078 Right Front Parts are currently available from GMSPO.

1 . Raise and support vehicle on suitable hoist, as indicated in Section OA.

2. Disconnect front Wheel Speed Sensor electrical connector.

3. Remove harness attaching clips (2 at control arm) and (2 at splash shield) see attached callout 8.

4. Lower vehicle.

5. Remove harness attaching clip at strut tower, see attached callout 3.

6. Cut Wheel Speed Sensor harness FOUR INCHES from main engine harness, see attached callout 5.

7. Strip insulation on engine harness leads and new Wheel Speed Sensor leads.

8. Slide shrink tube over each engine harness lead.

9. Connect new Wheel Speed Sensor harness leads to engine harness leads, (matching color of leads). Solder connections and slide the shrink tube over soldered connections.

10. Heat shrink tube lightly to seal connections.

11. Route new harness down to control arm and insert attaching clip at strut tower.

12. Raise vehicle.

13. Insert attaching clips (2 at splash shield and 2 on lower control arm). See attached callout 8.

14. Connect Wheel Speed Sensor electrical connector.

15. Check the dimension of the last control arm clip and electrical connector for a dimension of 6 INCHES. .. See attached callout 9.

Labor Operation Number: T1853 Labor Time: .4 Hours


Object Number: 84216  Size: FS

General Motors bulletins are intended for use by professional technicians, not a "do-it-yourselfer". They are written to inform those technicians of conditions that may occur on some vehicles, or to provide information that could assist in the proper service of a vehicle. Properly trained technicians have the equipment, tools, safety instructions and know-how to do a job properly and safely. If a condition is described, do not assume that the bulletin applies to your vehicle, or that your vehicle will have that condition. See a General Motors dealer servicing your brand of General Motors vehicle for information on whether your vehicle may benefit from the information.