GM Service Manual Online
For 1990-2009 cars only

CAMPAIGN:SUSPENSION SUPPORT WELDS

Subject: PRODUCT SAFETY CAMPAIGN 94C03 - SUSPENSION SUPPORT WELDS

Model and Year: 1994 CHEVROLET CORSICA AND BERETTA

To: Select Chevrolet Dealers

The National Traffic and Motor Vehicle Safety Act, as amended, provides that each vehicle which is subject to a recall campaign of this type must be adequately repaired within a reasonable time after the owner has tendered it for repair. A failure to repair within sixty (60) days after tender of a vehicle is prima facie evidence of failure to repair within a reasonable time.

If the condition is not adequately repaired within a reasonable time, the owner may be entitled to an identical or reasonably equivalent vehicle at no charge or to a refund of the purchase price less a reasonable allowance for depreciation.

To avoid having to provide these burdensome solutions, every effort must be made to promptly schedule an appointment with each owner and to repair their vehicle as soon as possible. As you will see in reading the attached copy of the letter that is being sent to owners, the owners are being instructed to contact the Chevrolet Customer Assistance Center if their dealer does not remedy the condition within five (5) days of the mutually agreed upon service date. I f the condition is not remedied within a reasonable time, they are instructed on how to contact the National Highway Traffic Safety Administration.

DEFECT INVOLVED

General Motors has determined that a defect which relates to motor vehicle safety exists in certain 1994 Chevrolet Corsica and Beretta model vehicles. These vehicles may have been built with suspension support assemblies which may not meet General Motor's manufacturing specifications for weld integrity. If this condition is present, the front of the control arm may separate from the suspension support assembly. If this should occur, the affected tire/wheel assembly could move substantially out of its designed position and steering control could be severely impaired. If this were to occur while the vehicle was in motion, a vehicle crash could occur without prior warning.

To prevent the possibility of this condition occurring, dealers are to correct involved vehicles per the service procedure in this bulletin.

VEHICLES INVOLVED

Involved are the following 1994 Chevrolet Corsica and Beretta model vehicles:

DEALER CODE VIN MODEL ------ --- ----- 02013 1G1LD55M0RY100083 CORSICA 15156 1G1LD5546RY100167 CORSICA 15419 1G1LD55M8RY100235 CORSICA 15015 1G1LV1541RY100258 BERETTA 02181 1G1LV15M1RY100275 BERETTA 15910 1G1LD55M1RY100304 CORSICA 15161 1G1LD55M0RY100312 CORSICA 15015 1G1LD5547RY100422 CORSICA 15161 1G1LD5544RY100457 CORSICA 39196 1G1LD55M1RY100559 CORSICA 02492 1G1LD55M2RY100604 CORSICA 13036 1G1LD5544RY100734 CORSICA 15416 1G1LV15M3RY100746 BERETTA 39196 1G1LV1549RY100797 BERETTA 15485 1G1LD55M4RY101026 CORSICA 02199 1G1LD55MXRY101130 CORSICA 02199 1G1LD55M7RY101148 CORSICA 02199 1G1LD55MXRY101192 CORSICA 02199 1G1LD55MXRY101208 CORSICA 02199 1G1LD55M8RY101224 CORSICA 02199 1G1LD55MXRY101239 CORSICA 02199 1G1LD55MXRY101256 CORSICA 02199 1GILD55M8RY101305 CORSICA 02199 1G1LD55M4RY101317 CORSICA 02199 1G1LD55M1RY101341 CORSICA 02199 1G1LD55M6RY101366 CORSICA 02199 1G1LD55M6RY101383 CORSICA 02199 1G1LD55M5RY101388 CORSICA 02199 1G1LD55MlRY101419 CORSICA 02199 1G1LD55M8RY101420 CORSICA 02199 1G1LD55MXRY101452 CORSICA 02199 1G1LD55M5RY101486 CORSICA 02199 1G1LD55M6RY101514 CORSICA 02199 1G1LD55M1RY101596 CORSICA 02199 1G1LD55M3RY101602 CORSICA 02199 1G1LD55M6RY101657 CORSICA 02199 1G1LD55M9RY101667 CORSICA 02199 1G1LD55M2RY101672 CORSICA 02199 1G1LD55M8RY101692 CORSICA

OWNER NOTIFICATION

Owners will be notified of this campaign on their vehicles by Chevrolet Motor Division (see copy of owner letter included with this bulletin).

DEALER CAMPAIGN RESPONSIBILITY

All unsold new vehicles in dealers' possession and subject to this campaign must be held and inspected/repaired per the service procedure of this campaign bulletin before owners take possession of these vehicles. After campaign is completed, the vehicle may be released for sale/delivery.

Dealers are to service all vehicles subject to this campaign at no charge to owners, regardless of mileage, age of vehicle, or ownership, from this time forward.

Owners of vehicles recently sold from your new vehicle inventory with no owner information indicated on the dealer listing, are to be contacted by the dealer, and arrangements made to make the required correction according to the instructions contained in this bulletin. This could be done by mailing to such owners a copy of the owners letter accompanying this bulletin. Campaign follow-up cards should not be used for this purpose, since the owner may not as yet have received the notification letter.

In summary, whenever a vehicle subject to this campaign enters your vehicle inventory, or is in your dealership for service in the future, please take the steps necessary to be sure the campaign correction has been made before selling or releasing the vehicle.

PARTS INFORMATION

Parts required to complete this campaign will be pre-shipped to affected dealers on September 17, 1993. Pre-shipped parts will be charged to dealer's open parts account. Any additional parts required to complete the campaign are to be obtained from General Motors Service Parts Operations (GMSPO). To ensure these parts will be obtained as soon as possible, they should be ordered from GMSPO on a "C.I.O." order with no special instruction code, but on an advise code (2). Quantity/ Part Number Description Vehicle ----------- ----------- --------- 22583874 Suspension Support Assembly - RH 1

22583875 Suspension Support Assembly - LH 1

22583410 Control Arm-To-Suspension Support Bolt 2 - Front

22586683 Control Arm-To-Suspension Support Bolt 2 - Rear

22586684 Suspension Support Bolt - Center 4

22596712 Suspension Support Bolt - Front 4

22586686 Suspension Support Bolt - Rear 4

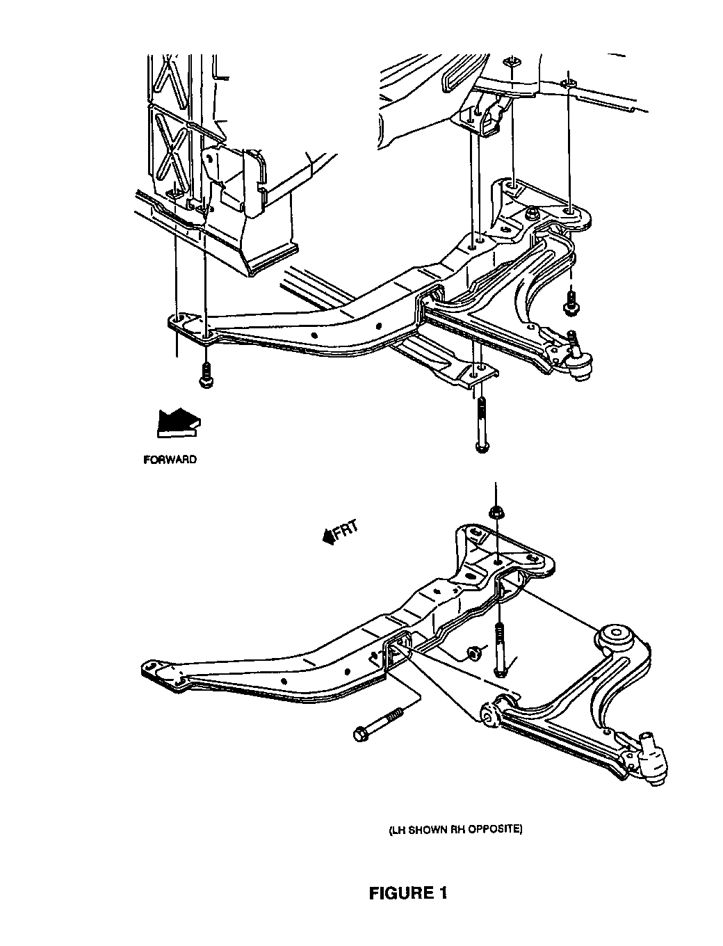
SERVICE PROCEDURE - Figures Referenced Are Located on Pages 5 and 6.

1. Refer to page 3C-2, Figure 1 of the 1993 Corsica/Beretta service manual. The front suspension of the 1994 Corsica/Beretta models is very similar to the 1993 models. The only difference is in the attachment of the rear control arms to the suspension supports.

2. Position and raise car on frame type hoist. see service manual section OA.

3. Remove both front wheel/tire assemblies.

4. Disconnect both front anti-lock brake system (ABS) wheel speed sensor harness from wheel speed sensors.

5. Disengage both ABS wheel speed sensor harnesses from harness clips on control arms.

6. Remove cotter pins from both the LH and RH ball joints. Loosen slotted nuts until tops of the nuts are f lush with top of ball joint studs.

Notice: When removing cotter pins from ball joints, be careful to avoid damage to drive axle joint seals.

7. Using J-38892 (ball joint separator) separate both the LH and RH ball joints from steering knuckles. Remove slotted nuts from ball joint studs.

Notice: Care must be exercised to prevent axle shaft joints from being over-extended. Over-extension of joint could result in separation of internal components and possible joint failure.

8. Disconnect engine strut ('dog bone') from suspension support by removing bolt through access hole in RH engine splash shield.

9. Disconnect RH and LH splash shields from the RH and LH suspension supports by disengaging two (2) push-in retainers from both sides.

10. Position jack stands under right and left suspension supports to aid in removal of the complete lower suspension assembly (suspension supports, control arms, stabilizer shaft).

11. Remove two (2) center attaching bolts from each suspension support assembly (four (4) bolts total). DO NOT reuse bolts.

12. Remove front and rear attaching bolts (eight (8) total) from each suspension support assembly. Place lower suspension assembly on a bench to transfer control arms and stabilizer shaft to new suspension supports. DO NOT reuse bolts.

13. Disconnect both stabilizer shaft link pins from stabilizer shaft and control arms.

14. Remove nuts from stabilizer shaft 'U'-clamps. Remove stabilizer shaft from lower suspension assembly.

15. Remove both LH and RH control arms from suspension supports.

DO NOT reuse the four (4) bolts used to attach control arms to suspension supports.

DO NOT reuse suspension supports.

16. Position new suspension supports on bench and assemble control arms to new suspension supports using new bolts as follows:

Position Description Torque -------- ----------- ------ Front Small Diameter Bolt 120 Nm (89 lb. ft.) (PIN 22583410) Rear Large Diameter Bolt 170 Nm (125 lb. ft.) (P/N 22586683)

17. Position stabilizer shaft to suspension supports and control arms. Loose assemble stabilizer shaft to suspension supports using two (2) 'U'-clamps and four (4) nuts previously removed.

18. Loose assemble stabilizer links to ends of stabilizer shaft and control arms, making certain bolts, retainers, and insulators are correctly positioned and oriented.

19. Tighten four (4) stabilizer 'U'-clamp nuts to 21 Nm (16 lb. ft.) . Tighten stabilizer link nuts until they reach unthreaded portion of bolt.

20. Using jack stands to aid in assembly, position lower suspension assembly (suspension supports, control arms, stabilizer shaft) to vehicle.

21. Loosely assemble suspension supports to vehicle using the twelve new suspension support attaching bolts as follows:

Position Description

Center Longest Black Bolt (P/N 22586684) Front Silver Bolt (PIN 22596712) Rear Black Bolt (P/N 22586686)

22. Attach engine strut ('dog bone') to suspension support using previously removed bolt (step 8). Torque bolt to 115 Nm (85 lb. ft.).

23. Tighten the twelve (12) suspension support attaching bolts to 120 Nm (89 lb. ft.) in the order specified below:

Position Sequence

Center First

Front Second

Rear Third

24. Position ball joint studs to steering knuckles and loosely assemble nuts to ball joint studs. Tighten nuts to 60 Nm (45 lb. ft.).

Notice: Be careful when reinstalling ball joints to avoid damage to drive axle joint seals.

If a slot in nut is not in line with cross hole in ball joint stud, tighten (do not loosen) ball joint nut until next bolt slot is aligned with hole in stud.

25. Install cotter pin into ball joint and secure cotter pin by carefully bending the ends down or to the sides of nut. Be certain to secure cotter pin so it cannot rotate into a position that will allow the end(s) to contact the drive axle joint seal.

26. Reconnect both LH and RH ABS wheel speed sensor harnesses to wheel speed sensors.

27. Secure both LH and RH ABS wheel speed sensor harnesses to clips on control arms. Make sure to leave enough slack in harness to allow for suspension travel.

28. Secure LH and RH engine splash shields to suspension supports using push-in fasteners.

29. Install both LH and RH tire and wheel assemblies.

30. Lower vehicle.

31. Set vehicle toe in to 0 degrees.

32. Install Campaign Identification label.

CAMPAIGN IDENTIFICATION LABEL

Each vehicle corrected in accordance with the instructions outlined in this Product Campaign Bulletin will require a "Campaign Identification Label". Each label provides a space to include the campaign number and the five (5) digit dealer code of the dealer performing the campaign service. This information may be inserted with a typewriter or a ball point pen.

Each "Campaign Identification Label" is to be located on the radiator core support in an area which will be visible when the vehicle is brought in for periodic servicing by the owner. Additional "Campaign Identification Labels" can be obtained from DAC.

Apply "Campaign Identification Label" only on a clean, dry surface.

CLAIM INFORMATION

Submit a Product Campaign Claim with the information indicated below:

* FAILED PARTS CC-FC LABOR LAB OTH REPAIR PERFORMED PC PART NO. ALLOW OP HRS HRS ----------------------------------------------------------------------- Replace Suspension Support Assemblies 18 22583874 SK-00 V8290 2.3 0.1 And Set Vehicle Toe-In

* Campaign Administrative Allowance.

** The "Parts Allowance" should be the sum total of the current GMSPO Dealer Net price plus 40% of all parts required for the repair.

Dealers will automatically receive the correct labor and material allowance based on the labor operation performed.

Refer to the Chevrolet Claims Processing Manual for details on Product Campaign Claim Submission.

Dear Chevrolet Corsica/Beretta Owner:

This notice is sent to you in accordance with the requirements of the National Traffic and Motor Vehicle Safety Act.

REASON FOR THIS RECALL

General Motors has determined that a defect which related to motor vehicle safety exists in certain 1994 Chevrolet Corsica and Beretta model vehicles. These vehicles may have been built with suspension support assemblies which may not meet General Motor's manufacturing specifications for weld integrity. If this condition is present, the front of the control arm may separate from the suspension support assembly. If this should occur, the affected tire/wheel assembly could move substantially out of its designed position and steering control could be severely impaired. If this were to occur while the vehicle was in motion, a vehicle crash could occur without prior warning.

WHAT WE WILL DO

To prevent the possibility of this condition occurring, your dealer will replace the suspension support assemblies on your vehicle. This service will be performed for you at no charge.

WHAT YOU SHOULD DO

Please contact your Chevrolet dealer as soon as possible to arrange a service date and so the dealer may order the necessary parts for the repair. Instructions for making this correction have been sent to your dealer and parts are available. The labor time necessary to perform this service correction is approximately two (2) hours. Please ask your dealer if you wish to know how much additional time will be needed to schedule and process your vehicle.

Your Chevrolet dealer is best equipped to obtain parts and provide service to ensure that your vehicle is corrected as promptly as possible. If, however, you take your vehicle to your dealer on the agreed service date, and they do not remedy this condition on that date or within five (5) days, we recommend you contact the Chevrolet Customer Assistance Center by calling 1-800-222-1020.

After contacting your dealer and the Customer Assistance Center, if you are still not satisfied that we have done our best to remedy this condition without charge and within a reasonable time, you may wish to write the Administrator, National Highway Traffic Safety Administration, 400 Seventh Street, S.W., Washington, D.C. 20590 or call 1-800-424-9393 (Washington D.C. residents use 366-0123).

The enclosed owner reply card identifies your vehicle. Presentation of this card to your dealer will assist in making the necessary correction in the shortest possible time. If you have sold or traded your vehicle, please let us know by completing the postage paid reply card and returning it to us.

We are sorry to cause you this inconvenience; however, we have taken this action in the interest of your safety and continued satisfaction with our products.

Chevrolet Motor Division GENERAL MOTORS CORPORATION


Object Number: 85848  Size: FS


Object Number: 86370  Size: FS

General Motors bulletins are intended for use by professional technicians, not a "do-it-yourselfer". They are written to inform those technicians of conditions that may occur on some vehicles, or to provide information that could assist in the proper service of a vehicle. Properly trained technicians have the equipment, tools, safety instructions and know-how to do a job properly and safely. If a condition is described, do not assume that the bulletin applies to your vehicle, or that your vehicle will have that condition. See a General Motors dealer servicing your brand of General Motors vehicle for information on whether your vehicle may benefit from the information.