GM Service Manual Online
For 1990-2009 cars only

CAMPAIGN:NEUTRAL START SWITCH

Subject: PRODUCT CAMPAIGN 94C05 - VEHICLE MAY NOT START IN NEUTRAL

Model and Year: 1994 CHEVROLET CORSICA AND BERETTA EQUIPPED WITH 4T60E AUTOMATIC TRANSAXLE

To: Select Chevrolet Dealers

General Motors has determined that certain 1994 Chevrolet Corsica and Beretta model vehicles may exhibit a condition where the vehicle may not start when the transaxle selector is in the neutral position.

To prevent this condition from occurring, dealers are to replace the neutral start back-up (NSBU) switch on involved vehicles.

VEHICLES INVOLVED

Involved are the following 1994 Chevrolet Corsica and Beretta model vehicles:

DEALER CODE VIN MODEL ------- --- ----- 02013 1G1LD55M0RY100083 CORSICA 15419 1G1LD55M8RY100235 CORSICA 02181 1G1LV15M1RY100275 BERETTA 15910 1G1LD55M1RY100304 CORSICA 15161 1G1LD55M0RY100312 CORSICA 39196 1G1LD55M1RY100559 CORSICA 02492 1G1LD55M2RY100604 CORSICA 15416 1G1LV15M3RY100746 BERETTA 15485 1G1LD55M4RY101026 CORSICA 02199 1G1LD55MXRY101130 CORSICA 02199 1G1LD55M7RY101148 CORSICA 02199 1G1LD55MXRY101192 CORSICA 02199 1G1LD55MXRY101208 CORSICA 02199 1G1LD55M8RY101224 CORSICA 02199 1G1LD55MXRY101239 CORSICA 02199 1G1LD55MXRY101256 CORSICA 02199 1G1LD55M8RY101305 CORSICA 02199 1G1LD55M4RY101317 CORSICA 02199 1G1LD55M1RY101341 CORSICA 02199 1G1LD55M6RY101366 CORSICA

DEALER CODE VIN MODEL ------ --- ----- 02199 1G1LD55M6RY101383 CORSICA 02199 1G1LD55M5RY101388 CORSICA 02199 1G1LD55M1RY101419 CORSICA 02199 1G1LD55M8RY101420 CORSICA 02199 1G1LD55MXRY101452 CORSICA 02199 1G1LD55M5RY101486 CORSICA 02199 1G1LD55M6RY101514 CORSICA 02199 1G1LD55M1RY101596 CORSICA 02199 1G1LD55M3RY101602 CORSICA 02199 1G1LD55M6RY101657 CORSICA 02199 1G1LD55M9RY101667 CORSICA 02199 1G1LD55M2RY101672 CORSICA 02199 1G1LD55M8RY101692 CORSICA

NOTICE: Only vehicles equipped with L82 3.1L V-6 engines (VIN "M") and 4T60E (4-speed) automatic transaxles are affected.

OWNER NOTIFICATION

Owners will be notified of this campaign on their vehicles by Chevrolet Motor Division (see copy of owner letter included with this bulletin).

DEALER CAMPAIGN RESPONSIBILITY

All unsold new vehicles in dealers' possession and subject to this campaign must be held and inspected/repaired per the service procedure of this campaign bulletin before owners take possession of these vehicles. After campaign is completed, the vehicle may be released for sale/delivery.

Dealers are to service all vehicles subject to this campaign at no charge to owners, regardless of mileage, age of vehicle, or ownership, from this time forward.

Owners of vehicles recently sold from your new vehicle inventory with no owner information indicated on the dealer listing, are to be contacted by the dealer, and arrangements made to make the required correction according to the instructions contained in this bulletin. This could be done by mailing to such owners a copy of the owners letter accompanying this bulletin. Campaign follow-up cards should not be used for this purpose, since the owner may not as yet have received the notification letter.

In summary, whenever a vehicle subject to this campaign enters your vehicle inventory, or is in your dealership for service in the future, please take the steps necessary to be sure the campaign correction has been made before selling or releasing the vehicle.

PARTS INFORMATION

Parts required to complete this campaign will be pre-shipped to affected dealers on September 17, 1993. Pre-shipped parts will be charged to the dealer's open parts account. Any additional parts required to complete this campaign are to be obtained from General Motors Service Parts Operations (GMSPO). To ensure these parts will be obtained as soon as possible, they should be ordered from GMSPO on a "C.I.O." order with no special instruction code, but on an advise code (2). Quantity/ Part Number Description Vehicle ----------- ----------- --------- 01994347 Neutral Start Back-up Switch Assembly 1

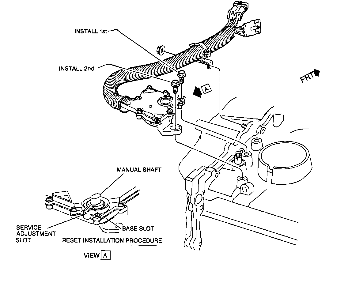
SERVICE PROCEDURE

Figure Referenced Located On Page 4

1. Set park brake and set gear selector lever to "Neutral" (N).

2. Remove nut holding shift linkage bracket to transaxle manual shaft. Remove shift linkage bracket from manual shaft.

3. Remove nut holding electrical harness clip to transaxle case.

4. Remove two (2) bolts holding neutral start back-up (NSBU) switch to transaxle case.

5. Disconnect two electrical connectors.

6. Remove NSBU switch. Switch will not be reused.

7. Position new NSBU switch to transaxle manual shaft and align flats on switch plastic insert with flats on manual shaft.

8. Carefully push switch onto manual shaft until it is seated against transaxle case.

The fit between switch and shaft is designed for minimum clearance so some effort will be required to fully seat switch against the transaxle case.

Notice: Transaxle must be in "NEUTRAL" (N). Do not use NSBU switch to rotate manual shaft. Doing so will result in neutral pin being sheared and will require switch be adjusted before securing switch to transaxle case.

If NSBU neutral pin has been sheared, follow NSBU adjustment procedure listed in step 13 of this procedure.

9. Install two (2) NSBU attaching bolts. Tighten front bolt first, then rear bolt. Torque bolt to 24 Nm (18 lb. ft.).

10. Route electrical harness and position harness clip over transaxle case stud. Install nut to secure harness in position and tighten nut to 24 Nm ( 18 lb. ft.).

11. Reconnect two (2) electrical connectors.

12. Place shift linkage bracket onto manual shaft and secure with one (1) nut. Tighten to 20 Nm (15 lb. ft.).

13. Check for proper operation by verifying that engine will only start in "PARK" or "NEUTRAL". If engine will start in any other position, re-adjust switch using the following adjustment procedure:

a. Place transaxle control shifter in "NEUTRAL" position.

b. Loosen two (2) NSBU switch attaching bolts.

c. Rotate switch on manual shaft to align service adjustment slots.

d. Insert gage pin (or 3/32" drill bit) into aligned slots.

e. Tighten NSBU switch attaching bolts to 24 Nm (18 lb. ft.). See illustration.

14. Install Campaign Identification Label.

CAMPAIGN IDENTIFICATION LABEL

Each vehicle corrected in accordance with the instructions outlined in this Product Campaign Bulletin will require a "Campaign Identification Label". Each label provides a space to include the campaign number and the five (5) digit dealer code of the dealer performing the campaign service. This information may be inserted with a typewriter or a ball point pen.

Each "Campaign Identification Label" is to be located on the radiator core support in an area which will be visible when the vehicle is brought in for periodic servicing by the owner. Additional "Campaign Identification Labels" can be obtained from DAC.

Apply "Campaign Identification Label" only on a clean, dry surface.

CLAIM INFORMATION

Submit a Product Campaign Claim with the information indicated on the following page. * FAILED PARTS CC-FC LABOR LAB OTH REPAIR PERFORMED PC PART NO. ALLOW OP HRS HRS -------------------------------------------------------------- Replace NSBU Swit 1 01994347 ** SK-00 V8300 0.4 0.1

* Campaign Administrative Allowance.

** The "Parts Allowance" should be the sum total of the current GMSPO Dealer Net price plus 40% of all parts required for the repair.

Dealers will automatically receive the correct labor and material allowance based on the labor operation performed.

Refer to the Chevrolet Claims Processing Manual for details on Product Campaign Claim Submission.

Dear Chevrolet Corsica/Beretta Owner:

This notice is sent to inform you that Chevrolet Motor Division is conducting a recall campaign that includes your vehicle.

REASON FOR THIS RECALL

General Motors has determined that certain 1994 Chevrolet Corsica and Beretta model vehicles may exhibit a condition where the vehicle may not start when the transaxle selector is in the neutral position.

WHAT WE WILL DO

To prevent this condition from occurring, your dealer will replace the neutral start back-up (NSBU) switch on involved vehicles. This service will be performed for you at no charge.

WHAT YOU SHOULD DO

Please contact your Chevrolet dealer as soon as possible to arrange a service date. Instructions for making this correction have been sent to your dealer. Please ask your dealer if you wish to know how much time will be needed to schedule and process your vehicle.

The enclosed owner reply card identifies your vehicle. Presentation of this card to your dealer will assist in making the necessary correction in the shortest possible time. If you have sold or traded your vehicle, please let us know by completing the postage paid reply card and returning it to us.

We are sorry to cause you this inconvenience; however, we have taken this action in the interest of your continued satisfaction with our products.

Chevrolet Motor Division GENERAL MOTORS CORPORATION


Object Number: 78783  Size: FS

General Motors bulletins are intended for use by professional technicians, not a "do-it-yourselfer". They are written to inform those technicians of conditions that may occur on some vehicles, or to provide information that could assist in the proper service of a vehicle. Properly trained technicians have the equipment, tools, safety instructions and know-how to do a job properly and safely. If a condition is described, do not assume that the bulletin applies to your vehicle, or that your vehicle will have that condition. See a General Motors dealer servicing your brand of General Motors vehicle for information on whether your vehicle may benefit from the information.