GM Service Manual Online
For 1990-2009 cars only

CAMPAIGN:ENGINE COOLANT MAY OVERBOIL

Subject: PRODUCT CAMPAIGN 94C06 - ENGINE COOLANT MAY OVERBOIL

Model and Year: 1994 CHEVROLET CORSICA AND BERETTA

To: Select Chevrolet Dealers

General Motors has determined that certain 1994 Chevrolet Corsica and Beretta model vehicles may exhibit a condition where the engine coolant surge tank does not maintain adequate pressure in the coolant system.

This may result in the engine coolant over-boiling even though the engine is operating within normal temperature limits.

To prevent this condition from occurring, dealers are to replace the engine coolant surge tank and pressure cap on involved vehicles.

VEHICLES INVOLVED

Involved are the following 1994 Chevrolet Corsica and Beretta model vehicles:

DEALER CODE VIN MODEL ------ --- ----- 02013 1G1LD55M0RY100083 CORSICA 15156 1G1LD5546RY100167 CORSICA 15419 1G1LD55M8RY100235 CORSICA 15015 1G1LV1541RY100258 BERETTA 02181 1G1LV15M1RY100275 BERETTA 15910 1G1LD55M1RY100304 CORSICA 15161 1G1LD55M0RY100312 CORSICA 15015 1G1LD5547RY100422 CORSICA 15161 1G1LD5544RY100457 CORSICA 39196 1G1LD55M1RY100559 CORSICA 02492 1G1LD55M2RY100604 CORSICA 13036 1G1LD5544RY100734 CORSICA 15416 1G1LV15M3RY100746 BERETTA 39196 1G1LV1549RY100797 BERETTA 15485 1G1LD55M4RY101026 CORSICA 02199 1G1LD55MXRY101130 CORSICA 02199 1G1LD55M7RY101148 CORSICA 02199 1G1LD55MXRY101192 CORSICA 02199 1G1LD55MXRY101208 CORSICA 02199 1G1LD55M8RY101224 CORSICA 02199 1G1LD55MXRY101239 CORSICA

DEALER CODE VIN MODEL ------ --- ----- 02199 1G1LD55MXRY101256 CORSICA 02199 1G1LD55M8RY101305 CORSICA 02199 1G1LD55M4RY101317 CORSICA 02199 1G1LD55M1RY101341 CORSICA 02199 1G1LD55M6RY101366 CORSICA 02199 1G1LD55M6RY101383 CORSICA 02199 1G1LD55M5RY101388 CORSICA 02199 1G1LD55M1RY101419 CORSICA 02199 1G1LD55M8RY101420 CORSICA 02199 1G1LD55MXRY101452 CORSICA 02199 1G1LD55M5RY101486 CORSICA 02199 1G1LD55M6RY101514 CORSICA 02199 1G1LD55M1RY101596 CORSICA 02199 1G1LD55M3RY101602 CORSICA 02199 1G1LD55M6RY101657 CORSICA 02199 1G1LD55M9RY101667 CORSICA 02199 1G1LD55M2RY101672 CORSICA 02199 1G1LD55M8RY101692 CORSICA

OWNER NOTIFICATION

Owners will be notified of this campaign on their vehicles by Chevrolet Motor Division (see copy of owner letter included with this bulletin).

DEALER CAMPAIGN RESPONSIBILITY

All unsold new vehicles in dealers' possession and subject to this campaign must be held and inspected/repaired per the service procedure of this campaign bulletin before owners take possession of these vehicles. After campaign is completed, vehicle may be released for sale/delivery.

Dealers are to service all vehicles subject to this campaign at no charge to owners, regardless of mileage, age of vehicle, or ownership, from this time forward.

Owners of vehicles recently sold from your new vehicle inventory with no owner information indicated on the dealer listing, are to be contacted by the dealer, and arrangements made to make the required correction according to the instructions contained in this bulletin. This could be done by mailing to such owners a copy of the owners letter accompanying this bulletin. Campaign follow-up cards should not be used for this purpose, since the owner may not as yet have received the notification letter.

In summary, whenever a vehicle subject to this campaign enters your vehicle inventory, or is in your dealership for service in the future, please take the steps necessary to be sure the campaign correction has been made before selling or releasing the vehicle.

PARTS INFORMATION

Parts required to complete this campaign will be pre-shipped to affected dealers on September 17, 1993. Pre-shipped parts will be charged to dealer's open parts account. Any additional parts required to complete the campaign are to be obtained from General Motors Service Parts Operations (GMSPO). To ensure these parts will be obtained as soon as possible, they should be ordered from GMSPO on a "C.I.O." order with no special instruction code, but on an advise code (2).

Quantity/ Part Number Description Vehicle ----------- ----------- --------- 22592355 Engine Coolant Surge Tank Assembly 1 - L82 V-6 Engine (VIN Code "M")

22592352 Engine Coolant Surge Tank Assembly 1 - LN2 L-4 Engine (VIN Code "4")

10244485 Engine Surge Tank Cap Assembly 1

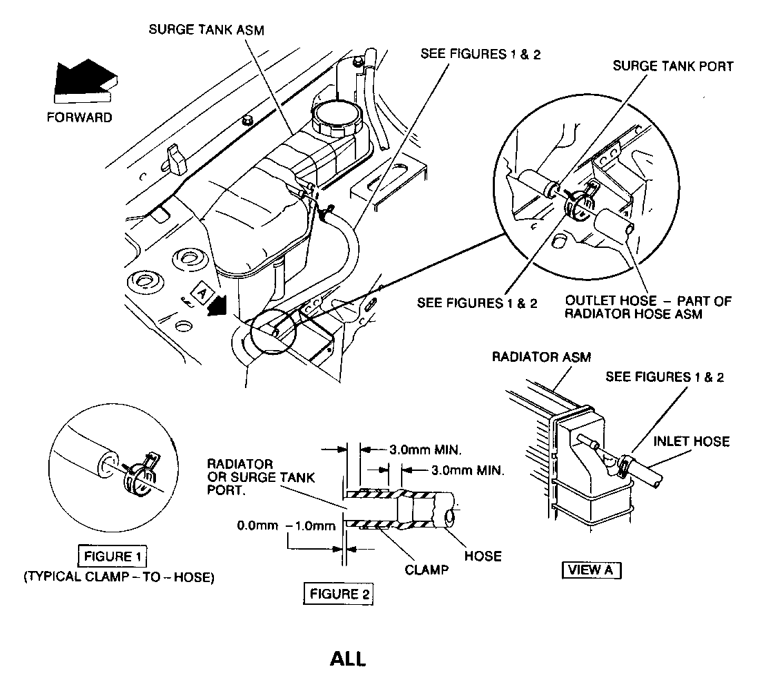
SERVICE PROCEDURE - Figures On Pages 4 And 5 For Reference

1. Park vehicle on level surface.

2. After engine is cool, carefully remove surge tank cap using the following procedure.

a. Slowly rotate cap 1/4 turn counterclockwise.

b. Wait for any residual pressure (indicated by hissing sound) to be released.

c. After all hissing stops and all residual pressure is relieved, remove cap completely. Cap will not be reused.

3. Position a clean, suitable container under vehicle to capture engine coolant to be drained from system. This coolant will be re-used so it is important that a suitable, clean contain is used.

4. Open radiator drain valve located at bottom left-hand side of radiator tank and drain engine coolant into container.

5. Using appropriate spring clamp pliers, move one (L-4) or two (V-6) inlet hose spring clamp(s) down hoses away from tank. Remove one (L-4) or two (V-6) inlet hose(s) from surge tank nipple(s) by carefully pulling hose(s) from nipple(s).

6. On vehicles equipped with V-6 engines, disconnect coolant level sensor harness from integral surge tank switch.

7. Using appropriate spring clamp pliers, move large outlet hose spring clamp down outlet hose away from tank. Remove outlet hose from surge tank nipple by carefully pulling hose from nipple.

8. Remove one (1) screw from ear at rear of surge tank and remove surge tank. old surge tank will not be reused.

9. Place new surge tank assembly in position by inserting surge tank legs through holes in front of right-hand motor compartment rail.

10. Reinstall screw at rear ear of tank and tighten to 13 Nm (10 lb. ft.). Make certain engine wiring harness lead is properly positioned under integral surge tank retainer.

11. Position outlet hose onto surge tank outlet nipple.

12. Using spring clamp pliers, place spring clamp into position over outlet hose and nipple.

13. On vehicles equipped with V-6 engines, reconnect coolant level sensor harness to integral surge tank switch.

14. Position one (L-4) or two (V-6) inlet hose(s) onto surge tank inlet nipple(s).

15. Using spring clamp pliers, place spring clamp(s) into position over outlet hose(s) and nipple(s).

16. Close radiator drain valve.

17. Refill surge tank using coolant previously drained from vehicle.

It may be necessary to start and run engine (with surge tank cap off) until upper radiator hose starts to get hot to properly refill coolant system.

18. Install new surge tank pressure cap until fully seated.

19. Install Campaign Identification Label.

CAMPAIGN IDENTIFICATION LABEL

Each vehicle corrected in accordance with the instructions outlined in this Product Campaign Bulletin will require a "Campaign Identification Label". Each label provides a space to include the campaign number and the five (5) digit dealer code of the dealer performing the campaign service. This information may be inserted with a typewriter or a ball point pen.

Each "Campaign Identification Label" is to be located on the radiator core support in an area which will be visible when the vehicle is brought in for periodic servicing by the owner. Additional "Campaign Identification Labels" can be obtained from DAC. Apply "Campaign Identification Label" only on a clean, dry surface.

CLAIM INFORMATION

Submit a Product Campaign Claim with the information indicated below:

* FAILED PARTS CC-FC LABOR LAB OTH REPAIR PERFORMED PC PART NO. ALLOW OP HRS HRS ----------------------------------------------------------------------- Replace Coolant Surge Tank And 2 22592355 ** SK-00 V8310 0.4 0.1 Pressure Cap

* Campaign Administrative Allowance.

** The "Parts Allowance" should be the sum total of the current GMSPO Dealer Net price plus 40% of all parts required for the repair.

Dealers will automatically receive the correct labor and material allowance based on the labor operation performed.

Refer to the Chevrolet Claims Processing Manual for details on Product Campaign Claim Submission.

Dear Chevrolet Corsica/Beretta Owner:

This notice is sent to inform you that Chevrolet Motor Division is conducting a recall campaign that includes your vehicle.

REASON FOR THIS RECALL

General Motors has determined that certain 1994 Chevrolet Corsica and Beretta model vehicles may exhibit a condition where the engine coolant surge tank does not maintain adequate pressure in the coolant system. This may result in the engine coolant over-boiling even though the engine is operating within normal temperature limits.

WHAT WE WILL DO

To prevent this condition from occurring, dealers are to replace the coolant surge tank and cap on involved vehicles. This service will be performed for you at no charge.

WHAT YOU SHOULD DO

Please contact your Chevrolet dealer as soon as possible to arrange a service date. Instructions for making this correction have been sent to your dealer. Please ask your dealer if you wish to know how much time will be needed to schedule and process your vehicle.

The enclosed owner reply card identifies your vehicle. Presentation of this card to your dealer will assist in making the necessary correction in the shortest possible time. If you have sold or traded your vehicle, please let us know by completing the postage paid reply card and returning it to us.

We are sorry to cause you this inconvenience; however, we have taken this action in the interest of your continued satisfaction with our products.

Chevrolet Motor Division GENERAL MOTORS CORPORATION


Object Number: 79908  Size: FS


Object Number: 88266  Size: FS

General Motors bulletins are intended for use by professional technicians, not a "do-it-yourselfer". They are written to inform those technicians of conditions that may occur on some vehicles, or to provide information that could assist in the proper service of a vehicle. Properly trained technicians have the equipment, tools, safety instructions and know-how to do a job properly and safely. If a condition is described, do not assume that the bulletin applies to your vehicle, or that your vehicle will have that condition. See a General Motors dealer servicing your brand of General Motors vehicle for information on whether your vehicle may benefit from the information.