GM Service Manual Online
For 1990-2009 cars only

SMU - SECTION 9J - REVISIONS TO ARMING SENSOR CONNECTOR

SUBJECT: SERVICE MANUAL UPDATE - SECTION 9J - REVISIONS TO ARMING SENSOR CONNECTOR TERMINAL DESIGNATION

MODELS: 1995 CHEVROLET BERETTA, CORSICA

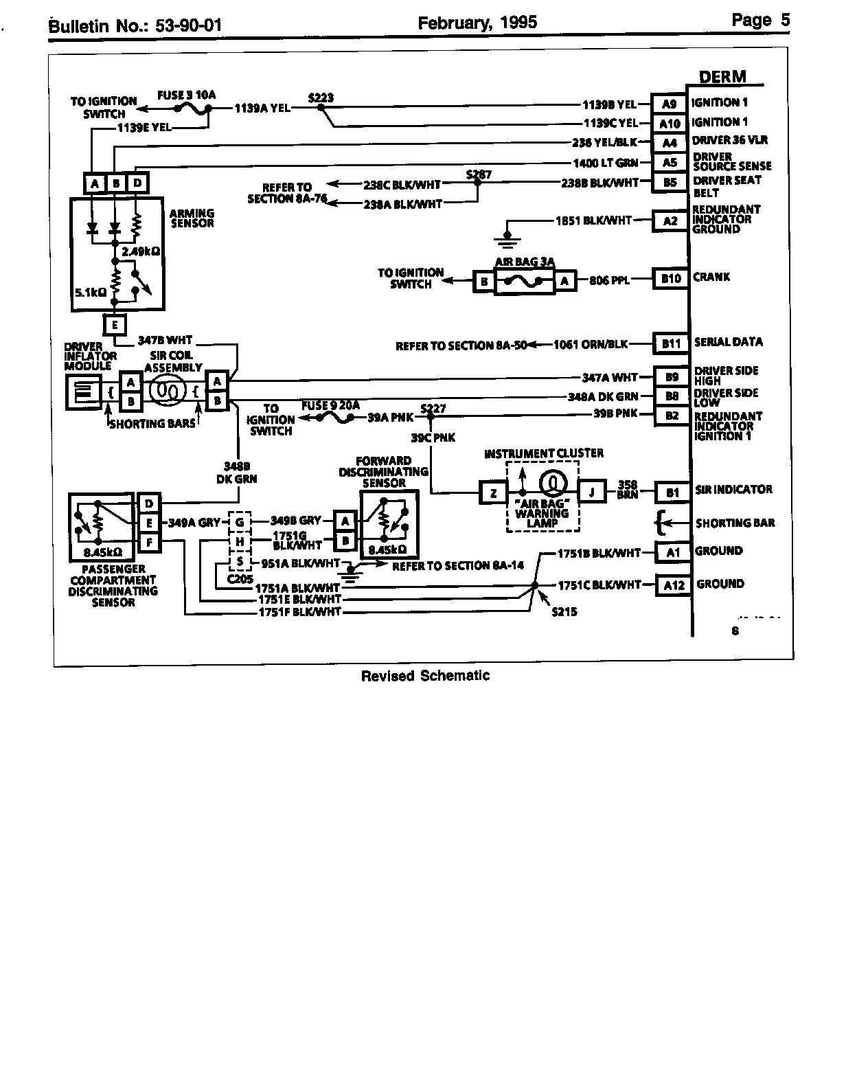
IN SECTION 9J (SUPPLEMENTAL INFLATABLE RESTRAINT (SIR) SYSTEM) OF THE SERVICE MANUAL, THE ARMING SENSOR CONNECTOR TERMINAL DESIGNATION IS SHOWN INCORRECTLY.

USE THE ATTACHED PAGES, NOTED ON THE TABLE BELOW, IN PLACE OF EXISTING SERVICE MANUAL PAGES.

SERVICE MANUAL ATTACHED PAGE CHANGE PAGE ============== ====== ========

3 REVISED FIGURE 3 1

4 REVISED FIGURE 4 2

7 REVISED FIGURE 7 3

10,12,14,16,18,60,62 REVISED SCHEMATIC 4

20,22,24,26,28,30,32, REVISED SCHEMATIC 5 34,36,38,40,42,44,46, 48,50,52,54,56,58,64, 66

20,32,40,42,50 REVISED TEXT 6

27 REVISED DTC 23 (1 OF 2) 7

29 REVISED DTC 23 (2 OF 2) 8

31 REVISED DTC 24 (1 OF 2) 9

33 REVISED DTC 24 (2 OF 2) 10

41 REVISED DTC 31 11

43 REVISED DTC 34 12

47 REVISED DTC 35 (2 OF 2) 13

51 REVISED DTC 43 14

70 REVISED FIGURE 9 15

*SERVICE MANUAL PAGE MAY APPEAR MORE THAN ONCE IN TABLE.

FIGURES: 6 ATTACHMENTS: 9


Object Number: 93920  Size: FS


Object Number: 82827  Size: FS


Object Number: 82826  Size: FS


Object Number: 81073  Size: FS


Object Number: 82825  Size: FS


Object Number: 79858  Size: FS


Object Number: 82824  Size: FS


Object Number: 82823  Size: FS


Object Number: 82822  Size: FS


Object Number: 82821  Size: FS


Object Number: 82820  Size: FS


Object Number: 82819  Size: FS


Object Number: 78738  Size: FS


Object Number: 93919  Size: FS


Object Number: 169706  Size: FS

GENERAL MOTORS BULLETINS ARE INTENDED FOR USE BY PROFESSIONAL TECHNICIANS, NOT A "DO-IT-YOURSELFER". THEY ARE WRITTEN TO INFORM THOSE TECHNICIANS OF CONDITIONS THAT MAY OCCUR ON SOME VEHICLES, OR TO PROVIDE INFORMATION THAT COULD ASSIST IN THE PROPER SERVICE OF A VEHICLE. PROPERLY TRAINED TECHNICIANS HAVE THE EQUIPMENT, TOOLS, SAFETY INSTRUCTIONS AND KNOW-HOW TO DO A JOB PROPERLY AND SAFELY. IF A CONDITION IS DESCRIBED, DO NOT ASSUME THAT THE BULLETIN APPLIES TO YOUR VEHICLE, OR THAT YOUR VEHICLE WILL HAVE THAT CONDITION. SEE A GENERAL MOTORS DEALER SERVICING YOUR BRAND OF GENERAL MOTORS VEHICLE FOR INFORMATION ON WHETHER YOUR VEHICLE MAY BENEFIT FROM THE INFORMATION.

COPYRIGHT 1995 GENERAL MOTORS CORPORATION. ALL RIGHTS RESERVED.