GM Service Manual Online
For 1990-2009 cars only
Makes
🢒
Chevrolet
🢒
1996
🢒
Beretta
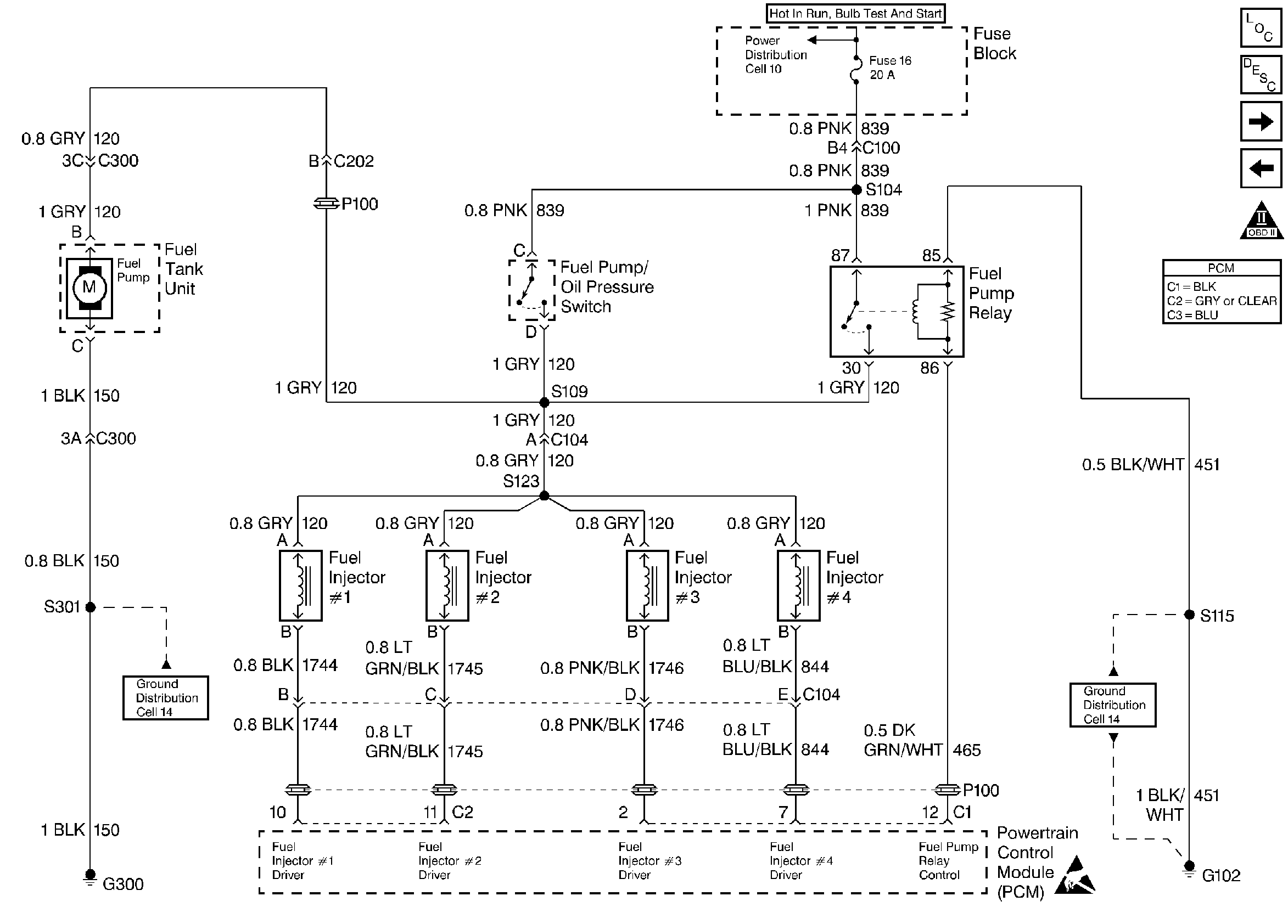
🢒 Fuel Controls
Fuel Controls
Fuel Controls
Engine Controls Components
Fuel Metering System Components
Engine Data Sensors
Ignition Controls
OBD II Symbol Description Notice
Handling ESD Sensitive Parts Notice