GM Service Manual Online
For 1990-2009 cars only
Makes
🢒
Chevrolet
🢒
1996
🢒
Beretta
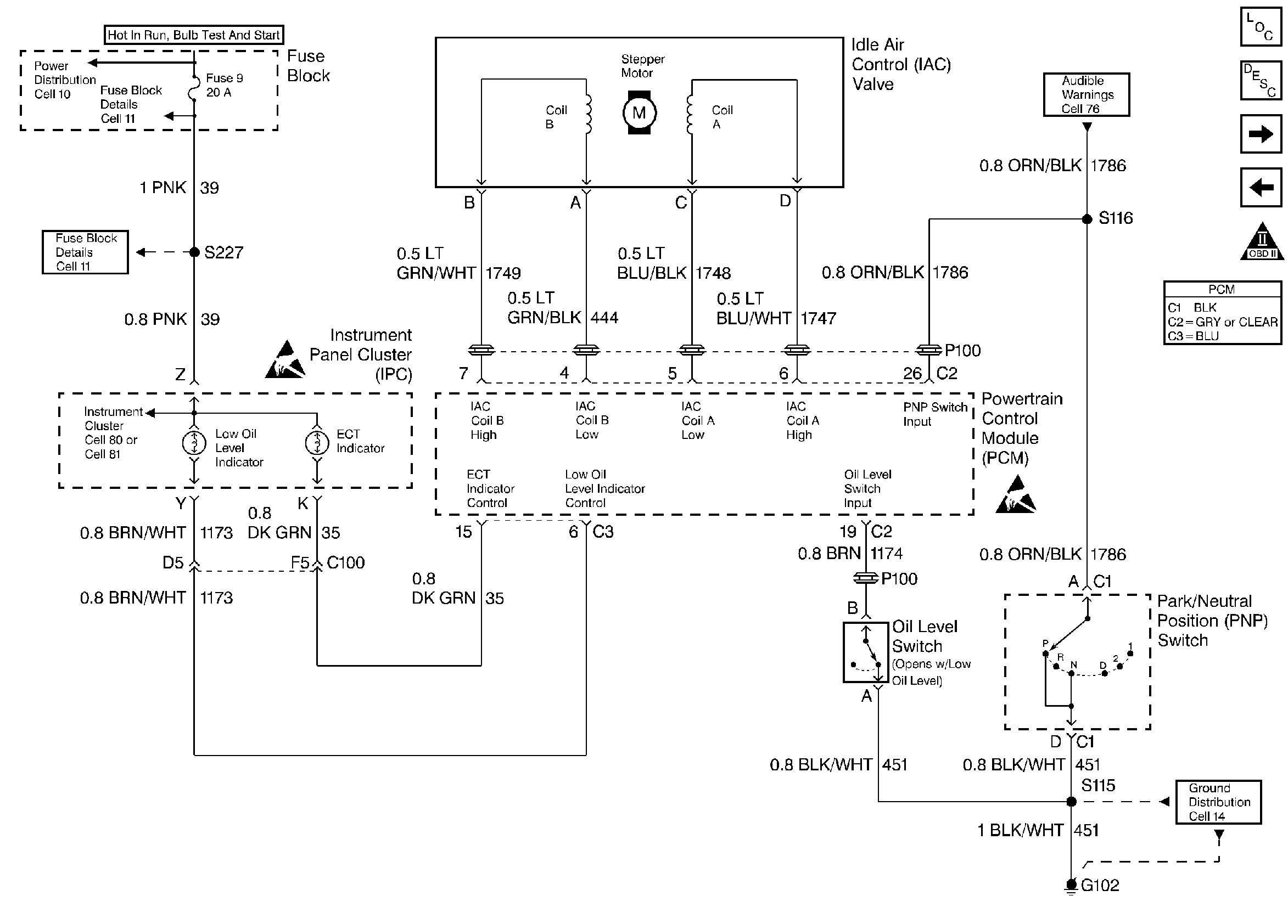
🢒 IAC Valve, PNP, and Oil Level Switch
IAC Valve, PNP, and Oil Level Switch
IAC Valve, PNP, and Oil Level Switch
Engine Controls Components
Powertrain Control Module Inputs Diagnosis
VSS and Cruise Control
Oxygen Sensors
OBD II Symbol Description Notice
Handling ESD Sensitive Parts Notice
Handling ESD Sensitive Parts Notice