GM Service Manual Online
For 1990-2009 cars only

Refer to

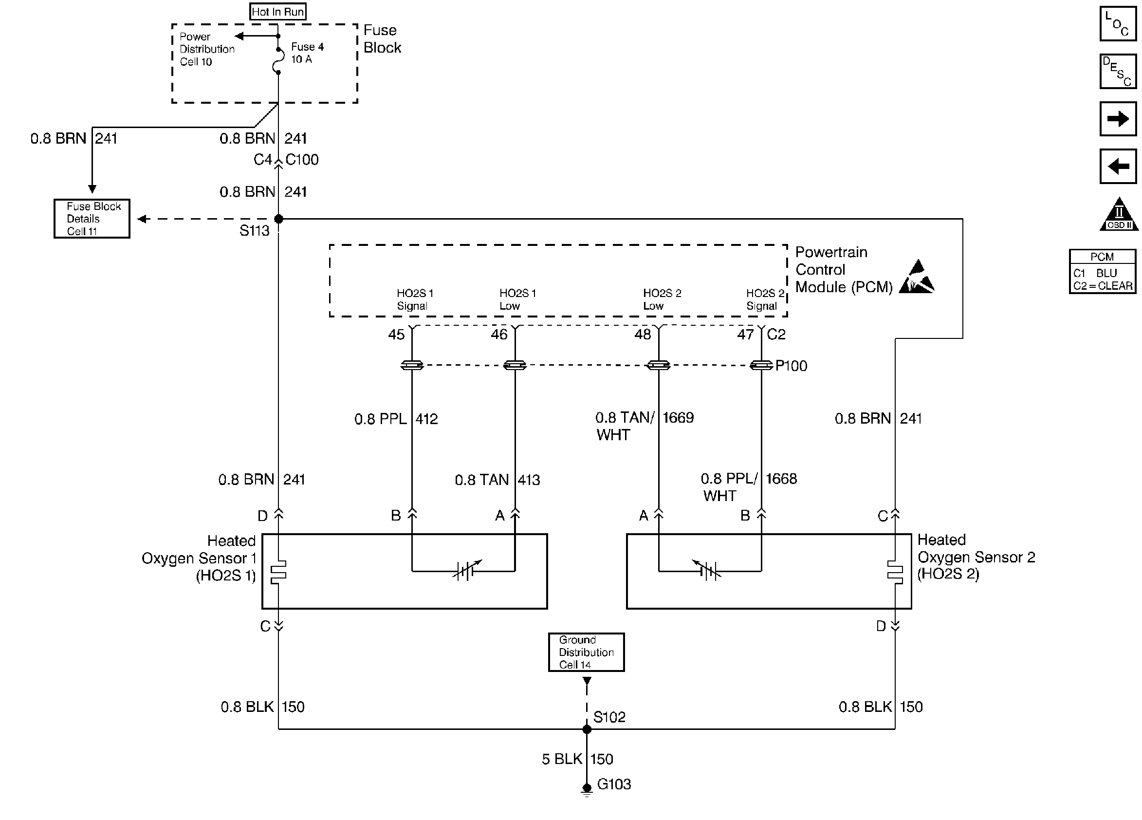
Heated Oxygen Sensors


Object Number: 30327  Size: FS
Idle Air Control Valve and Transaxle Range (TR) Switch
MAF Sensor, EVAP Canister Vacuum Switch, EVAP Canister Purge Valve, and EGR Valve
OBD II Symbol Description Notice
Handling ESD Sensitive Parts Notice

Circuit Description

To control emissions of Hydrocarbons (HC), Carbon Monoxide (CO), and Oxides of Nitrogen (NOx), a three-way catalytic converter is used. The catalyst within the converter promotes a chemical reaction which oxidizes the HC and CO present in the exhaust gas, converting them into harmless water vapor and carbon dioxide. The catalyst also reduces NOx, converting it to nitrogen. The PCM has the ability to monitor this process using the HO2S 1 and the HO2S 2 heated oxygen sensors. The HO2S 1 sensor produces an output signal which indicates the amount of oxygen present in the exhaust gas entering the three-way catalytic converter. The HO2S 2 sensor produces an output signal which indicates the oxygen storage capacity of the catalyst this in turn indicates the catalysts ability to convert exhaust gases efficiently. If the catalyst is operating efficiently, the HO2S 1 signal will be far more active than that produced by the HO2S 2 sensor. If the HO2S 2 signal voltage remains at or near the 450mV bias for an extended period of time, DTC P0140 will be set.

Conditions for Setting the DTC

    • No active misfire, fuel injector circuit, TP sensor, EVAP, IAT sensor, MAP sensor, Fuel trim, EGR, ECT sensor, MAF sensor or CKP sensor DTC(s) present.
    • Engine coolant temperature greater than 65°C (149°F)
    • Engine run time longer than 30 seconds.
    • HO2S 2 signal voltage remains between 400 mV and 500 mV for longer than 50 seconds.

Action Taken When the DTC Sets

    • The PCM will illuminate the malfunction indicator lamp (MIL) during the second consecutive trip in which the diagnostic test has been run and failed.
    • The PCM will store conditions which were present when the DTC set as Freeze Frame and Failure Records data.

Conditions for Clearing the MIL/DTC

    • The PCM will turn OFF the MIL during the third consecutive trip in which the diagnostic has been run and passed.
    • The History DTC will clear after 40 consecutive warm-up cycles have occurred without a malfunction.
    • The DTC can be cleared by using the scan tool.

Diagnostic Aids

Check for the following conditions:

    • Corroded exhaust flange attaching hardware. Using a digital multimeter, ensure that continuity exists between the engine block and the heated oxygen sensor shell. If resistance is excessively high, replace corroded exhaust flange attaching hardware as necessary. Refer to Exhaust System .
    • Poor connection or damaged harness. Inspect the harness connectors for backed out terminals, improper mating, broken locks, improperly formed or damaged terminals, poor terminal to wire connection, and damaged harness.
    • Malfunctioning HO2S heater or heater circuit. With the ignition ON, engine not running the HO2S voltage displayed on a scan tool should drop to below 250 mV or rise to above 600 mV within 2 minutes. If not, disconnect the HO2S and connect a test light between the HO2S ignition feed and heater ground circuits. If the test light does not light, repair the open ignition feed or sensor ground circuit as necessary. If the test light lights and the HO2S signal and low circuits are OK, replace the affected HO2S.
    • Intermittent test. With the ignition ON, monitor the HO2S signal voltage while moving the wiring harness and related connectors. If the malfunction is induced, the HO2S signal voltage will change. This may help isolate the location of the malfunction.

Test Description

Number(s) below refer to the step number(s) on the Diagnostic Table:

  1. If the DTC P0140 test passes while the Fail Records conditions are being duplicated, an intermittent condition is indicated.

    Reviewing the Fail Records vehicle mileage since the diagnostic test last failed may help determine how often the condition that caused the DTC to be set occurs. This may assist in diagnosing the condition.

  2. This vehicle is equipped with a PCM which utilizes an Electrically Erasable Programmable Read Only Memory (EEPROM). When the PCM is being replaced, the new PCM must be programmed.

DTC P0140 - HO2S Circuit Insufficient Activity Sensor 2

Step

Action

Value(s)

Yes

No

1

Was the Powertrain On-Board Diagnostic (OBD) System Check performed?

--

Go to Step 2

Go to the Powertrain OBD System Check

2

  1. Engine at operating temperature.
  2. Operate the engine above 1200 RPM for two minutes while monitoring HO2S 2 voltage on the scan tool HO2S data list.

Does the scan tool indicate HO2S 2 voltage varying outside the specified values?

400-500 mV

Go to Step 3

Go to Step 4

3

  1. Turn ON the ignition switch.
  2. Review and record scan tool Fail Records data and note parameters.
  3. Operate vehicle within Fail Records conditions as noted.
  4. Using a scan tool, monitor Specific DTC info for DTC P0140 until the DTC P0140 test runs.

Does scan tool indicate DTC failed this ign?

--

Go to Step 4

Go to Diagnostic Aids

4

  1. Turn ON the ignition switch.
  2. Disconnect HO2S 2 and jumper the HO2S signal and low circuits (PCM side) to ground.
  3. Using a scan tool, monitor HO2S 2 voltage.

Is HO2S 2 voltage less than the specified value?

150 mV

Go to Step 8

Go to Step 5

5

  1. Remove the jumper wire.
  2. Using a J 39200 Digital Multimeter, measure voltage between the HO2S 2 signal circuit (PCM side) and the HO2S 2 heater ground circuit.

Does HO2S 2 signal voltage measure above the specified value?

950 mV

Go to Step 6

Go to Step 7

6

  1. Turn OFF the ignition switch.
  2. Disconnect the PCM.
  3. Check continuity of the HO2S 2 low circuit.
  4. If the HO2S 2 low circuit measures over 5 ohms, repair open or poor connection as necessary. Refer to Heated Oxygen Sensor (O2S) Repair in Electrical Diagnosis.

Was H02S 2 low circuit problem found?

--

Go to Step 13

Go to Step 9

7

  1. Turn OFF the ignition switch.
  2. Disconnect the PCM.
  3. Check continuity of the HO2S 2 signal circuit.
  4. If the HO2S 2 signal circuit measures over 5 ohms, repair open or poor connection as necessary. Refer to Heated Oxygen Sensor (O2S) Repair in Electrical Diagnosis.

Was a problem found?

--

Go to Step 13

Go to Step 10

8

  1. Check for a poor HO2S 2 signal or low circuit terminal connection at the HO2S 2 harness connector.
  2. If a problem is found, replace terminal(s) as necessary. Refer to Heated Oxygen Sensor (O2S) Repair in Electrical Diagnosis.

Was a problem found?

--

Go to Step 13

Go to Step 11

9

  1. Check for poor HO2S 2 low circuit terminal connection at the PCM.
  2. If a problem is found, replace terminal as necessary. Refer to Heated Oxygen Sensor (O2S) Repair in Electrical Diagnosis.

Was a problem found?

--

Go to Step 13

Go to Step 12

10

  1. Check for poor HO2S 2 signal circuit terminal connection at the PCM.
  2. If a problem is found, replace terminal as necessary. Refer to Heated Oxygen Sensor (O2S) Repair in Electrical Diagnosis.

Was a problem found?

--

Go to Step 13

Go to Step 12

11

Replace HO2S 2. Go to Heated Oxygen Sensor (HO2S)

Is action complete?

--

Go to Step 13

--

12

Replace the PCM.

Important:: The replacement PCM must be programmed. Refer to PCM Replacement/Programming .

Is action complete?

--

Go to Step 13

--

13

  1. Turn ON the ignition switch.
  2. Review and record scan tool Fail Records data.
  3. Clear DTCs.
  4. Operate vehicle within Fail Records conditions as noted.
  5. Using a scan tool, monitor Specific DTC info for DTC P0140 until the DTC P0140 test runs.

Does scan tool indicate DTC failed this ign?

--

Go to Step 2

System OK