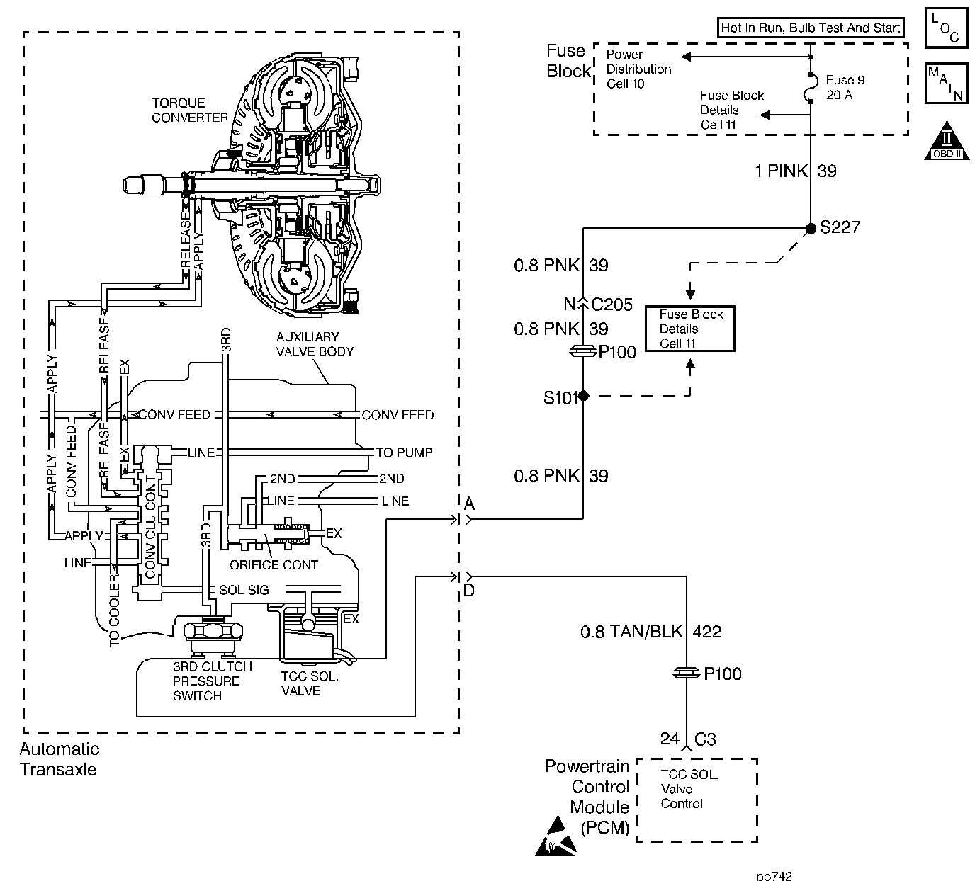
The Torque Converter Clutch Solenoid Valve (TCC Sol. Valve) receives power from the fuse panel, on circuit 39. The normally-open 3rd clutch pressure switch interrupts the ground path from the TCC Sol. Valve. The PCM activates the TCC Sol. Valve by grounding the circuit through an internal switch in the PCM. Although the PCM commands the TCC Sol. Valve ON, the converter clutch does not apply until the 3rd clutch oil (3rd clutch engaged) closes the pressure switch, completing the circuit. Activating the TCC Sol. Valve blocks exhaust fluid. This moves the converter clutch control valve to the applied position, and provides fluid pressure to engage the torque converter clutch.
When the PCM detects low TCC slip and the torque converter clutch is commanded OFF, then DTC P0742 sets. DTC P0742 is a type B DTC.
| • | No TP sensor DTC P0122 or P0123 |
| • | No Vehicle Speed Sensor Assembly DTC P0502 |
| • | The PCM has commanded the TCC OFF. |
| • | The speed ratio is 0.98-1.406. |
| • | The throttle angle is 18-60%. |
| • | The slip speed is -20 to +20 RPM for 5 seconds. |
| • | The MAP is 20.3-36.56 kPa. |
| • | The vehicle speed is 56-105 km/h (35-65 mph). |
| • | The engine speed is 1500-3300 RPM. |
| • | All of the above conditions are met three consecutive times. |
The PCM illuminates the Malfunction Indicator Lamp (MIL) after two ignition cycles with a failure reported.
| • | The PCM turns OFF the MIL after three consecutive ignition cycles without a failure reported. |
| • | A scan tool can clear the DTC from the PCM history. The PCM clears the DTC from the PCM history if the vehicle completes 40 warm-up cycles without a failure reported. |
If the vehicle stalls repeatedly, the TCC is mechanically stuck ON.
The numbers below refer to the Step numbers on the diagnostic table.
This step determines whether the stuck ON condition is due to an electrical failure, or a mechanical failure.
This step tests for a short to ground on circuit 422 between the transmission wiring harness and the PCM.
Step | Action | Value(s) | Yes | No | ||||||
|---|---|---|---|---|---|---|---|---|---|---|
1 | Was the Powertrain On-Board Diagnostic (OBD) System Check performed? | -- | ||||||||
2 |
Important: Before clearing the DTCs, use the scan tool in order to record the DTC Freeze Frame and Failure Records for reference. The Clear Info function will erase the data. Important: Record the TCC slip speed when the transmission is in third gear, with the TCC engaged or enabled. Is the TCC slip speed outside the range shown? | -20 to +20 RPM | ||||||||
3 |
Is the test lamp ON? | -- | ||||||||
4 | Inspect circuit 422 between the transmission harness connector and the PCM for a short to ground. Refer to Troubleshooting Procedures, Section 8. Did you find and correct a problem? | -- | ||||||||
5 | Replace the PCM. Refer to Powertrain Control Module/EEPROM Replacement/Programming , Section 6. Is the replacement complete? | -- | -- | |||||||
6 |
Refer to Valve Body Cover, in On-Vehicle Service. Is the resistance within the specified range? | 19-31ohms | ||||||||
7 | Inspect the wiring between the TCC Sol. Valve and the 3rd clutch pressure switch for a short to ground. Refer to Troubleshooting Procedures, Section 8. Did you find and correct the condition? | -- | ||||||||
8 | Replace the TCC Sol. Valve. Refer to Torque Converter Clutch Solenoid Valve Replacement, in On-Vehicle Service. Is the replacement complete? | -- | -- | |||||||
9 | The TCC Sol. Valve may be stuck closed (not exhausting). Inspect the valve for the following conditions:
Replace the valve if you find the condition. Refer to Unit Repair. Did you find and correct the condition? | -- | ||||||||
10 | The Converter Clutch Control Valve may be stuck ON. Inspect the valve for the following conditions:
Repair the valve if you find the condition. Refer to Unit Repair. Did you find and correct the condition? | -- | ||||||||
11 | Inspect the Torque Converter Clutch. If the TCC is mechanically applied (stuck ON), replace the Torque Converter Clutch. Refer to Unit Repair. Did you find the condition? | -- | -- | |||||||
12 | In order to verify your repair, perform the following procedure:
Has the test run and passed? | -- | System OK |