GM Service Manual Online
For 1990-2009 cars only

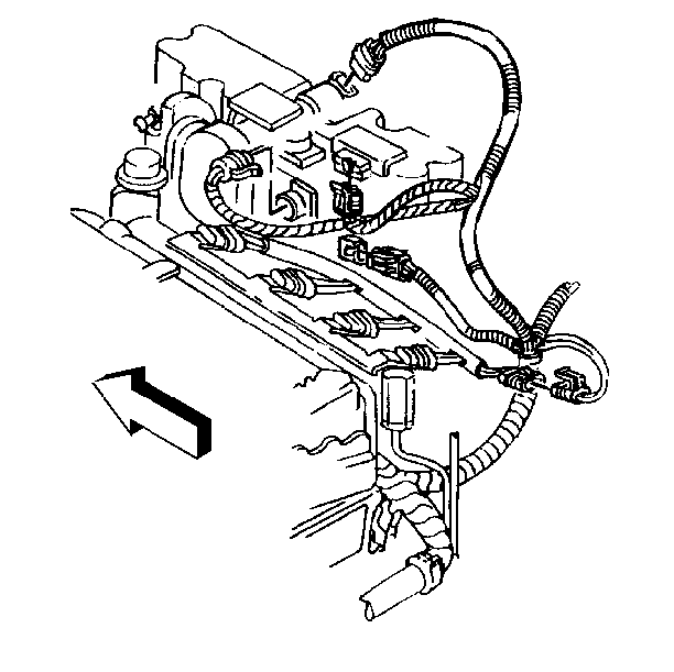
Rear View Engine Wiring Harness 4.3L


Object Number: 5684  Size: SH

Left side, rear harness routing, 4.3L (VIN W).


Object Number: 5685  Size: SH

Right side, rear harness routing.


Object Number: 5686  Size: SH

Rear, center harness routing.


Object Number: 5693  Size: SH

Harness to junction block, typical.


Object Number: 5694  Size: SH

Harness to relay bracket, typical.

For additional 4.3L (VIN W) harness views, refer to: Front View Engine Wiring Harness or Left Side View Engine Wiring Harness or Right Side View Engine Wiring Harness or Transmission Engine Wiring Harness

Rear View Engine Wiring Harness 2.2L


Object Number: 5658  Size: SH

Left rear harness routing, 2.2L (VIN 4).


Object Number: 5659  Size: SH

Right rear harness routing.


Object Number: 5693  Size: SH

Harness junction block, typical.


Object Number: 5694  Size: SH

Harness to relay bracket, typical.

For additional 2.2L wiring harness views, refer to Front View Engine Wiring Harness or Left Side View Engine Wiring Harness or Right Side View Engine Wiring Harness or Transmission Engine Wiring Harness