GM Service Manual Online
For 1990-2009 cars only
Makes
🢒
Chevrolet
🢒
1997
🢒
Blazer - 2WD
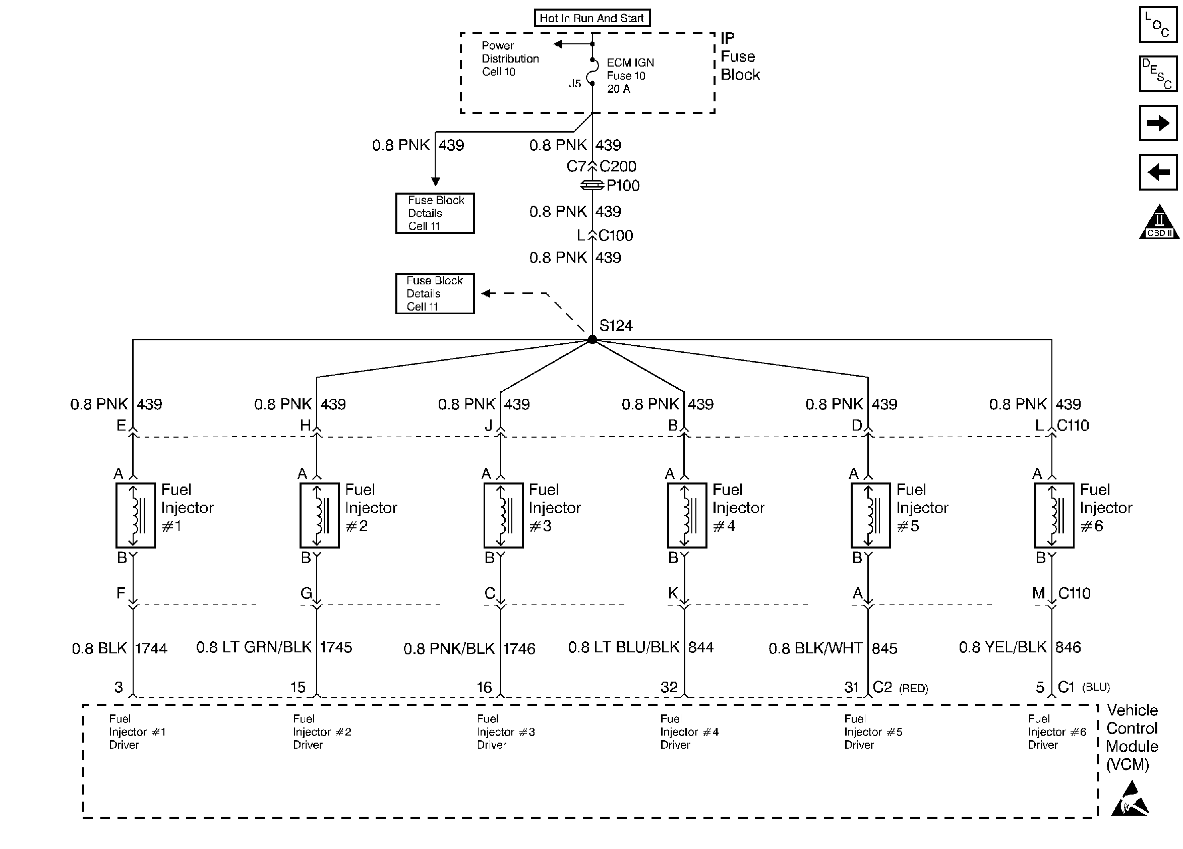
🢒 Fuel Injectors
Fuel Injectors
Fuel Injectors
Handling ESD Sensitive Parts Notice
Engine Controls Components
Fuel System Fuel Metering System Component
MAP, IAT, TP, ECT, and the Fuel Tank Pressure Sensors
Fuel Pump
OBD II Symbol Description Notice