GM Service Manual Online
For 1990-2009 cars only
Makes
🢒
Chevrolet
🢒
1997
🢒
Blazer - 2WD
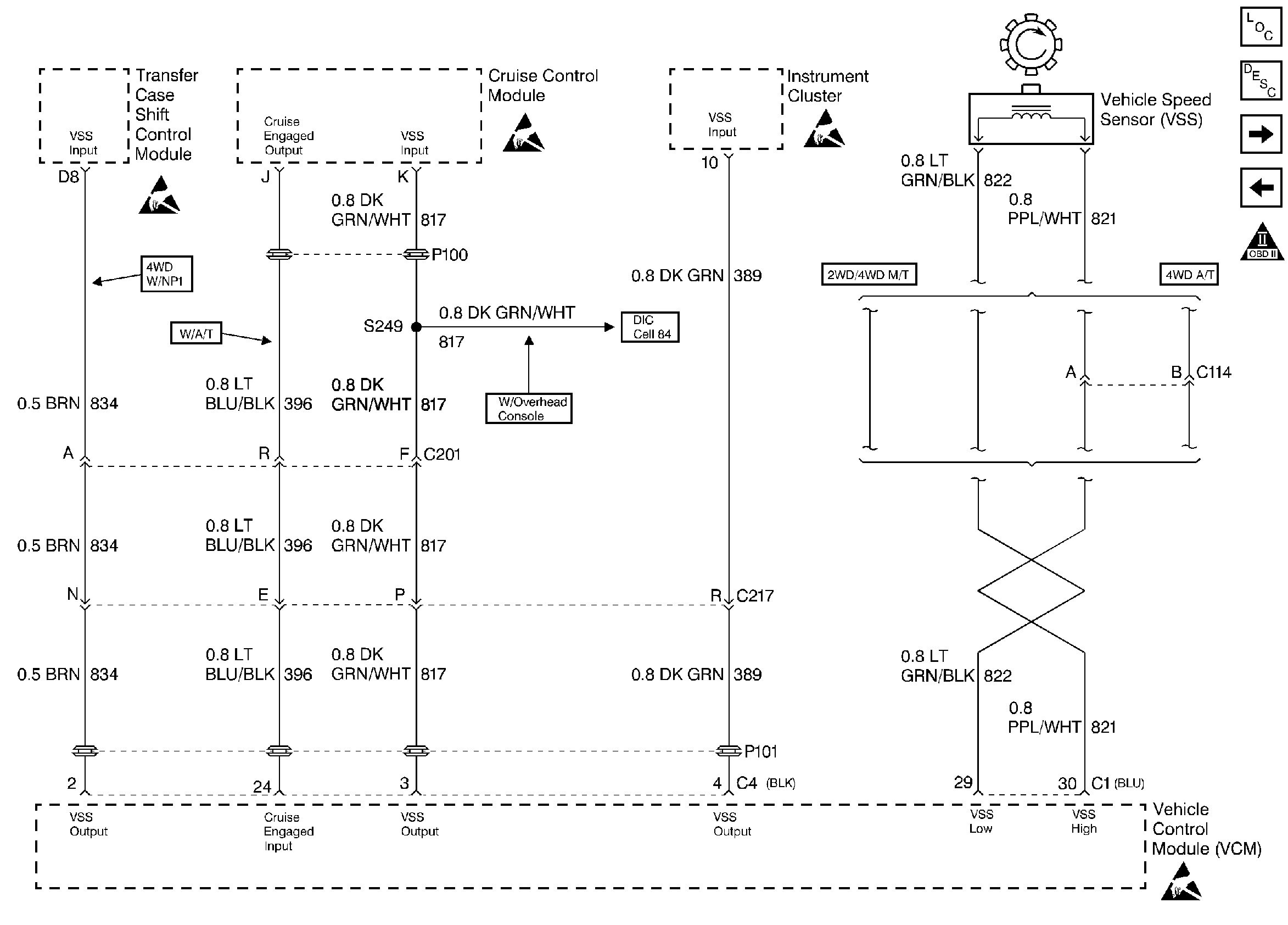
🢒 Cruise Control and the VSS
Cruise Control and the VSS
Cruise Control and the VSS
Handling ESD Sensitive Parts Notice
Handling ESD Sensitive Parts Notice
Handling ESD Sensitive Parts Notice
Handling ESD Sensitive Parts Notice
Engine Controls Components
Information Sensors
Transmission and the TCC
Idle Air Control
OBD II Symbol Description Notice