Important: If a 10 megaohm digital voltmeter measures this voltage, the voltage may read as low as 0.32 volt. The Heated Oxygen Sensor (HO2S) varies the voltage within a range of about 1.0 volt (1000mV) if the exhaust is rich to as low as 0.1 volt (100 mV) if the exhaust is lean.
The VCM supplies a voltage of approximately 0.45 volt (450 mV) between the HO2S High and the HO2S Low circuits.
The VCM monitors the Heated Oxygen Sensor (HO2S) activity for 100 seconds after the Closed Loop. During the monitor period, the VCM counts the number of times that the HO2S switches from rich to lean and from lean to rich, and adds the amount of time the sensor took to complete all switches. With this information, the VCM determines an average time. If the average time to switch is too slow, a DTC P0153 sets.
When the HO2S temperature is below 360°C (600°F), the sensor will not produce any voltage. The sensor will behave like an open circuit. This will result in an Open Loop operation.
The HO2S heater provides for a faster sensor warm-up which allows the sensor to become active in a shorter period of time and remain active during a long extended idle. The DTC P0153 determines if the HO2S is functioning properly by checking its response time. This is a type B DTC.
| • | No TP sensor DTCs |
| • | No EVAP DTCs |
| • | No IAT sensor DTCs |
| • | No MAP sensor DTCs |
| • | No ECT sensor DTCs |
| • | No MAF sensor DTCs |
| • | No intrusive test in progress |
| • | No device controls active |
| • | System voltage measures at least 9.0 volts, |
| • | The HO2S average transition time from Lean to Rich is excessive |
| • | The HO2S average transition time from Rich to Lean is excessive |
| • | Closed loop low MAP not active |
| • | DTCs P0151, P0152, P0154, and P0155 are not present |
| • | A Closed Loop |
| • | The ECT is greater than 57°C |
| • | The engine run time is greater than 75 seconds |
| • | Engine speed is at least 1100 RPM but no more than 3000 RPM |
| • | The MAF is at least 15 grams per seconds but no more than 55 grams per second |
| • | The EVAP canister purge duty cycle is greater than 0% |
| • | The above conditions are present for more than 2 seconds |
| • | The HO2S (Bank 2, Sensor 1) voltage remains between 0.300 volts and 0.600 volts |
The VCM turns the MIL ON after the second test failure.
| • | The control module turns OFF the MIL after 3 consecutive drive trips when the test has run and passed. |
| • | A history DTC will clear if no fault conditions have been detected for 40 warm-up cycles. A warm-up cycle occurs when the coolant temperature has risen 22°C (40°F) from the startup coolant temperature and the engine coolant reaches a temperature that is more than 70°C (158°F) during the same ignition cycle. |
| • | Use a scan tool in order to clear the DTCs. |
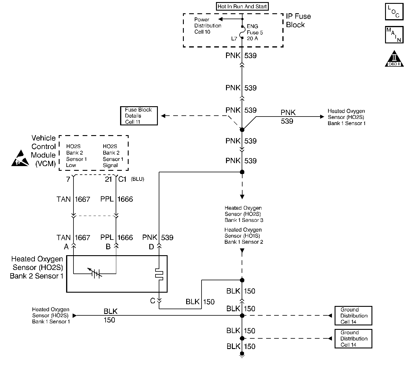
Important: Never solder the HO2S wires. For proper wire and connector repairs, refer to Wiring Repairs.
Check for the following conditions:
| • | An improperly installed air intake duct |
| • | The air intake duct for collapsed ducting, restrictions, or a missing or plugged air filter |
| • | Throttle body and intake manifold vacuum leaks |
| • | A damaged or blocked throttle body inlet |
| • | Exhaust system for corrosion, leaks, or loose or missing hardware |
| • | The HO2S is installed securely and the pigtail harness is not contacting the exhaust manifold or wires |
| • | HO2S contamination |
| • | The vacuum hoses for splits, kinks, and proper connections |
| • | Excessive water, alcohol, or other contaminants in the fuel |
| • | VCM sensor grounds that are clean, tight, and properly positioned |
The numbers below refer to the step numbers in the diagnostic table.
If the conditions for setting DTC P0154 exist, the system will not go into a Closed Loop.
This step will determine if the sensor or the wiring is the cause of DTC P0154.
Step | Action | Value(s) | Yes | No |
|---|---|---|---|---|
1 |
Important: Before clearing the DTCs, use the scan tool in order to record the Freeze Frame and the Failure Records for reference. This data will be lost when the Clear DTC Information function is used. Was the Powertrain On-Board Diagnostic (OBD) System Check performed? | -- | Go toA Powertrain On Board Diagnostic (OBD) System Check | |
Are any other HO2S DTCs stored? | -- | Go to the applicable DTC table | ||
Is the displayed voltage gradually decreasing to the specified value? | 0.150 V (150 mV) | |||
4 |
Is the test lamp ON? | -- | ||
5 | Connect a test lamp between the terminals C and D of the HO2S connector (engine harness side). Is the test lamp ON? | -- | ||
6 | Check for an open HO2S fuse. Was the HO2S fuse open? | -- | ||
7 | Check the connections at the HO2S. Was a problem found? | -- | ||
8 |
Is the sensor contaminated? | -- | ||
9 | The DTC is intermittent. Are any additional DTCs stored? | -- | Go to the applicable DTC table | Go to Diagnostic Aids |
10 | Repair the open in the HO2S ground circuit. Refer to Wiring Repairs in Electrical Diagnosis. Is the action complete? | -- | -- | |
11 |
Is the action complete? | -- | -- | |
12 | Repair the open in the HO2S ignition feed circuit. Refer to Wiring Repairs in Electrical Diagnosis. Is the action complete? | -- | -- | |
13 | Repair as necessary. Is the action complete? | -- | -- | |
14 | Repair the source of the HO2S contamination. Is the action complete? | -- | -- | |
15 | Replace the HO2S. Refer to Heated Oxygen Sensor (HO2S) Replacement . Is the action complete? | -- | -- | |
16 |
Does the scan tool indicate that this diagnostic ran and passed? | -- | ||
17 | Use the scan tool in order to display the Capture Info and the Review Capture Info functions. Are there any DTCs displayed that have not been diagnosed? | -- | Go to the applicable DTC table | System OK |