The 4WD low circuit consists of a transfer case selector switch, a Transfer Case Control Module (TCCM) and wiring. When the operator selects 4WD LOW, the TCCM receives a momentary signal from the selector switch. If all conditions for 4WD low are met, the TCCM allows the electric motor in the transfer case to make the shift. When 4WD low is engaged, circuit 1694 voltage to the VCM changes from B+ to zero. The 4WD low switch signal corrects the transmission output speed signal to the VCM. This signal compensates for transfer case gear reduction. The VCM uses the transmission output speed signal to adjust shift points, line pressure and TCC scheduling.
When the VCM detects a continuous open or short to ground in the 4WD low circuit, then DTC P1875 sets. DTC P1875 is a type A DTC.
| • | No TP DTCs P0121, P0122, or P0123. |
| • | No VSS Assy. DTC P0502. |
| • | No TCC Sol. Valve DTC P0740. |
| • | No TCC Stuck ON DTC P0742. |
| • | No 1-2 SS Valve DTC P0751 or P0753. |
| • | No 2-3 SS Valve DTC P0756 or P0758. |
| • | No TFP Val. Position Sw. DTC P1810. |
| • | No TCC PWM Sol. Valve DTC P1860. |
| • | The engine speed is greater than 450 RPM for 8 seconds. |
| • | Not in fuel cutoff. |
| • | The gear range is D4. |
| • | The vehicle speed is greater than 11 km/h (7 mph). |
| • | The TP angle is 17-50%. |
| • | The engine torque is between 50-400 lb ft. |
| • | The engine vacuum is between 0-105 kPa. |
| • | The shift solenoid performance counters are zero. |
| • | The TFT is 20-120°C (68-248°F). |
| • | All of the above conditions are met and either of the following fail conditions occurs: |
| - | Four-wheel drive low is stuck ON for 5 seconds. The TCC slip speed is -3000 to -50 RPM. Four-wheel drive low range is not engaged. The speed ratio is 0.8-1.2. (The speed ratio is the engine speed divided by the transfer case output speed). |
| - | Four-wheel drive low is stuck OFF for 10 seconds. The TCC is commanded ON. The TCC slip speed is 100-3000 RPM. Four-wheel drive low range is engaged. The speed ratio is 2.5-2.9. |
| • | The VCM commands a normal shift pattern (not a 4WD low shift pattern). |
| • | The VCM illuminates the Malfunction Indicator Lamp (MIL). |
| • | The VCM turns OFF the MIL after three consecutive ignition cycles without a failure reported. |
| • | A scan tool can clear the DTC from the VCM history. The VCM clears the DTC from the VCM history if the vehicle completes 40 warm-up cycles without a failure reported. |
| • | The VCM cancels the DTC default actions when the fault no longer exists and the ignition is OFF long enough in order to power down the VCM. |
| • | Inspect the wiring for poor electrical connections at the VCM. Inspect the wiring for poor electrical connections at the transmission 20-way connector. Look for the following conditions: |
| - | A bent terminal |
| - | A backed out terminal |
| - | A damaged terminal |
| - | Poor terminal tension |
| - | A chafed wire |
| - | A broken wire inside the insulation |
| • | When diagnosing for an intermittent short or open condition, massage the wiring harness while watching the test equipment for a change. |
The numbers below refer to the step numbers on the diagnostic chart.
This step tests for voltage to the TCCM when you select 4LO on the transfer case selector switch.
This step tests for ignition voltage to the transfer case selector switch.
This step tests if the TCCM is faulty.
Step | Action | Value(s) | Yes | No | ||||
|---|---|---|---|---|---|---|---|---|
1 | Was the Powertrain On-Board Diagnostic (OBD) System Check performed? | -- | Go to OBD System Check | |||||
2 |
Important: Before clearing the DTCs, use the scan tool in order to record the Freeze Frame and Failure Records for reference. The Clear Info function will erase the data. Does 4WD Low on the scan tool read No when you select 4HI and Yes when you select 4LO? | -- | Go to Diagnostic Aids | |||||
Does the test lamp illuminate when you select 4LO and turn OFF when you select 4HI? | -- | |||||||
4 |
Does the test lamp illuminate when you select 4LO and turn OFF when you select 4HI? | -- | ||||||
Install the test lamp to ground and probe terminal C of the transfer case selector switch. Is the test lamp ON? | -- | |||||||
6 | Inspect the ignition voltage feed circuit 39 for an open or short to ground. Repair the circuit if necessary. Refer to Electrical Diagnosis, Section 8A. Did you find and correct a problem? | -- | -- | |||||
7 | Replace the transfer case selector switch. Refer to Transfer Case Selector Switch Replacement. Is the replacement complete? | -- | -- | |||||
8 | Inspect circuit 1559 for an open or short to ground. Repair the circuit if necessary. Refer to Electrical Diagnosis, Section 8A. Did you find and correct a problem? | -- | -- | |||||
Install a fused jumper wire from terminal C1 to terminal C3 of the TCCM harness connector. Does 4WD Low read Yes on the scan tool? | -- | |||||||
10 | Replace the TCCM. Refer to Transfer Case Control Module Replacement. Is the replacement complete? | -- | -- | |||||
11 |
Is the test lamp ON? | -- | ||||||
12 | Inspect circuit 1694 for an open or short to ground. Refer to Electrical Diagnosis, Section 8A. Did you find and correct a problem? | -- | -- | |||||
13 | Replace the VCM. Refer to VCM Replacement, Section 6. Is the replacement complete? | -- | -- | |||||
14 | In order to verify your repair, perform the following procedure:
Has the test run and passed? | -- | System OK | Begin the diagnosis again. Go to Step 1 |
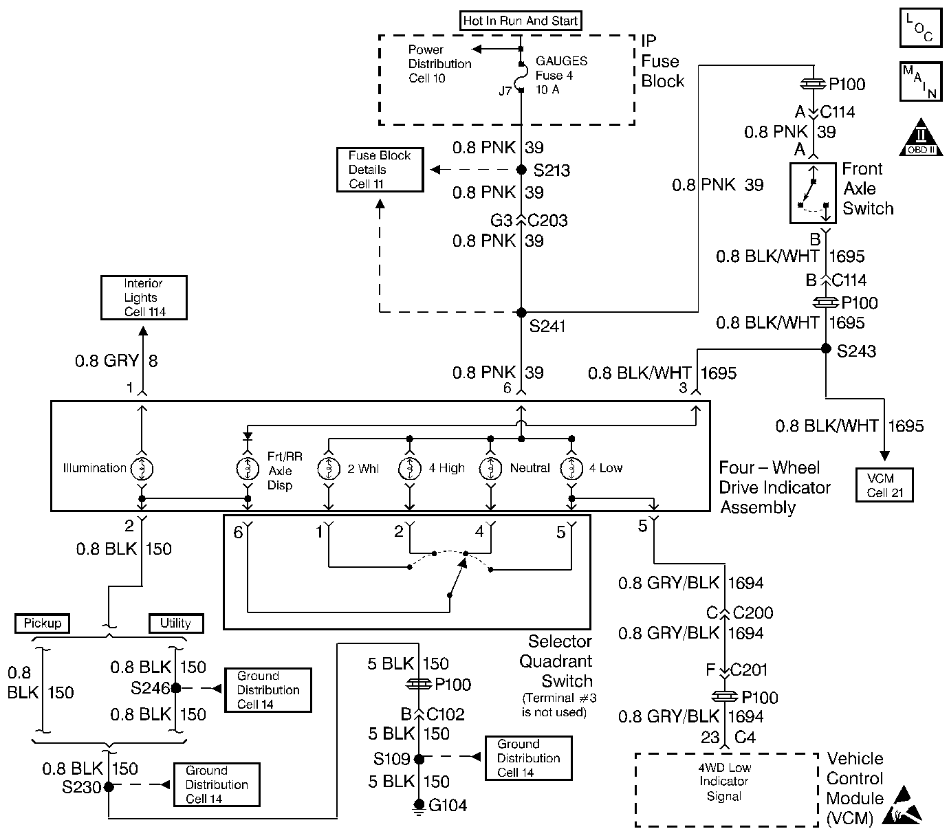
The 4WD low circuit consists of a 4WD indicator assembly, a selector quadrant switch, a front axle switch and wiring.
When the operator moves the selector quadrant switch to 4 LOW, the 4WD indicator lamp illuminates and circuit 1694 voltage to the VCM changes from B+ to zero. The front axle switch closes and completes circuit 1695 to circuit 150, illuminating the front axle lamp.
The front axle switch does not affect circuit 1694 signal input to the VCM because the switch is also closed in the 4WD high position. The 4WD low switch signal corrects the transmission output speed signal to the VCM. This signal compensates for transfer case gear reduction. The VCM uses the transmission output speed signal to adjust shift points, line pressure and TCC scheduling.
When the VCM detects a continuous open or short to ground in the 4WD low circuit, then DTC P1875 sets. DTC P1875 is a type A DTC.
| • | No TP DTCs P0121, P0122, or P0123. |
| • | No VSS Assy. DTC P0502. |
| • | No TCC Sol. Valve DTC P0740. |
| • | No TCC Stuck ON DTC P0742. |
| • | No 1-2 SS Valve DTC P0751 or P0753. |
| • | No 2-3 SS Valve DTC P0756 or P0758. |
| • | No TFP Val. Position Sw. DTC P1810. |
| • | No TCC PWM Sol. Valve DTC P1860. |
| • | The engine speed is greater than 450 RPM for 8 seconds. |
| • | Not in fuel cutoff. |
| • | The gear range is D4. |
| • | The vehicle speed is greater than 11 km/h (7 mph). |
| • | The TP angle is 17-50%. |
| • | The engine torque is between 50-400 lb ft. |
| • | The engine vacuum is between 0-105 kPa. |
| • | The shift solenoid performance counters are zero. |
| • | The TFT is 20-120°C (68-248°F). |
| • | All of the above conditions are met and either of the following fail conditions occurs: |
| - | Four-wheel drive low is stuck ON for 5 seconds. The TCC slip speed is -3000 to -50 RPM. Four-wheel drive low range is not engaged. The speed ratio is 0.8-1.2. (The speed ratio is the engine speed divided by the transfer case output speed). |
| - | Four-wheel drive low is stuck OFF for 10 seconds. The TCC is commanded ON. The TCC slip speed is 100-3000 RPM. Four-wheel drive low range is engaged. The speed ratio is 2.5-2.9. |
| • | The VCM commands a normal shift pattern (not a 4WD low shift pattern). |
| • | The VCM illuminates the Malfunction Indicator Lamp (MIL). |
| • | The VCM turns OFF the MIL after three consecutive ignition cycles without a failure reported. |
| • | A scan tool can clear the DTC from the VCM history. The VCM clears the DTC from the VCM history if the vehicle completes 40 warm-up cycles without a failure reported. |
| • | The VCM cancels the DTC default actions when the fault no longer exists and the ignition is OFF long enough in order to power down the VCM. |
| • | Inspect the wiring for poor electrical connections at the VCM. Inspect the wiring for poor electrical connections at the transmission 20-way connector. Look for the following conditions: |
| - | A bent terminal |
| - | A backed out terminal |
| - | A damaged terminal |
| - | Poor terminal tension |
| - | A chafed wire |
| - | A broken wire inside the insulation |
| • | When diagnosing for an intermittent short or open condition, massage the wiring harness while watching the test equipment for a change. |
The numbers below refer to the step numbers on the diagnostic chart.
This step tests the voltage input to the 4WD indicator assembly.
This step tests the voltage input to the selector quadrant switch through the 4WD indicator assembly.
Step | Action | Value(s) | Yes | No | ||||
|---|---|---|---|---|---|---|---|---|
1 | Was the Powertrain On-Board Diagnostic (OBD) System Check performed? | -- | Go to OBD System Check | |||||
2 |
Important: Before clearing the DTCs, use the scan tool in order to record the Freeze Frame and Failure Records for reference. The Clear Info function will erase the data. Does 4WD Low on the scan tool read No when you select 4 High and Yes when you select 4 Low? | -- | Go to Diagnostic Aids | |||||
Is the voltage within the specified range? | 9.6-12.6 volts (battery voltage) | |||||||
Is the voltage less than the specified value? | 0.5 volts | |||||||
5 |
Is the resistance less than the specified value? | 1 ohms | ||||||
6 | Measure the resistance between voltage input terminal 2 of the 4WD indicator assembly circuit board and selector quadrant switch terminal 6 of the circuit board. Is the resistance less than the specified value? | 1 ohms | ||||||
7 | Inspect circuit 150 for an open. Repair the circuit if necessary. Refer to Electrical Diagnosis, Section 8A. Did you find a problem? | -- | ||||||
8 | Inspect circuit 1694 for an open or short to ground. Repair the circuit if necessary. Refer to Electrical Diagnosis, Section 8A. Did you find a problem? | -- | ||||||
9 | Replace the selector quadrant switch. Refer to Selector Quadrant Switch Replacement. Is the replacement complete? | -- | -- | |||||
10 | Replace the 4WD indicator assembly. Refer to Four-Wheel Drive Indicator Assembly Replacement. Is the replacement complete? | -- | -- | |||||
11 | Replace the VCM. Refer to VCM Replacement, Section 6. Is the replacement complete? | -- | -- | |||||
12 | In order to verify your repair, perform the following procedure:
Has the test run and passed? | -- | System OK |