GM Service Manual Online
For 1990-2009 cars only
Makes
🢒
Chevrolet
🢒
1998
🢒
Blazer - 2WD
🢒
HVAC
🢒
Heating, Ventilation and Air Conditioning
🢒 Heater Blower Controls Component Views
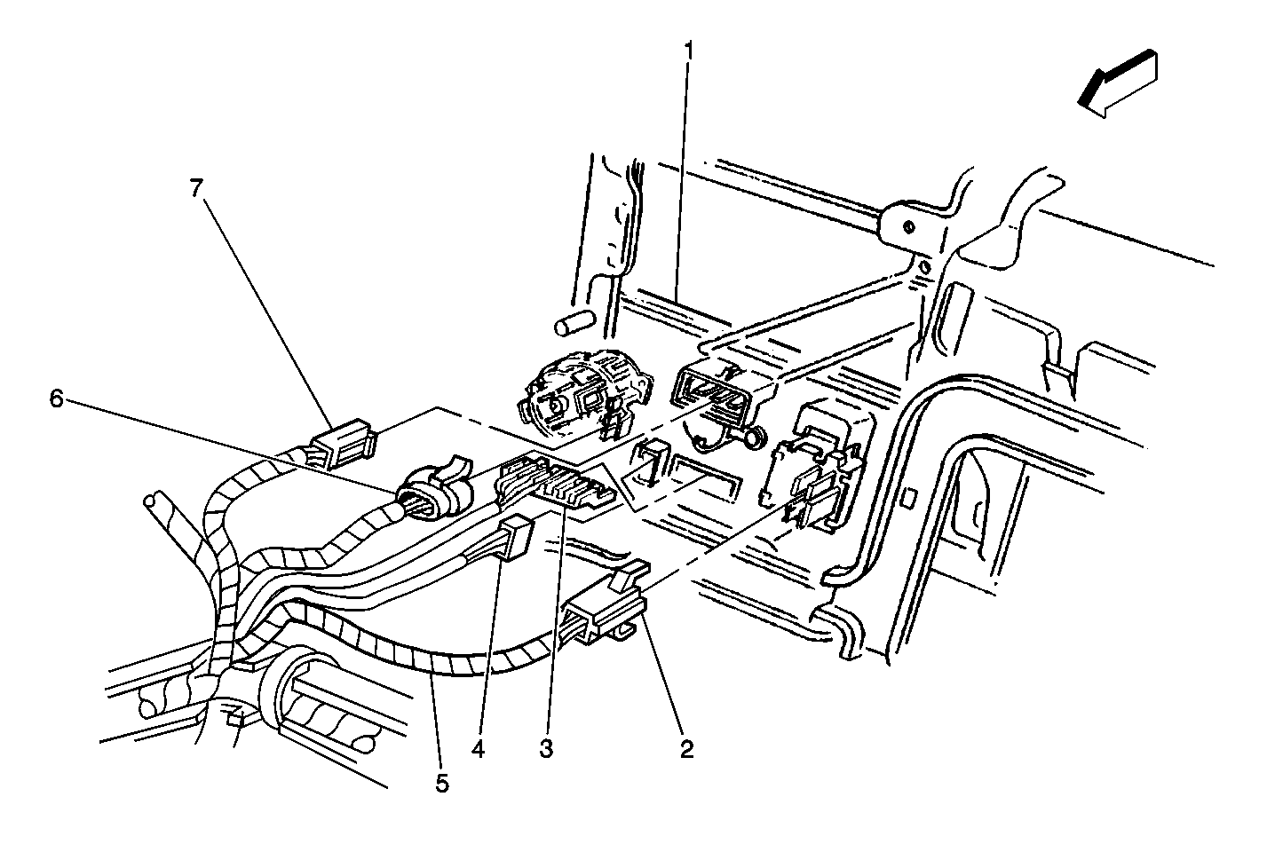
Figure
1:
Body Wiring to Blower Motor and Resistor
(1)
Blower Motor and Connector
(2)
Blower Motor Relay
(3)
Blower Motor Resistor and Connector
Figure
2:
S118, G117
(1)
S118
(2)
G117
Figure
3:
Heater Controller
(1)
Heater Controller
(2)
Heater Controller Connector C4
(3)
Heater Controller Connector C1
(4)
Heater Controller Connector C5
(5)
S215
(6)
Heater Controller Connector C3
(7)
Heater Controller Connector C2