GM Service Manual Online
For 1990-2009 cars only
Makes
🢒
Chevrolet
🢒
1998
🢒
Blazer - 2WD
🢒
HVAC
🢒
HVAC Systems - Automatic
🢒 HVAC Compressor Control Schematics
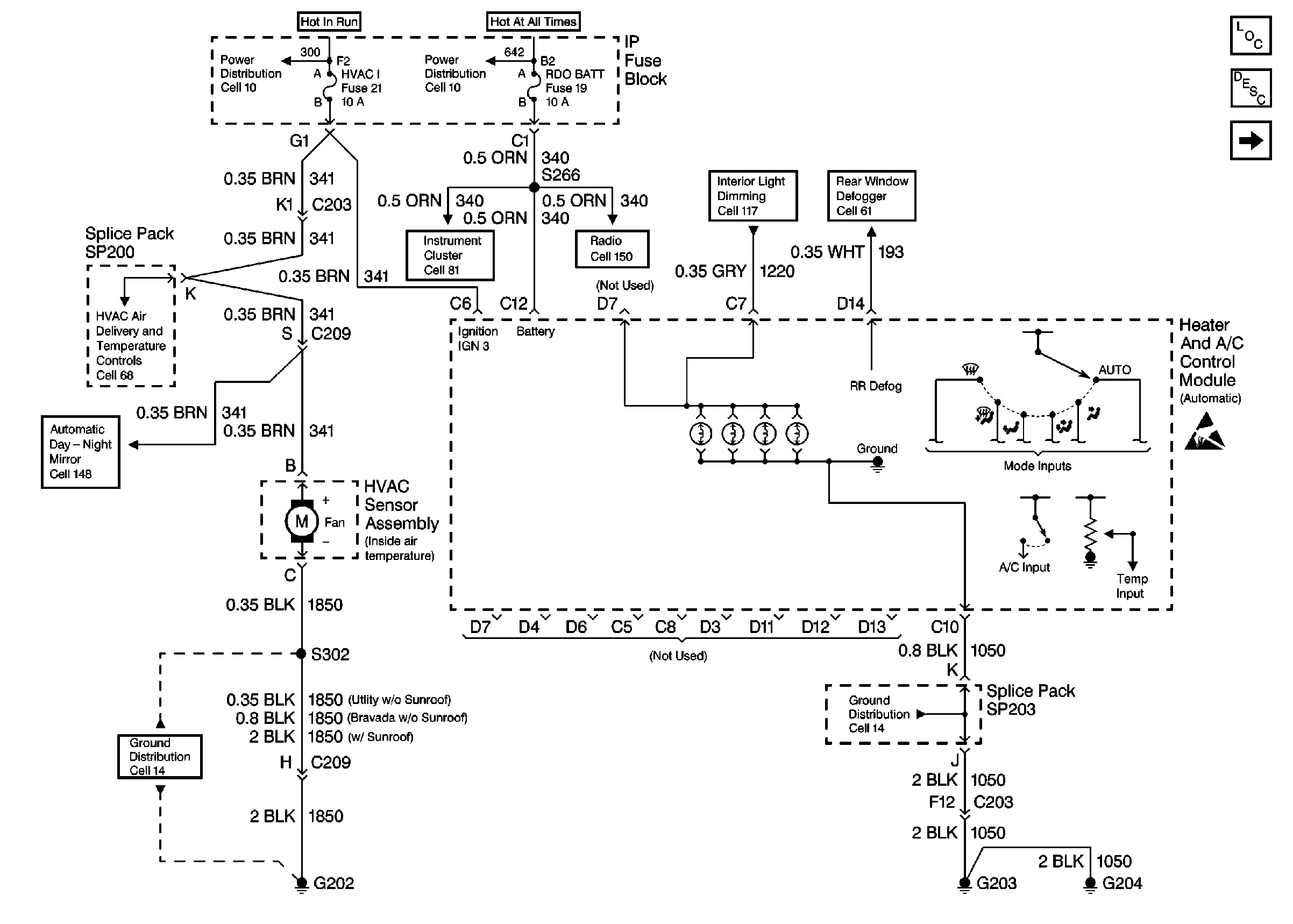
Figure
1:
Cell 67: HVAC Sensor and Heater and A/C Control Module
HVAC Components
Cell 67: A/C Compressor, A/C Compressor Pressure Cycling Switch and High Pressure Switch
Defogger Schematics
Interior Lights Schematics
Radio/Audio System Schematics
Instrument Cluster: Analog Schematics
Power Distribution Schematics
Power Distribution Schematics
Automatic Day-Night Mirrors Schematics
Ground Distribution Schematics
Ground Distribution Schematics
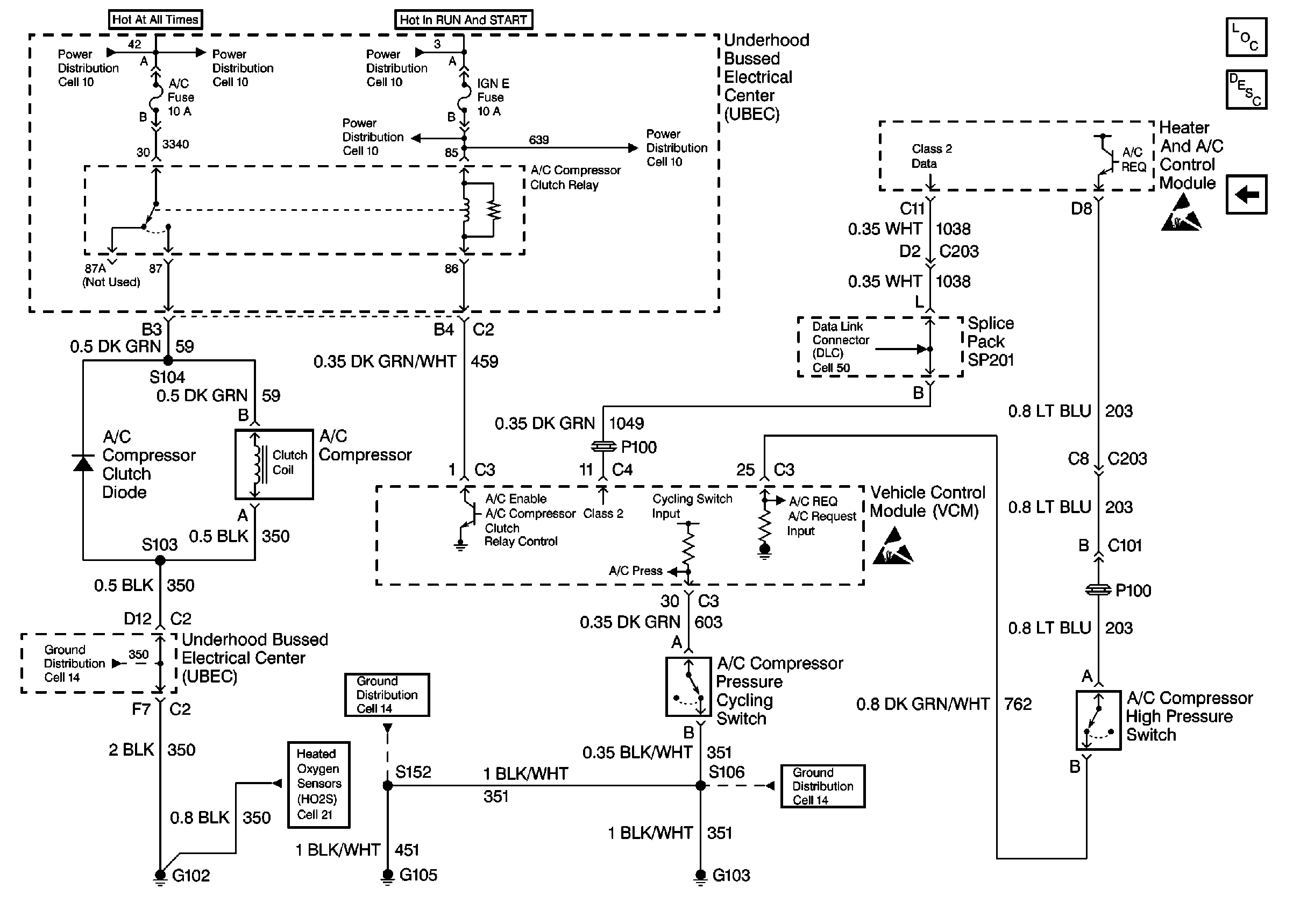
Figure
2:
Cell 67: A/C Compressor, A/C Compressor Pressure Cycling Switch and High Pressure Switch
HVAC Components
Cell 67: HVAC Sensor and Heater and A/C Control Module
Handling ESD Sensitive Parts Notice
Handling ESD Sensitive Parts Notice
Power Distribution Schematics
Power Distribution Schematics
Power Distribution Schematics
Power Distribution Schematics
Power Distribution Schematics
Ground Distribution Schematics
Ground Distribution Schematics
Ground Distribution Schematics
Data Link Connector Schematics