GM Service Manual Online
For 1990-2009 cars only
Makes
🢒
Chevrolet
🢒
1998
🢒
Blazer - 2WD
🢒
Body and Accessories
🢒
Seats
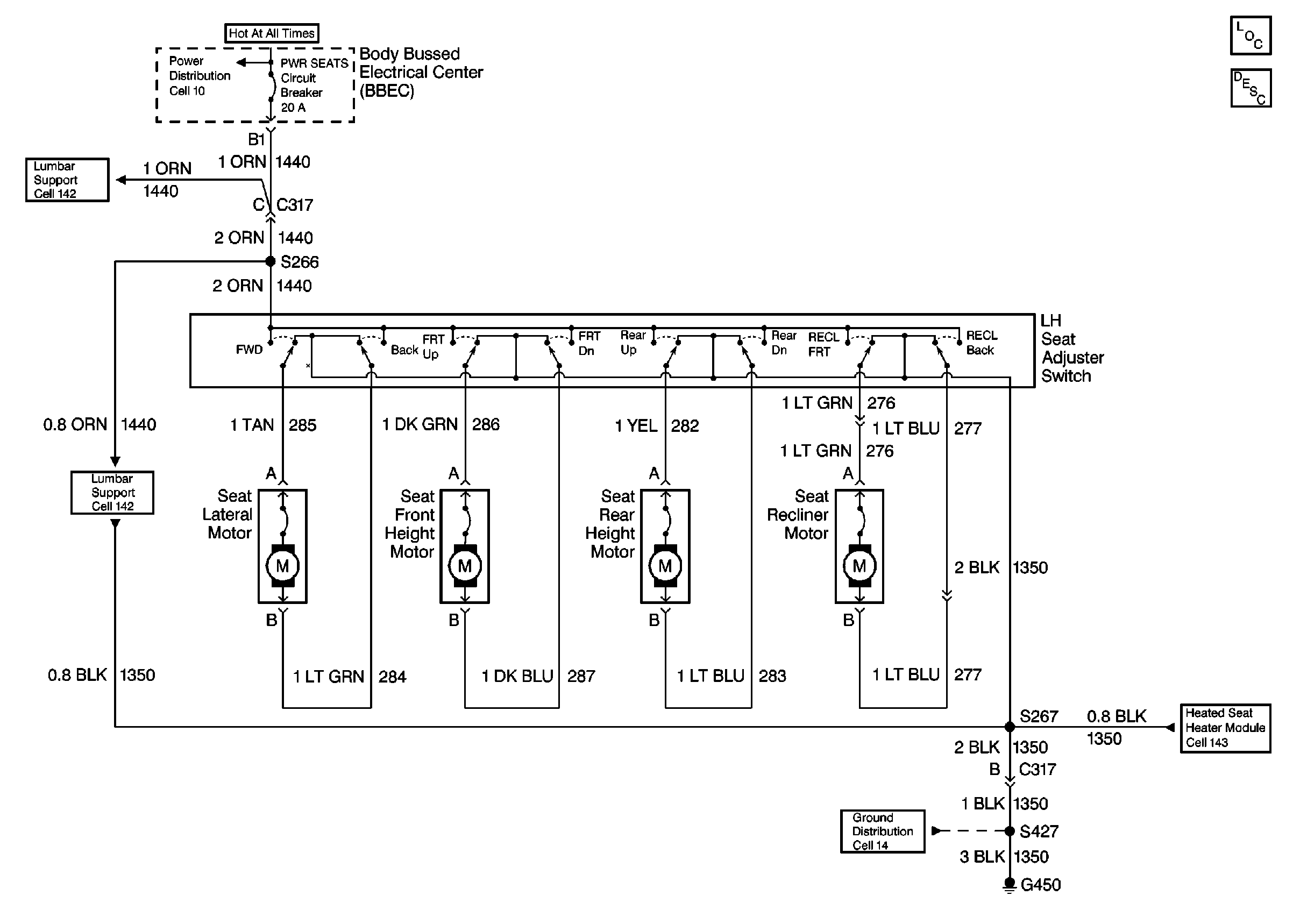
🢒 Power Seats Schematics
Cell 140
Power Seats Circuit Description
Heated Seats Schematics
Ground Distribution Schematics
Lumbar Support Schematics
Lumbar Support Schematics
Power Distribution Schematics