GM Service Manual Online
For 1990-2009 cars only
Makes
🢒
Chevrolet
🢒
1998
🢒
Blazer - 2WD
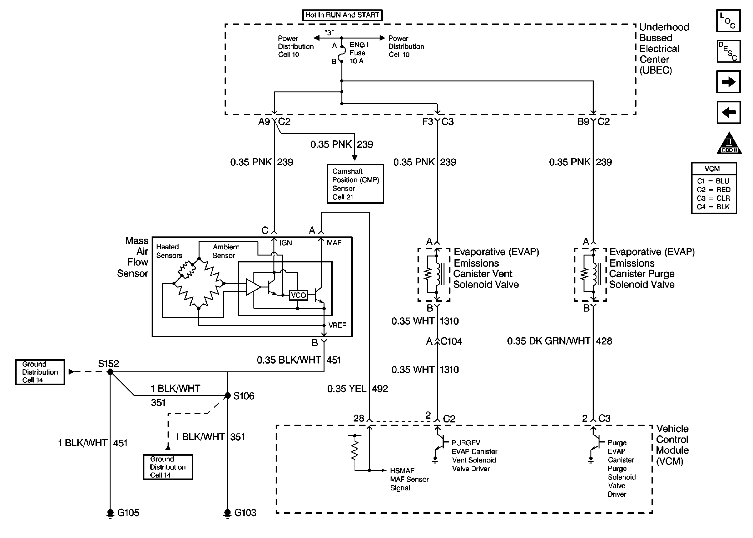
🢒 MAF Sensor And EVAP Valves
MAF Sensor And EVAP Valves
MAF Sensor And EVAP Valves
Ignition Controls
Engine Controls Components
Vehicle Control Module Description
EGR And IAC Valves
Pickup Engine Sensors
OBD II Symbol Description Notice